Scuola? Università?
Dario
transistor
Moderatori:
carloc,
g.schgor,
BrunoValente,
IsidoroKZ
30 messaggi
• Pagina 3 di 3 • 1, 2, 3
0
voti
[22] Re: transistor
Leggi qui cosa mi disse
BrunoValente quando stavo in una situazione simile.
viewtopic.php?f=1&t=58084
Messaggio [4].
viewtopic.php?f=1&t=58084
Messaggio [4].
0
voti
[23] Re: transistor
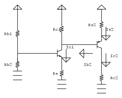
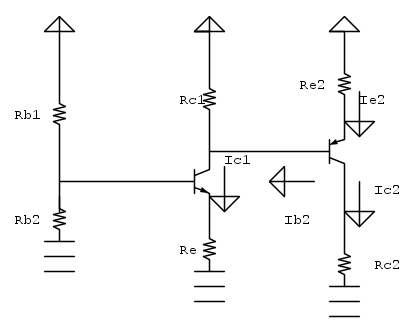
il problema sarebbe ricavare IC2
si dovrebbe risolvere il sistema


ho noti la
e la
non sè se il sistema da risolvere e giusto, la Vc è stata calcolata da un transistor precedente e poi è stata riportata nel secondo
vado all'università
si dovrebbe risolvere il sistema


ho noti la
e la
non sè se il sistema da risolvere e giusto, la Vc è stata calcolata da un transistor precedente e poi è stata riportata nel secondo
vado all'università
Ultima modifica di
signfra il 17 apr 2017, 12:50, modificato 1 volta in totale.
0
voti
[24] Re: transistor
signfra ha scritto:vado all'università
Quale università?
Quale corso?
Quale docente?
Quali corsi hai fatto prima di questo, dove ti hanno parlato di transistori?
4 domande, 4 risposte, please.
Grazie
-

PietroBaima
90,7k 7 12 13 - G.Master EY

- Messaggi: 12207
- Iscritto il: 12 ago 2012, 1:20
- Località: Londra
0
voti
[25] Re: transistor
PietroBaima ha scritto:signfra ha scritto:vado all'università
Quale università?
Quale corso?
Quale docente?
Quali corsi hai fatto prima di questo, dove ti hanno parlato di transistori?
4 domande, 4 risposte, please.
Grazie
ti devo dire anche il nome del docente?
comunque vado alla kore, ingegneria informatica e seguo elettronica, non ho fatto mai un corso di transistor
0
voti
[26] Re: transistor
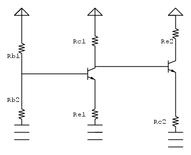
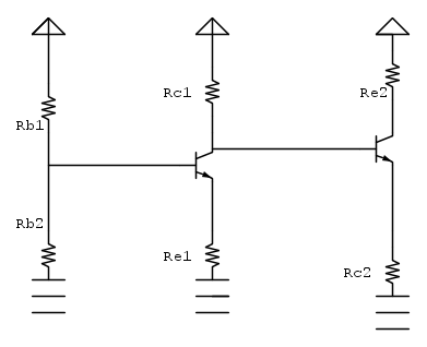
vi spiego:
il circuito e composto da due transistor, e viene diviso in due, ora il problema nel primo transistor è stato ricavato
poi con lo stesso nome è stato riportato nella seconda figura , vorrei capire se è la stessa
calcolata.

dove
e
calcolata e
nota
poi viene ridotto a
La
è uguale a quella calcolata?
il circuito e composto da due transistor, e viene diviso in due, ora il problema nel primo transistor è stato ricavato
poi con lo stesso nome è stato riportato nella seconda figura , vorrei capire se è la stessa
calcolata.
dove
e
calcolata e
notapoi viene ridotto a
La
è uguale a quella calcolata?-

PietroBaima
90,7k 7 12 13 - G.Master EY

- Messaggi: 12207
- Iscritto il: 12 ago 2012, 1:20
- Località: Londra
0
voti
[28] Re: transistor
PietroBaima ha scritto:Mah...
Hai fatto elettrotecnica?
si, voglio solo capire se La
è uguale a quella calcolata0
voti
[29] Re: transistor
signfra ha scritto:
Questa equazione è sbagliata perché non tiene conto del secondo transistor.
In Rc1 non scorre solo la corrente di collettore del primo transistor, ma anche quella di base del secondo.
-

PietroBaima
90,7k 7 12 13 - G.Master EY

- Messaggi: 12207
- Iscritto il: 12 ago 2012, 1:20
- Località: Londra
0
voti
[30] Re: transistor
ecco il circuito corretto, la
che ti avevo detto è corretta ora?quello che ti avevo detto e la
, e volevo sapere se è uguale a
della seconda figura
30 messaggi
• Pagina 3 di 3 • 1, 2, 3
Chi c’è in linea
Visitano il forum: Nessuno e 131 ospiti

Elettrotecnica e non solo (admin)
Un gatto tra gli elettroni (IsidoroKZ)
Esperienza e simulazioni (g.schgor)
Moleskine di un idraulico (RenzoDF)
Il Blog di ElectroYou (webmaster)
Idee microcontrollate (TardoFreak)
PICcoli grandi PICMicro (Paolino)
Il blog elettrico di carloc (carloc)
DirtEYblooog (dirtydeeds)
Di tutto... un po' (jordan20)
AK47 (lillo)
Esperienze elettroniche (marco438)
Telecomunicazioni musicali (clavicordo)
Automazione ed Elettronica (gustavo)
Direttive per la sicurezza (ErnestoCappelletti)
EYnfo dall'Alaska (mir)
Apriamo il quadro! (attilio)
H7-25 (asdf)
Passione Elettrica (massimob)
Elettroni a spasso (guidob)
Bloguerra (guerra)





pigreco]=π

