Cos'è ElectroYou | Login Iscriviti

ElectroYou - la comunità dei professionisti del mondo elettrico

Spin Off da Come posso ottenere questo effetto con pochi eur

Elettronica lineare e digitale: didattica ed applicazioni

Moderatori: Foto Utentecarloc, Foto Utenteg.schgor, Foto UtenteBrunoValente, Foto UtenteIsidoroKZ

0
voti

[21] Re: Spin Off da Come posso ottenere questo effetto con pochi

Messaggioda Foto Utenteelfo » 29 set 2017, 16:58

brabus ha scritto:Anche Vettel è partito da una bicicletta.

Se e' per questo anche Usain Bolt avra' certamente gattonato.
Ma, permettimi, non e' questo il punto.
Avevo scritto:
oggi se non sai saldare gli SMD e' come saper telefonare con un "unificato a disco" ma non saper "tappare" su un Iphone

Non e' che per imparare a telefonare con l'Iphone cominci con l'"unificato a disco" - lo hai mai usato? sapresti comporre il numero? :D

Credo che:
- ad un estremo ci siano dei concetti fondamentali di teoria che valgono "sempre": dalla legge di Ohm fino alle equazioni di Maxwell

- all'altro estremo ci sia la tecnologia che si evolve: non e' necessario partire dalla saldatura sugli zoccoli delle valvole con il saldatore a pistola da 100 W per arrivare a saldare gli SMD. Se hai l'attrezzatura "giusta" puoi cominciare subito con gli SMD.

Nel mezzo ci sono i circuiti e i componenti: anche qui credo che ormai l'OP-Amp sia un blocco "elementare" e nessuno, nemmeno all'inizio, si cimenti a costruire un Op-Amp a transistor.

Mi ripeto: credo ci sia poco da imparare a costruire un alimentatore lineare 5 V 1A

Con simpatia.
Avatar utente
Foto Utenteelfo
6.819 4 5 7
G.Master EY
G.Master EY
 
Messaggi: 2828
Iscritto il: 15 lug 2016, 13:27

0
voti

[22] Re: Spin Off da Come posso ottenere questo effetto con pochi

Messaggioda Foto Utentebrabus » 29 set 2017, 17:32

Qual è stato il Suo primo progetto, Foto Utenteelfo?
Alberto.
Avatar utente
Foto Utentebrabus
22,2k 4 11 13
G.Master EY
G.Master EY
 
Messaggi: 3146
Iscritto il: 26 gen 2009, 15:16

0
voti

[23] Re: Spin Off da Come posso ottenere questo effetto con pochi

Messaggioda Foto Utentesetteali » 29 set 2017, 18:01

Io non ho per niente teoria insegnata da persone come trovo ora in EY, ho cominciato a leggere CD-CQ e poi NE ed altre riviste ed imparato un po' e diciamo che mi sta bene quello che so e che ancora cerco di imparare....
Ma quello che dico, è il fatto di incominciare che deve essere costruttivo, mi ricordo che quando comprai il primo saldatore, ho passato serate a saldare dei pezzi di filo ed anche componenti, a caso, solo per veder come si saldano e come ci riuscivo.
Così fu anche quando acquistai il primo tester ICE 680E, misuravo ogni cosa e provavo tutte le portate, sere e sere( anzi notti e notti).
E quanto mi divertivo a disegnare i circuiti su un foglio ( ricopiati ) per capire come erano collegati e come dovevo di conseguenza risaldarli, all'inizio erano dei ragni dentro ragnatele.

Ecco tanti ragazzi vorrebbero fare qualche piccolo circuito, ma senza aver o voler imparare a saldare e a mettere insieme 5 componenti in maniera pulita e razionale come da schema.

-Saldare, conoscere i componenti, saper leggere uno schema e saper leggere il multimetro, sono cose che vanno imparate prima di accendere un led.

Dopo devono studiare e studiare e costruire !
O_/
Alex
https://www.facebook.com/Elettronicaeelettrotecnica

<< vedi di pigliare arditamente in mano, il dizionario che ti suona in bocca,
se non altro è schietto e paesano.
(Giuseppe Giusti) <<
Avatar utente
Foto Utentesetteali
11,9k 5 5 9
Master
Master
 
Messaggi: 5922
Iscritto il: 15 dic 2013, 21:09

0
voti

[24] Re: Spin Off da Come posso ottenere questo effetto con pochi

Messaggioda Foto Utentebrabus » 29 set 2017, 18:20

setteali ha scritto:Ma quello che dico, è il fatto di incominciare che deve essere costruttivo, mi ricordo che quando comprai il primo saldatore, ho passato serate a saldare dei pezzi di filo ed anche componenti, a caso, solo per veder come si saldano e come ci riuscivo.


Questa frase rievoca in me mille ricordi. Grazie.
Alberto.
Avatar utente
Foto Utentebrabus
22,2k 4 11 13
G.Master EY
G.Master EY
 
Messaggi: 3146
Iscritto il: 26 gen 2009, 15:16

1
voti

[25] Re: Spin Off da Come posso ottenere questo effetto con pochi

Messaggioda Foto Utenteelfo » 29 set 2017, 19:09

brabus ha scritto:Qual è stato il Suo primo progetto, Foto Utenteelfo?

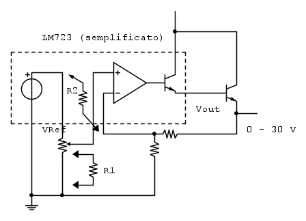
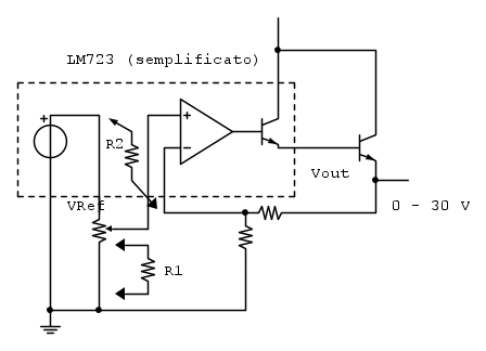
Posso dirti qual e' stato il mio primo (o perlomeno il primo che mi ricordo) errore.

Guarda lo schema qui sotto.

E' un alimentatore realizzato con un LM723 che *pretende* di regolare la tensione di uscita tra 0 (zero) e 30 V.

Il 723 da specifiche del costruttore regola al minimo 2 V - ma io non lo avevo capito dalla lettura del data sheet.

Solo molti anni dopo Bob Pease mi ha spiegato (e spero di averlo capito) che con l'aggiunta di due resistenze (R1 e R2 di cui spero di essere in grado di calcolare il valore) e' possibile regolare fino a 0 V.

P.S. sul forum ci diamo del tu?
Avatar utente
Foto Utenteelfo
6.819 4 5 7
G.Master EY
G.Master EY
 
Messaggi: 2828
Iscritto il: 15 lug 2016, 13:27

Precedente

Torna a Elettronica generale

Chi c’è in linea

Visitano il forum: Google Adsense [Bot] e 85 ospiti