Faccio notare che se il segnale di comando fosse in grado di arrivare fino a 9V, i transistor di ingresso potrebbero arrivare alla saturazione o quasi e non essere più in grado di succhiare sufficiente corrente dalle basi di Q1 o Q2 che quindi potrebbero non accendersi completamente.
Per ovviare a questo credo sia sufficiente aggiungere delle resistenze di opportuno valore in serie alle basi dei transistor di ingresso, in modo che, se tendessero a saturare, la tensione delle basi resterebbe un po' indietro rispetto a quella di ingresso, quindi più bassa di 9V e di conseguenza la corrente nei collettori, quindi nelle basi di Q1 e Q2, non si abbasserebbe al punto da non garantirne più la saturazione.
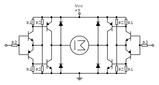
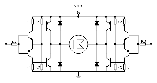
Propongo di valutare anche lo schema seguente che mi pare possa funzionare, che sia un po' più elegante dell'altro e che inoltre non pone restrizioni alle condizioni di comando perché i transistor PNP e NPN non possono mai condurre contemporaneamente.
Ponte ad H BJT + fotoaccoppiatore.
Moderatori:
carloc,
g.schgor,
BrunoValente,
IsidoroKZ
27 messaggi
• Pagina 3 di 3 • 1, 2, 3
0
voti
BrunoValente ha scritto:Faccio notare che se il segnale di comando fosse in grado di arrivare fino a 9V, i transistor di ingresso potrebbero arrivare alla saturazione o quasi e non essere più in grado di succhiare sufficiente corrente dalle basi di Q1 e Q2 che quindi potrebbero non accendersi completamente.

_______________________________________________________
Gli oscillatori non oscillano mai, gli amplificatori invece sempre
Io HO i poteri della supermucca, e ne vado fiero!
Gli oscillatori non oscillano mai, gli amplificatori invece sempre
Io HO i poteri della supermucca, e ne vado fiero!
0
voti
Cavolo Bruno, ma allora mi vuoi male..... 
Elegante lo sembra, ma mi ci vorrà la serata e un poco di fortuna per cercare di comprendere per bene anche questo.
Comunque comincio a capire perché si usano volentieri i mosfet...
Scherzi a parte, grazie sul serio a tutti, questo genere di cose nei vari articoli o libri per i babbi come me non le spiega nessuno.
Elegante lo sembra, ma mi ci vorrà la serata e un poco di fortuna per cercare di comprendere per bene anche questo.
Comunque comincio a capire perché si usano volentieri i mosfet...
Scherzi a parte, grazie sul serio a tutti, questo genere di cose nei vari articoli o libri per i babbi come me non le spiega nessuno.
0
voti
lucaking ha scritto:Elegante lo sembra, ma mi ci vorrà la serata e un poco di fortuna per cercare di comprendere per bene anche questo.
Per capire il circuito di Bruno devi capire bene qual è il problema che risolve. Nella spiegazione che ti ho dato prima ho supposto (dandolo per scontato, cosa che probabilmente non era) esattamente quanto esposto da Bruno: comando a 9 V e resistenza sulle basi dei transistor di comando (aggiungendoci anche mentalmente un diodo :P). Se così non fosse, prova a pensare a come cambierebbe l'interpretazione del circuito di prima, e ti sarà chiaro il perché della complicazione suggerita da
_______________________________________________________
Gli oscillatori non oscillano mai, gli amplificatori invece sempre
Io HO i poteri della supermucca, e ne vado fiero!
Gli oscillatori non oscillano mai, gli amplificatori invece sempre
Io HO i poteri della supermucca, e ne vado fiero!
0
voti
BrunoValente ha scritto:i transistor PNP e NPN non possono mai condurre contemporaneamente
E' un requisito favorevole, però l'altro circuito ha il pregio che può essere comandato da uscite digitali di una MCU alimentata indifferentemente a 5V o a 3,3V.
0
voti
obiuan ha scritto:Per capire il circuito di Bruno devi capire bene qual è il problema che risolve.
Eh, appunto....
Se ho capito bene il problema si porrebbe se invece che tramite la parallela del PC col fotoaccoppiatore dessi in pasto alle basi dei due transistor di ingresso (A e B) direttamente la 9V .
Per cercare di analizzare quel caso, vi chiedo: un transistor in saturazione posso considerarlo come un cortocircuito tra collettore ed emettitore?
0
voti
Accidenti...scusa non mi ero accorto della domanda e di nuovo sono stato offline per molto.
Vabbè ormai probabolmente non ti serve, ma visto che son qua...in generale sì, un transistor saturo lo puoi considerare a grandi linee come un corto fra c ed e.
Vabbè ormai probabolmente non ti serve, ma visto che son qua...in generale sì, un transistor saturo lo puoi considerare a grandi linee come un corto fra c ed e.
_______________________________________________________
Gli oscillatori non oscillano mai, gli amplificatori invece sempre
Io HO i poteri della supermucca, e ne vado fiero!
Gli oscillatori non oscillano mai, gli amplificatori invece sempre
Io HO i poteri della supermucca, e ne vado fiero!
27 messaggi
• Pagina 3 di 3 • 1, 2, 3
Chi c’è in linea
Visitano il forum: Google [Bot] e 47 ospiti

Elettrotecnica e non solo (admin)
Un gatto tra gli elettroni (IsidoroKZ)
Esperienza e simulazioni (g.schgor)
Moleskine di un idraulico (RenzoDF)
Il Blog di ElectroYou (webmaster)
Idee microcontrollate (TardoFreak)
PICcoli grandi PICMicro (Paolino)
Il blog elettrico di carloc (carloc)
DirtEYblooog (dirtydeeds)
Di tutto... un po' (jordan20)
AK47 (lillo)
Esperienze elettroniche (marco438)
Telecomunicazioni musicali (clavicordo)
Automazione ed Elettronica (gustavo)
Direttive per la sicurezza (ErnestoCappelletti)
EYnfo dall'Alaska (mir)
Apriamo il quadro! (attilio)
H7-25 (asdf)
Passione Elettrica (massimob)
Elettroni a spasso (guidob)
Bloguerra (guerra)







