Sì. il transistor sembrerebbe rotto ma se oscillasse potrebbe anche trarre in inganno.
Comunque va controllato il transistor.
Alimentatore 10A
Moderatori:
carloc,
g.schgor,
BrunoValente,
IsidoroKZ
24 messaggi
• Pagina 3 di 3 • 1, 2, 3
2
voti
[21] Re: Alimentatore 10A
-

BrunoValente
39,6k 7 11 13 - G.Master EY

- Messaggi: 7796
- Iscritto il: 8 mag 2007, 14:48
1
voti
[22] Re: Alimentatore 10A
ira83 ha scritto:valori(sicuramente sovradimensionati):
R1=4.7ohm 50W
R2=4.7ohm 50W
C1=2200uF 63V
C2=100uF 50V
No, C1 non è sovradimensionato. 10 ampere per (circa) 4 millisecondi (buco fra semionde) sono 40 milliCoulomb, una capacità C1=2200 uF per fornire questa carica deve subire un calo di tensione pari a 40/2,2=18Volt, un po' troppo come ripple.
Poi R2 dovrebbe essere minore di R1, altrimenti che ci sta a fare il transistor di potenza?
1
voti
[23] Re: Alimentatore 10A
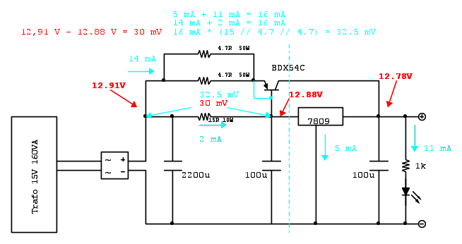
Osserviamo il circuito in figura.
- I dati in rosso sono misurati
- I dati in celeste sono calcolati o dati dal datasheet dei componenti
A dx della linea celeste abbiamo due correnti (che provengono da sx) di 5 mA e 11 mA per un totale di 16 mA.
Ammettiamo che la giunzione base-emettitore del transistor sia in corto circuito.
La corrente di 16 mA si "distribuisce" sul parallelo delle resistenze da 4,7 ohm e 15 ohm che vale circa 2 ohm
la tensione V ai capi del parallelo vale
V = 16 mA * 2 ohm = 32 mV
che e' in buon accordo con la differenza di tensione misurata 30 mV (12,91 - 12,88) tenendo conto della tolleranza delle resistenze, della dispersione delle caratteristiche dei componenti e degli errori di misura.
- I dati in rosso sono misurati
- I dati in celeste sono calcolati o dati dal datasheet dei componenti
A dx della linea celeste abbiamo due correnti (che provengono da sx) di 5 mA e 11 mA per un totale di 16 mA.
Ammettiamo che la giunzione base-emettitore del transistor sia in corto circuito.
La corrente di 16 mA si "distribuisce" sul parallelo delle resistenze da 4,7 ohm e 15 ohm che vale circa 2 ohm
la tensione V ai capi del parallelo vale
V = 16 mA * 2 ohm = 32 mV
che e' in buon accordo con la differenza di tensione misurata 30 mV (12,91 - 12,88) tenendo conto della tolleranza delle resistenze, della dispersione delle caratteristiche dei componenti e degli errori di misura.
24 messaggi
• Pagina 3 di 3 • 1, 2, 3
Chi c’è in linea
Visitano il forum: Nessuno e 74 ospiti

Elettrotecnica e non solo (admin)
Un gatto tra gli elettroni (IsidoroKZ)
Esperienza e simulazioni (g.schgor)
Moleskine di un idraulico (RenzoDF)
Il Blog di ElectroYou (webmaster)
Idee microcontrollate (TardoFreak)
PICcoli grandi PICMicro (Paolino)
Il blog elettrico di carloc (carloc)
DirtEYblooog (dirtydeeds)
Di tutto... un po' (jordan20)
AK47 (lillo)
Esperienze elettroniche (marco438)
Telecomunicazioni musicali (clavicordo)
Automazione ed Elettronica (gustavo)
Direttive per la sicurezza (ErnestoCappelletti)
EYnfo dall'Alaska (mir)
Apriamo il quadro! (attilio)
H7-25 (asdf)
Passione Elettrica (massimob)
Elettroni a spasso (guidob)
Bloguerra (guerra)


