Cos'è ElectroYou | Login Iscriviti

ElectroYou - la comunità dei professionisti del mondo elettrico

Amplificazione Banda Passante

Elettronica lineare e digitale: didattica ed applicazioni

Moderatori: Foto Utentecarloc, Foto Utenteg.schgor, Foto UtenteBrunoValente, Foto UtenteIsidoroKZ

0
voti

[21] Re: Amplificazione Banda Passante

Messaggioda Foto UtenteMarcoD » 15 set 2018, 19:26

Una volta..., a elettronica 1 insegnavano i filtri RC, RL passa alto , passa basso, impedenza serie parallelo.
Solo i controllisti si sfiancavano con poli e zeri
La vita era piu semplice e non si perdeva il contatto con la realtà.
Poi si facevano misure in laboratorio con veri oscilloscopi e generatori di segnali, e si montavano i circuiti con il saldatore a stagno. e si capiva che lo schema elettrico deve essere completo.
O_/
Avatar utente
Foto UtenteMarcoD
12,2k 5 9 13
Master EY
Master EY
 
Messaggi: 6696
Iscritto il: 9 lug 2015, 16:58
Località: Torino

1
voti

[22] Re: Amplificazione Banda Passante

Messaggioda Foto Utentedavicos » 15 set 2018, 19:32

Ecco:



Non capisco il discorso della reattanza. In questo caso come faccio quindi a calcolare tale frequenza?
Avatar utente
Foto Utentedavicos
25 1 7
Frequentatore
Frequentatore
 
Messaggi: 156
Iscritto il: 9 ott 2017, 17:33

0
voti

[23] Re: Amplificazione Banda Passante

Messaggioda Foto UtenteMarkyMark » 15 set 2018, 20:36

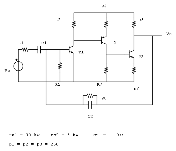
Supponendo che il circuito sia progettato bene e che abbia una banda passante allora vicino alla frequenza di taglio superiore il circuito assomiglia ad un circuito del primo ordine. Questo significa che la frequenza di taglio superiore si può approssimare con la frequenza del polo di C2.
mark
Avatar utente
Foto UtenteMarkyMark
3.422 2 5 6
Master EY
Master EY
 
Messaggi: 518
Iscritto il: 11 giu 2016, 12:01

0
voti

[24] Re: Amplificazione Banda Passante

Messaggioda Foto Utentedavicos » 15 set 2018, 21:25

Sinceramente no, non riesco..
Avatar utente
Foto Utentedavicos
25 1 7
Frequentatore
Frequentatore
 
Messaggi: 156
Iscritto il: 9 ott 2017, 17:33

0
voti

[25] Re: Amplificazione Banda Passante

Messaggioda Foto UtenteMarcoD » 15 set 2018, 21:25

Condivido MarkyMark; detto nello stile dei vecchi raxiotecnici:
La frequenza di taglio superiore è quella per la quale
il guadagno scende a 0,707 il guadagno a centro banda
, che si verifica quando la reattanza di C2 è uguale a R8.
XC2 = 1/(6,28*F*C2)
Il parallelo di XC2 con R8 vale 0,707 R8
O_/
p.s.: hai messo i simboli, ma hai cancellato i valori , almeno inseriscili nella lista componenti .
Disegnare gli schemi elettrici è meno facile di quel che appare !!!! :-)
Avatar utente
Foto UtenteMarcoD
12,2k 5 9 13
Master EY
Master EY
 
Messaggi: 6696
Iscritto il: 9 lug 2015, 16:58
Località: Torino

0
voti

[26] Re: Amplificazione Banda Passante

Messaggioda Foto UtenteMarkyMark » 15 set 2018, 21:32

davicos, per trovare la frequenza del polo bisogna calcolare la resistenza equivalente vista da C2. Ad esempio con un generatore di prova di corrente non è molto lungo da fare.

MarcoD, la tua approssimazione è abbstanza buona. R8 finisce in parallelo a circa 2.5 M\Omega quindi la resistenza equivalente vista da R8 C2 viene poco più bassa di 100 k\Omega :-)
mark
Avatar utente
Foto UtenteMarkyMark
3.422 2 5 6
Master EY
Master EY
 
Messaggi: 518
Iscritto il: 11 giu 2016, 12:01

0
voti

[27] Re: Amplificazione Banda Passante

Messaggioda Foto UtenteMarkyMark » 15 set 2018, 21:40

Suggerimento per il calcolo della Req: conviene togliere R8 e aggiungerla in parallelo alla fine.

Aggiunta: volendo fare le cose per bene bisognerebbe controllare la separabilità delle costanti di tempo per poter stimare la frequenza dei poli visto che i condensatori non sono separati per maglie. Sto dicendo cose che hanno senso? Che metodi usi di solito per calcolare la risposta in frequenza?
mark
Avatar utente
Foto UtenteMarkyMark
3.422 2 5 6
Master EY
Master EY
 
Messaggi: 518
Iscritto il: 11 giu 2016, 12:01

0
voti

[28] Re: Amplificazione Banda Passante

Messaggioda Foto Utentedavicos » 15 set 2018, 22:10

Ci avevo già provato ma non ci riesco. Ho fatto così:
[R1//(R2//Rib)]//R8, con Rib = r\pi1 ma la frequenza alla fine è errata.
Cosa sbaglio?
Avatar utente
Foto Utentedavicos
25 1 7
Frequentatore
Frequentatore
 
Messaggi: 156
Iscritto il: 9 ott 2017, 17:33

0
voti

[29] Re: Amplificazione Banda Passante

Messaggioda Foto UtenteMarkyMark » 15 set 2018, 22:18

Sbagli a guardare solo da un lato di C2. Bisogna applicare la definizione di impedenza usando un generatore di prova e calcolando la risposta oppure se conosci altri metodi (Blackman) va bene uguale.
Guarda anche il post [27] che ho aggiunto un pezzo.
mark
Avatar utente
Foto UtenteMarkyMark
3.422 2 5 6
Master EY
Master EY
 
Messaggi: 518
Iscritto il: 11 giu 2016, 12:01

0
voti

[30] Re: Amplificazione Banda Passante

Messaggioda Foto Utentedavicos » 15 set 2018, 22:23

Sì le ho studiate queste cose, ma ripeto come detto all'inizio della discussione, che questo argomento non l'ho approfondito molto bene e quindi ho sempre dei dubbi.

Proverò con Blackman.. pensavo sarebbe stato meno difficoltoso.

Grazie a tutti per le preziose considerazioni e consigli!
Avatar utente
Foto Utentedavicos
25 1 7
Frequentatore
Frequentatore
 
Messaggi: 156
Iscritto il: 9 ott 2017, 17:33

PrecedenteProssimo

Torna a Elettronica generale

Chi c’è in linea

Visitano il forum: Nessuno e 63 ospiti