@BrunoValente da remoto un pulsante meccanico chi lo preme ?
@donciccio grazie, credo farò qualcosa del genere, ma usando il 555, lo adoro quell'integrato :)
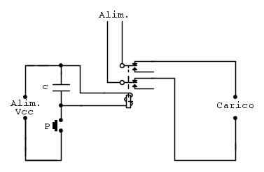
Rele a ritenuta temporanea
Moderatori:
carloc,
g.schgor,
BrunoValente,
IsidoroKZ
43 messaggi
• Pagina 3 di 5 • 1, 2, 3, 4, 5
0
voti
1
voti
attila666 ha scritto:@donciccio grazie, credo farò qualcosa del genere, ma usando il 555, lo adoro quell'integrato :)
puoi benissimo usare il 555,ma ti complichi la vita,perché a te non serve un tempo preciso ma ,come tu stesso hai detto,3-4 secondi di tempo di ritardo prima che le apparecchiature si scolleghino
0
voti
@donciccio dopotutto hai ragione, farò cosi, grazie ancora 
edit-- visto che sei stato cosi disponibile posso chiederti di darmi lo stesso schema ma invece della 220 con alimentazione 5 v 2A ? il rele che deve comandare è un SMI-05VDC-SL-2C e assorbe 144 mA a 35 ohm

edit-- visto che sei stato cosi disponibile posso chiederti di darmi lo stesso schema ma invece della 220 con alimentazione 5 v 2A ? il rele che deve comandare è un SMI-05VDC-SL-2C e assorbe 144 mA a 35 ohm
0
voti
Lo stesso risultato lo puoi ottenere pigiando il pulsante per qualche secondo in più, non vedo la necessità di complicarti la vita.
-

StefanoSunda
2.885 3 6 10 - Master

- Messaggi: 1965
- Iscritto il: 16 set 2010, 19:29
0
voti
attila666 ha scritto: invece della 220 con alimentazione 5 v 2A ? il rele che deve comandare è un SMI-05VDC-SL-2C e assorbe 144 mA a 35 ohm
il rele ha una bassissima impedenza quindi, se non si vogliono mettere condensatori con capacità elevatissime,si deve ricorrere all'aiuto di un transistor:
0
voti
@donciccio sei un grande
@StefanoSunda Grazie del consiglio, ma intuisco che non ti sei letto tutto il tread
@StefanoSunda Grazie del consiglio, ma intuisco che non ti sei letto tutto il tread
0
voti
attila666 ha scritto:@BrunoValente da remoto un pulsante meccanico chi lo preme ?
Ma il relè che vorresti montare mi pare tu abbia comunque intenzione di comandarlo con un pulsante... e allora ti chiedo: il pulsante che comanda il relè chi lo preme?
-

BrunoValente
39,6k 7 11 13 - G.Master EY

- Messaggi: 7796
- Iscritto il: 8 mag 2007, 14:48
0
voti
il relè lo comando da una uscita digitale di un esp8266 (nodemcu, via rete che a sua volta è collegata con un relè) l'ho rappresentato con un pulsante nello schema iniziale per comodità,mi interessava trasmettere sopratutto il concetto, ecco perché ripetevo "da remoto" purtroppo non essendo facilmente accessibile (tutto il sistema) mi sono dovuto (anzi Vi siete
) inventare una soluzione alternativa per un hard reset.
Buona Serata
Buona Serata
0
voti
guarda questo link, forse potrà esserti di aiuto. https://www.electronics-lab.com/project ... 266-board/
-

elektronik
7.800 4 6 7 - Master

- Messaggi: 3836
- Iscritto il: 12 mag 2015, 22:26
0
voti
attila666 ha scritto:il relè lo comando da una uscita digitale di un esp8266
Quindi non hai bisogno di condensatori e compagnia bella ma solo di una riga di codice che implementi un ritardo.
-

PietroBaima
90,7k 7 12 13 - G.Master EY

- Messaggi: 12207
- Iscritto il: 12 ago 2012, 1:20
- Località: Londra
43 messaggi
• Pagina 3 di 5 • 1, 2, 3, 4, 5
Chi c’è in linea
Visitano il forum: Google Adsense [Bot] e 425 ospiti

Elettrotecnica e non solo (admin)
Un gatto tra gli elettroni (IsidoroKZ)
Esperienza e simulazioni (g.schgor)
Moleskine di un idraulico (RenzoDF)
Il Blog di ElectroYou (webmaster)
Idee microcontrollate (TardoFreak)
PICcoli grandi PICMicro (Paolino)
Il blog elettrico di carloc (carloc)
DirtEYblooog (dirtydeeds)
Di tutto... un po' (jordan20)
AK47 (lillo)
Esperienze elettroniche (marco438)
Telecomunicazioni musicali (clavicordo)
Automazione ed Elettronica (gustavo)
Direttive per la sicurezza (ErnestoCappelletti)
EYnfo dall'Alaska (mir)
Apriamo il quadro! (attilio)
H7-25 (asdf)
Passione Elettrica (massimob)
Elettroni a spasso (guidob)
Bloguerra (guerra)





pigreco]=π