setteali ha scritto:
Indicalo sull'immagine della gabbia dove è collegato.
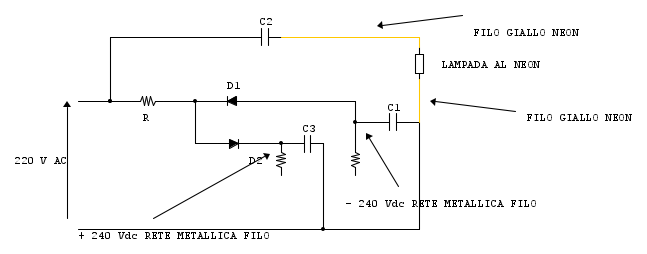
E dopo passiamo allo schema, dovresti mettere i valori dei condensatori e gli altri componenti , segnare le giunzioni dei componenti dove si connettono, in modo da distinguere i collegamenti di passaggio senza connessione, poi puoi provare a vedere se ti riesce fare una disposizione diversa dello schema per renderlo più chiaro.
Lo schema è semplice, ma qualche modifica si può fare e non è male abituarsi a disporre i componenti in modo diverso anche se è uno schema.
Allora per quanto riguarda il neutro tra le due reti che mi hai indicato, ti dico già che non ne ho la più pallida idea. A parte quei due fili volanti che vanno collegati ai due diodi non c'è ne sono altri. Forse si saranno spezzati o non so, quindi li ho indicati che vanno al neutro affinchè all'interno ricircoli corrente. Lo schema l'ho modificato come mi hai chiesto e ho inserito i componenti :
Sul condensatore C3 non c'è la capacità ma è un CBB22. Ho visto dal datasheet catalog che è un condensatore prodotto da due aziende. Ho preso quello della Western Component che mi dice che hanno una capacità che va da 0,01-2micro.
Per quanto riguarda il condensatore C1 e C2 sono due condensatori da 473K 630V, quindi ipotizzo da 47nano.
Volevo chiederti un ultima cosa se possibile. Assodato dai vostri commenti graditissimi che lo schema è questo. Volevo sapere se fosse possibile almeno spiegare cosa fa questo circuito. Ti ringrazio.

Elettrotecnica e non solo (admin)
Un gatto tra gli elettroni (IsidoroKZ)
Esperienza e simulazioni (g.schgor)
Moleskine di un idraulico (RenzoDF)
Il Blog di ElectroYou (webmaster)
Idee microcontrollate (TardoFreak)
PICcoli grandi PICMicro (Paolino)
Il blog elettrico di carloc (carloc)
DirtEYblooog (dirtydeeds)
Di tutto... un po' (jordan20)
AK47 (lillo)
Esperienze elettroniche (marco438)
Telecomunicazioni musicali (clavicordo)
Automazione ed Elettronica (gustavo)
Direttive per la sicurezza (ErnestoCappelletti)
EYnfo dall'Alaska (mir)
Apriamo il quadro! (attilio)
H7-25 (asdf)
Passione Elettrica (massimob)
Elettroni a spasso (guidob)
Bloguerra (guerra)













