A mio parere il resistore tra base e emitter è sempre utile, può non servire ma speculare su un resistore mi sembra inutile. Con questo resitore spegni il transistore in modo corretto, poi non è detto che la cosa ti interessi.
Se la porta del microcontrollore va in tristate non sai cosa può succedere al transistore.
Dal mio punto di vista è sempre meglio progettare un circuito robusto, le speculazioni terra terra come in questo caso spesso sono dannose, poi ognuno è libero di fare come crede.
Stefano
Pilotare transistor PNP e conseguenti dissipazioni
Moderatori:
carloc,
g.schgor,
BrunoValente,
IsidoroKZ
0
voti
stefanodelfiore ha scritto:A mio parere il resistore tra base e emitter è sempre utile, può non servire ma speculare su un resistore mi sembra inutile. Con questo resitore spegni il transistore in modo corretto, poi non è detto che la cosa ti interessi.
Se la porta del microcontrollore va in tristate non sai cosa può succedere al transistore.
Dal mio punto di vista è sempre meglio progettare un circuito robusto, le speculazioni terra terra come in questo caso spesso sono dannose, poi ognuno è libero di fare come crede.
Stefano
Giusto per fare chiarezza, dato che mi sto confondendo..
Ora provo a calcolarla, e poi mi fai sapere se ho fatto giusto.
Intanto, la Rb é corretta?
0
voti
Scusa solo una domanda AleEl, con Rb che resistori intendi?
-

stefanodelfiore
1.673 3 8 - Master

- Messaggi: 569
- Iscritto il: 28 mar 2009, 20:15
- Località: Bologna
0
voti
stefanodelfiore ha scritto:Scusa solo una domanda AleEl, con Rb che resistori intendi?
La resistenza di base, che va tra il digitale di Arduino e la base del transistor
Pardon ma non ne vengo a capo..
0
voti
Ho capito. A quale frequenza lavora il tuo circuito o meglio le commutazioni sono una volta ogni tanto oppure sono a una frequenza ben definita?
Stefano
Stefano
-

stefanodelfiore
1.673 3 8 - Master

- Messaggi: 569
- Iscritto il: 28 mar 2009, 20:15
- Località: Bologna
0
voti
stefanodelfiore ha scritto:Ho capito. A quale frequenza lavora il tuo circuito o meglio le commutazioni sono una volta ogni tanto oppure sono a una frequenza ben definita?
Stefano
Frequenza di Arduino, 500Hz circa
0
voti
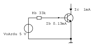
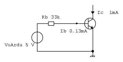
Schema con sola rb
Se metti una sola resistenza Rb tra il pin di arduino e il transistor e non metti Rbe il conto è veloce:
VoArdu la tensione in uscita - Cautelativamente la ipotizziamo 4.5V
ib=Ic/10= 1/10=0.1mA
Vbe dai grafici per Ic = 1mA -> Vbe= 0.6 - 0.65 V
Rb=(VoArdu -Vbe ) / Ib = (4.5 -0.65 )/ 0.1= 38.5 kohm per stare comunque piu tranquilli la metterei da 33Kohm
Verifichiamo la corrente di base che in condizioni normali sarebbe:
Ib=(VoArdu -Vbe ) / rb =(4.95-0.6)/33= 0.131mA
Dopo ti rifaccio il conto di come si calcola con Rb e Rbe.
Ciao
Se metti una sola resistenza Rb tra il pin di arduino e il transistor e non metti Rbe il conto è veloce:
VoArdu la tensione in uscita - Cautelativamente la ipotizziamo 4.5V
ib=Ic/10= 1/10=0.1mA
Vbe dai grafici per Ic = 1mA -> Vbe= 0.6 - 0.65 V
Rb=(VoArdu -Vbe ) / Ib = (4.5 -0.65 )/ 0.1= 38.5 kohm per stare comunque piu tranquilli la metterei da 33Kohm
Verifichiamo la corrente di base che in condizioni normali sarebbe:
Ib=(VoArdu -Vbe ) / rb =(4.95-0.6)/33= 0.131mA
Dopo ti rifaccio il conto di come si calcola con Rb e Rbe.
Ciao
600 Elettra
1
voti
Schema con sola Rb + Rbe
Dati di partenza:
VoArdu la tensione in uscita - Cautelativamente la ipotizziamo 4.5V
ib=Ic/10= 1/10=0.1mA
Vbe dai grafici per Ic = 1mA -> Vbe= 0.6 - 0.65 V
Ipotizzo che la corrente IRbe sia 4 volte Ib -> Irbe =(0.1x4) = 0.4mA
Osservando il circuito in Rb passa la somma delle correnti Rb e Rbe
Quindi calcolo Rb
Rb=(VoArdu -Vbe ) / (Ib+IRbe) = (4.5 -0.65 )/ (0.1+0.4)= 7.7 kohm
per stare comunque piu tranquilli la metterei da 6.8 kohm
Verifichiamo la corrente di base con la resistenza commerciale:
IRb=(VoArdu -Vbe ) / rb = (4.5-0.65)/6.8 = 0.566mA
Ora Calcolo Rbe
so che IRbe è 4volte Ib
Trovo IRb = IRbe + Ib = 4Ib +Ib = 5Ib
Trovo Ib = Irb/5 = 0.56 /5 = 0.113 mA
TrovoIRbe = (Ib x 4) 0.11 x 4 = 0.452 mA
Trovo Rbe = (Vbe/IRbe)= (0.65/0.452) =1.44 kohm
per stare comunque piu tranquilli la metterei da 1.5 kohm
Ecco fatto Spero di essere stato comprensibile.
P.S. ho visto ora che la frequenza di pilotaggio è di ben 500 Hz.
Ora fare commutare a un mosfet 10A su 48V a 500Hz non è banale.
Che caratteristiche ha il carico?
Se è molto induttivo potrebbe non resistere un solo mosfet si scalderebbe troppo e andrebbe calcolata una rete di snubber.
Probabilmente in questo caso la rbe serve per fare passare piu velocemente il transistore dalla fase on alla fase off e viceversa.
Probabilmente le resistenze di pilotaggio del mosfet vanno diminuite di valore ...
Diciamo che stavamo progettando una bici da passeggio e ora ci siamo accorti che ti serve una moto da enduro.
Ciao
Dati di partenza:
VoArdu la tensione in uscita - Cautelativamente la ipotizziamo 4.5V
ib=Ic/10= 1/10=0.1mA
Vbe dai grafici per Ic = 1mA -> Vbe= 0.6 - 0.65 V
Ipotizzo che la corrente IRbe sia 4 volte Ib -> Irbe =(0.1x4) = 0.4mA
Osservando il circuito in Rb passa la somma delle correnti Rb e Rbe
Quindi calcolo Rb
Rb=(VoArdu -Vbe ) / (Ib+IRbe) = (4.5 -0.65 )/ (0.1+0.4)= 7.7 kohm
per stare comunque piu tranquilli la metterei da 6.8 kohm
Verifichiamo la corrente di base con la resistenza commerciale:
IRb=(VoArdu -Vbe ) / rb = (4.5-0.65)/6.8 = 0.566mA
Ora Calcolo Rbe
so che IRbe è 4volte Ib
Trovo IRb = IRbe + Ib = 4Ib +Ib = 5Ib
Trovo Ib = Irb/5 = 0.56 /5 = 0.113 mA
TrovoIRbe = (Ib x 4) 0.11 x 4 = 0.452 mA
Trovo Rbe = (Vbe/IRbe)= (0.65/0.452) =1.44 kohm
per stare comunque piu tranquilli la metterei da 1.5 kohm
Ecco fatto Spero di essere stato comprensibile.
P.S. ho visto ora che la frequenza di pilotaggio è di ben 500 Hz.
Ora fare commutare a un mosfet 10A su 48V a 500Hz non è banale.
Che caratteristiche ha il carico?
Se è molto induttivo potrebbe non resistere un solo mosfet si scalderebbe troppo e andrebbe calcolata una rete di snubber.
Probabilmente in questo caso la rbe serve per fare passare piu velocemente il transistore dalla fase on alla fase off e viceversa.
Probabilmente le resistenze di pilotaggio del mosfet vanno diminuite di valore ...
Diciamo che stavamo progettando una bici da passeggio e ora ci siamo accorti che ti serve una moto da enduro.
Ciao
600 Elettra
0
voti
stefanopc ha scritto:Ecco fatto Spero di essere stato comprensibile.
Al 100%, grazie mille.
stefanopc ha scritto:P.S. ho visto ora che la frequenza di pilotaggio è di ben 500 Hz.
Ora fare commutare a un mosfet 10A su 48V a 500Hz non è banale.
Che caratteristiche ha il carico?
Se è molto induttivo potrebbe non resistere un solo mosfet si scalderebbe troppo e andrebbe calcolata una rete di snubber.
Non sono 10 Ampere ma massimo 4, al 90% quasi sempre 3.
Che poi, se vogliamo esser precisi, al momento della commutazione gli ampere sono 0: la corrente inizia a scorrere solo ed esclusivamente quando il mosfet ha chiuso completamente il carico, avendo quindi 5 volt sul transistor.
Scusatemi se non ho specificato, non ci ho pensato.
Comunque, la situazione é questa:
Arduino effettua un soft-start pilotando in PWM il transistor, andando da 0 a 100% in circa 2 secondi circa.
Solo dopo essere arrivato al 100%, nel mosfet inizia a scorrere una corrente.
Chiedo di nuovo scusa per non averlo precisato, tuttavia mi era completamente passato di mente
Chi c’è in linea
Visitano il forum: Nessuno e 167 ospiti

Elettrotecnica e non solo (admin)
Un gatto tra gli elettroni (IsidoroKZ)
Esperienza e simulazioni (g.schgor)
Moleskine di un idraulico (RenzoDF)
Il Blog di ElectroYou (webmaster)
Idee microcontrollate (TardoFreak)
PICcoli grandi PICMicro (Paolino)
Il blog elettrico di carloc (carloc)
DirtEYblooog (dirtydeeds)
Di tutto... un po' (jordan20)
AK47 (lillo)
Esperienze elettroniche (marco438)
Telecomunicazioni musicali (clavicordo)
Automazione ed Elettronica (gustavo)
Direttive per la sicurezza (ErnestoCappelletti)
EYnfo dall'Alaska (mir)
Apriamo il quadro! (attilio)
H7-25 (asdf)
Passione Elettrica (massimob)
Elettroni a spasso (guidob)
Bloguerra (guerra)




