Cos'è ElectroYou | Login Iscriviti

ElectroYou - la comunità dei professionisti del mondo elettrico

Traslatore di tensione

Elettronica lineare e digitale: didattica ed applicazioni

Moderatori: Foto Utentecarloc, Foto Utenteg.schgor, Foto UtenteBrunoValente, Foto UtenteIsidoroKZ

1
voti

[21] Re: Traslatore di tensione

Messaggioda Foto Utenteboiler » 27 ott 2020, 14:53

IsidoroKZ ha scritto:bisogna saperlo compensare visto che è instabile con noise gain minore di 10.

Anche questo l'avevo scritto quando l'avevo proposto ;-)
Avatar utente
Foto Utenteboiler
26,4k 5 9 13
G.Master EY
G.Master EY
 
Messaggi: 5613
Iscritto il: 9 nov 2011, 12:27

0
voti

[22] Re: Traslatore di tensione

Messaggioda Foto Utentestefanopc » 27 ott 2020, 14:58

Perché probabilmente ci sarà il seguente problema...
300px-Crossover_distortion.png
300px-Crossover_distortion.png (12.22 KiB) Osservato 3522 volte

Anche prolungando la reazione sulla uscita potrebbe non essere stabile o avere delle autosciillazioni per valori vicino allo zero.
Poi non è protetto in corrente e tanto meno per sovratemperatura ne contiene i diodi di ricircolo per proteggere lo stadio di potenza.
Meglio compensare l'operazionale a mio avviso o trovare comunque una soluzione integrata già pensata allo scopo.
Rimango del mio parere.
Ultima modifica di Foto Utentestefanopc il 27 ott 2020, 15:06, modificato 1 volta in totale.
600 Elettra
Avatar utente
Foto Utentestefanopc
13,3k 5 9 13
Master EY
Master EY
 
Messaggi: 5567
Iscritto il: 4 ago 2020, 9:11

0
voti

[23] Re: Traslatore di tensione

Messaggioda Foto UtenteIsidoroKZ » 27 ott 2020, 15:01

Hai un'idea buffa dela retroazione negativa e del progetto dei buffer! E non consideri i gradienti di temperatura nel silicio degli operazioni di potenza.
Per usare proficuamente un simulatore, bisogna sapere molta più elettronica di lui
Plug it in - it works better!
Il 555 sta all'elettronica come Arduino all'informatica! (entrambi loro malgrado)
Se volete risposte rispondete a tutte le mie domande
Avatar utente
Foto UtenteIsidoroKZ
121,2k 1 3 8
G.Master EY
G.Master EY
 
Messaggi: 21059
Iscritto il: 17 ott 2009, 0:00

0
voti

[24] Re: Traslatore di tensione

Messaggioda Foto UtenteBrunoValente » 27 ott 2020, 20:05

Avatar utente
Foto UtenteBrunoValente
39,6k 7 11 13
G.Master EY
G.Master EY
 
Messaggi: 7796
Iscritto il: 8 mag 2007, 14:48

0
voti

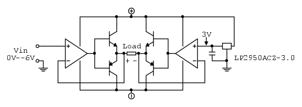
[25] Re: Traslatore di tensione

Messaggioda Foto Utentemaxmix69 » 27 ott 2020, 20:15

A occhio e croce funziona, ma va alimentato a tensione duale... Ne stavo studiando uno a tensione singola, ma necessita di una quindicina di volt per funzionare. Pubblico lo schema di principio, nel frattempo me lo studio meglio.
Avatar utente
Foto Utentemaxmix69
172 1 2 5
Stabilizzato
Stabilizzato
 
Messaggi: 379
Iscritto il: 6 lug 2013, 20:18

0
voti

[26] Re: Traslatore di tensione

Messaggioda Foto Utentemaxmix69 » 27 ott 2020, 20:36

Ecco qui.
La resistenza R5 è lo strumento da far muovere.
Le tensioni V1 e V3 devono essere stabilizzate, magari ognuna con un TL431 e relativo trimmer di taratura (oppure resistenze di precisione). Si possono derivare dall'alimentazione principale, la quale non serve stabilizzata ma deve essere sufficientemente alta per permettere il necessario swing di uscita.
Verosimilmente utilizzando operazionali di potenza o amplificatori audio adatti ad essere alimentati a tensione singola si può ridurre la tensione di alimentazione, forse fino a circa 8V. Ovviamente vanno ridotte pure le tensioni di riferimento.
Se lo schema interessa lo sviluppo con componenti reali, diversamente basta così.

convertitore.JPG
Avatar utente
Foto Utentemaxmix69
172 1 2 5
Stabilizzato
Stabilizzato
 
Messaggi: 379
Iscritto il: 6 lug 2013, 20:18

0
voti

[27] Re: Traslatore di tensione

Messaggioda Foto UtenteIsidoroKZ » 27 ott 2020, 20:40

Idea complicata! Se si fa un ponte a singola alimentazione progettato bene (che vuol dire ampli che in uscita possano arrivare a 0V), basta un'alimentazione a 5V.

Non e` necessario che entrambi gli amplificatori lavorino in opposizione di fase, basta che uno stia con l'uscita a livello di ground e l'altro deve pilotare fino a 3V.
Per usare proficuamente un simulatore, bisogna sapere molta più elettronica di lui
Plug it in - it works better!
Il 555 sta all'elettronica come Arduino all'informatica! (entrambi loro malgrado)
Se volete risposte rispondete a tutte le mie domande
Avatar utente
Foto UtenteIsidoroKZ
121,2k 1 3 8
G.Master EY
G.Master EY
 
Messaggi: 21059
Iscritto il: 17 ott 2009, 0:00

0
voti

[28] Re: Traslatore di tensione

Messaggioda Foto Utentestefanopc » 27 ott 2020, 21:24

Infatti U2 è fisso a 9V.
Non è in opposizione di fase
Ultima modifica di Foto Utentestefanopc il 27 ott 2020, 21:40, modificato 1 volta in totale.
600 Elettra
Avatar utente
Foto Utentestefanopc
13,3k 5 9 13
Master EY
Master EY
 
Messaggi: 5567
Iscritto il: 4 ago 2020, 9:11

0
voti

[29] Re: Traslatore di tensione

Messaggioda Foto UtenteIsidoroKZ » 27 ott 2020, 21:33

Non serve portare uno dei due lati a 9V fissi. Li si mette entrambi a 0V e si alza solo il lato che serve. Alimentazione richiesta 5V!
Per usare proficuamente un simulatore, bisogna sapere molta più elettronica di lui
Plug it in - it works better!
Il 555 sta all'elettronica come Arduino all'informatica! (entrambi loro malgrado)
Se volete risposte rispondete a tutte le mie domande
Avatar utente
Foto UtenteIsidoroKZ
121,2k 1 3 8
G.Master EY
G.Master EY
 
Messaggi: 21059
Iscritto il: 17 ott 2009, 0:00

0
voti

[30] Re: Traslatore di tensione

Messaggioda Foto UtenteMarcoD » 27 ott 2020, 21:41

Non ho seguito con attenzione gli ultimi messaggi, ma mi pare che trascurate che il galvanometro è a zero
centrale pilotato da -0,5 a +0,5 A corrispondenti a da -3 a +3 V.
Avatar utente
Foto UtenteMarcoD
12,2k 5 9 13
Master EY
Master EY
 
Messaggi: 6696
Iscritto il: 9 lug 2015, 16:58
Località: Torino

PrecedenteProssimo

Torna a Elettronica generale

Chi c’è in linea

Visitano il forum: Nessuno e 179 ospiti