Commutatore stadio d'ingresso Preampli
Moderatori:
carloc,
g.schgor,
BrunoValente,
IsidoroKZ
0
voti
Ma sono tutti in uno scantinato, ordinatamente imballati dentro dei contenitori di cartone, mai tolti ma soltanto guardati aprendo un lato delle scatole. Non so quando lo farò, di tempo libero ne ho poco.
1
voti
Elidur ha scritto:...ordinatamente imballati dentro dei contenitori di cartone...
Mi hai messo curiosità!
Se quello che funziona basta non lo tocca' sennò te lassa!
0
voti
1
voti
Elidur ha scritto:Permetti una precisazioneDarwinNE, ma questa continua da dove dovrebbe arrivare? Dal pin 9 dell'integrato SN76131?
Verifica quello e verifica anche le uscite dei circuiti che vi sono connessi tramite il commutatore.
Quando le due parti dei circuito sono scollegate dev'esserci esattamente la stessa tensione continua dalle due parti rispetto al riferimento. Altrimenti quando le colleghi insieme senti un botto.
Follow me on Mastodon: @davbucci@mastodon.sdf.org
-

DarwinNE
31,0k 7 11 13 - G.Master EY

- Messaggi: 4420
- Iscritto il: 18 apr 2010, 9:32
- Località: Grenoble - France
4
voti
Se hai disponibile una tensione duale potresti anche provare a farlo così
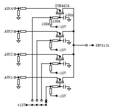
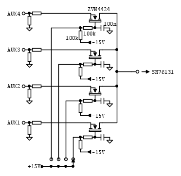
Il mosfet ZVN4424 ha una resistenza ON di 4-5ohm e sopporta tensioni alte anche tra G e S (40V), quindi non avresti problemi a pilotarlo con tensioni di +15V e -15V
Il mosfet ZVN4424 ha una resistenza ON di 4-5ohm e sopporta tensioni alte anche tra G e S (40V), quindi non avresti problemi a pilotarlo con tensioni di +15V e -15V
-

BrunoValente
39,6k 7 11 13 - G.Master EY

- Messaggi: 7796
- Iscritto il: 8 mag 2007, 14:48
1
voti
Elidur ha scritto:Mi dispiace, sapendo avrei evitato...
Non fa nulla!
BrunoValente ha scritto:Se hai disponibile...
Geniale!
Se quello che funziona basta non lo tocca' sennò te lassa!
1
voti
Grazie
DarwinNE, purtroppo non sono sicuro di avere capito completamente l’intervento.
Dovrei prima verificare se c’è una tensione continua tra l’ingresso (pin9) dell’integrato e riferimento? Se così fosse potrei misurare senza problemi ma l’altra prova che suggerisci non la capisco. Prova a rivedere lo schema postato in [11], è brutto da vedersi ma è fedele al numero di componenti e ai collegamenti.
Intendi dire che potrebbe esserci della continua anche se le resistenze non sono collegate al pin 9? E da dove potrebbe provenire una continua se le resistenze non sono collegate all’IC ma soltanto ai plug e al riferimento? Purtroppo ho dimenticato di scrivere il numero di pin dell’IC ma è l’unico pin del disegno che ha un collegamento con il commutatore. Eventualmente potrei scrivere i valori è pubblicare una versione migliorata dello schema.
Grazie anche a
BrunoValente.
Una tensione duale non sarebbe un problema ma non sono sicuro che sarà possibile riutilizzare il commutatore dato che canali da commutare sarebbero due. Forse potrebbe non essere indispensabile sostituirlo solo se i -15V fossero comuni per tutti i mosfet e per i due canali, mentre sarebbero da commutare soltanto i +15V, sempre che la mia ipotesi sia tecnicamente sensata.
Però vorrei porti un quesito: ma il circuito che hai schematizzato non è strutturalmente molto simile al circuito del CD4066 ma con tensione duale anziché singola? Vado a memoria perché non trovo più lo schema interno dell’integrato, quel che ricordo bene è soltanto la presenza di mosfet.
abusivo, ti chiedo di avere pazienza, quando arriverà il momento di andare a curiosare più a fondo farò senz’altro delle fotografie. Il locale contiene troppe cianfrusaglie che col trascorrere del tempo sono state collocate davanti alle scatole interessate e dovrei quindi anche spostare altri contenitori. 
Dovrei prima verificare se c’è una tensione continua tra l’ingresso (pin9) dell’integrato e riferimento? Se così fosse potrei misurare senza problemi ma l’altra prova che suggerisci non la capisco. Prova a rivedere lo schema postato in [11], è brutto da vedersi ma è fedele al numero di componenti e ai collegamenti.
Intendi dire che potrebbe esserci della continua anche se le resistenze non sono collegate al pin 9? E da dove potrebbe provenire una continua se le resistenze non sono collegate all’IC ma soltanto ai plug e al riferimento? Purtroppo ho dimenticato di scrivere il numero di pin dell’IC ma è l’unico pin del disegno che ha un collegamento con il commutatore. Eventualmente potrei scrivere i valori è pubblicare una versione migliorata dello schema.
Grazie anche a
Una tensione duale non sarebbe un problema ma non sono sicuro che sarà possibile riutilizzare il commutatore dato che canali da commutare sarebbero due. Forse potrebbe non essere indispensabile sostituirlo solo se i -15V fossero comuni per tutti i mosfet e per i due canali, mentre sarebbero da commutare soltanto i +15V, sempre che la mia ipotesi sia tecnicamente sensata.
Però vorrei porti un quesito: ma il circuito che hai schematizzato non è strutturalmente molto simile al circuito del CD4066 ma con tensione duale anziché singola? Vado a memoria perché non trovo più lo schema interno dell’integrato, quel che ricordo bene è soltanto la presenza di mosfet.

1
voti
Elidur ha scritto:...abusivo, ti chiedo di avere pazienza...
La mia era solo una curiosità personale e non ti devi sentire in obbligo di fare nulla!
Qualora volessi postare qualche foto nell'apposito thread, nei modi e nei tempi che ritieni ideali, ti ringrazio anticipatamente a nome di tutto il forum.
FINE OT
Se quello che funziona basta non lo tocca' sennò te lassa!
1
voti
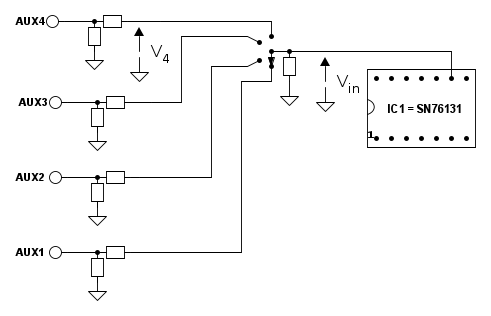
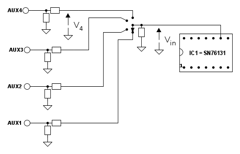
Fai la misura con un voltmetro DC di V4 e di Vin con il selettore su Aux1:
Puoi riportare qui i risultati, per favore?
Potrebbe essere interessante vedere anche le altre tensioni sugli altri ingressi.
Puoi riportare qui i risultati, per favore?
Potrebbe essere interessante vedere anche le altre tensioni sugli altri ingressi.
Follow me on Mastodon: @davbucci@mastodon.sdf.org
-

DarwinNE
31,0k 7 11 13 - G.Master EY

- Messaggi: 4420
- Iscritto il: 18 apr 2010, 9:32
- Località: Grenoble - France
0
voti
Ok DarvinNE, adesso è tutto chiaro. La cosa migliore a questo punto è rilevare tutte le tensioni con le varie commutazioni ma non dovrebbe esserci niente salvo per l'ingresso dell'integrato (ma ipotizzo perché per il momento non lo so) se poi ci fosse tensione con le commutazioni a vuoto significherebbe che c'è qualche collegamento errato, almeno stando allo schema...
Ok anche ad Abusivo, m'impegno a mantenere la parola. Magari non di tutto ma di quello più facile da estrarre...
Ok anche ad Abusivo, m'impegno a mantenere la parola. Magari non di tutto ma di quello più facile da estrarre...
Chi c’è in linea
Visitano il forum: Nessuno e 87 ospiti

Elettrotecnica e non solo (admin)
Un gatto tra gli elettroni (IsidoroKZ)
Esperienza e simulazioni (g.schgor)
Moleskine di un idraulico (RenzoDF)
Il Blog di ElectroYou (webmaster)
Idee microcontrollate (TardoFreak)
PICcoli grandi PICMicro (Paolino)
Il blog elettrico di carloc (carloc)
DirtEYblooog (dirtydeeds)
Di tutto... un po' (jordan20)
AK47 (lillo)
Esperienze elettroniche (marco438)
Telecomunicazioni musicali (clavicordo)
Automazione ed Elettronica (gustavo)
Direttive per la sicurezza (ErnestoCappelletti)
EYnfo dall'Alaska (mir)
Apriamo il quadro! (attilio)
H7-25 (asdf)
Passione Elettrica (massimob)
Elettroni a spasso (guidob)
Bloguerra (guerra)




