Impiantino solare casalingo...
Moderatori:
carloc,
g.schgor,
BrunoValente,
IsidoroKZ
1
voti
Le soglie di tensione costituiscono un criterio abbastanza valido per un caricabatteria, e dico solo abbastanza perché sicuramente oggi esisterà qualcosa di meglio, bastando pensare che un comune smartphone indica con continuità la percentuale di carica e non sbaglia. Invece, se noi abbiamo una batteria collegata al carico, le soglie di tensione costituiscono un criterio abbastanza dubbio in relazione alle variazioni combinate del carico e dello stato della batteria, di carica e non. Comunque, se si tratta solo di anticipare l'intervento di una simile protezione, potrebbe funzionare.
0
voti
Ciao
EcoTan, hai capito i termini sostanziali del problema.
La situazione descritta da Elidur potrà non essere ottimale ma è chiara e anche logica; se ha già tutto il materiale e gli manca soltanto l’automatismo per commutare da una “fonte” all'altra, è ovvio che l’unica parte che al momento lo interessi possa essere quella che manca. Ha precisato anche che il rendimento del pannello è scarso, causa posizione non ottimale, è quindi prevedibile oltre che comprensibile che sia cosciente di doversi accontentare. La batteria durerà poco? Possibile, ma nel frattempo utilizza quella che ha. Una buona giornata EcoTan.
La situazione descritta da Elidur potrà non essere ottimale ma è chiara e anche logica; se ha già tutto il materiale e gli manca soltanto l’automatismo per commutare da una “fonte” all'altra, è ovvio che l’unica parte che al momento lo interessi possa essere quella che manca. Ha precisato anche che il rendimento del pannello è scarso, causa posizione non ottimale, è quindi prevedibile oltre che comprensibile che sia cosciente di doversi accontentare. La batteria durerà poco? Possibile, ma nel frattempo utilizza quella che ha. Una buona giornata EcoTan.
-

gianniniivo
9.045 7 11 13 - No Rank
- Messaggi: 2875
- Iscritto il: 5 feb 2019, 23:50
0
voti
Io la vedrei in questo modo.
Il pannello non ha una buona esposizione.
La batteria non è particolarmente indicata per questo utilizzo.
Per tutelare al meglio la riuscita del mio progetto non impiego il solito comparatore visto che su due componenti ho già delle carenze e mi devo accontentare.
Per il controllo adotto un sistema con cui posso misurare l'energia prodotta e quella consumata e decidere in funzione di questo rapporto quando caricare e quando scaricare.
Cioè io punterei a migliorarlo non accontentandomi almeno su uno dei componenti.
Ciao
Il pannello non ha una buona esposizione.
La batteria non è particolarmente indicata per questo utilizzo.
Per tutelare al meglio la riuscita del mio progetto non impiego il solito comparatore visto che su due componenti ho già delle carenze e mi devo accontentare.
Per il controllo adotto un sistema con cui posso misurare l'energia prodotta e quella consumata e decidere in funzione di questo rapporto quando caricare e quando scaricare.
Cioè io punterei a migliorarlo non accontentandomi almeno su uno dei componenti.
Ciao
600 Elettra
0
voti
Gianniniivo, credevo che lo schema per un circuitino di commutazione a due soglie sarebbe stato facile da realizzare per molti dei partecipanti del forum e invece…
Per il tuo schema proverò a ragionarci su. Non avevo pensato ad un circuito con il 555 e oltretutto non sapevo dell’esistenza di quello schema su EY. Ho visto la data e lo hai realizzato mentre ero ancora in Inghilterra. Appena possibile aggiornerò la discussione.
Grazie a tutti per l'aiuto.
0
voti
Elidur ha scritto:Gianniniivo, credevo che lo schema per un circuitino di commutazione a due soglie sarebbe stato facile da realizzare per molti dei partecipanti del forum e invece…
Il punto è che forse agli altri non va di farlo (a me non va per esempio). Poi non ho capito se la commutazione deve avvenire in bassa tensione o sulla 230.
Comunque se hai trovato un circuito ad opamp e il problema è l’alimentazione duale con un opamp aggiuntivo ti crei un riferimento virtuale e risolvi
https://swehacker.com/?p=403
0
voti
Ma non basta il classico comparatore con isteresi ? (anche se l'isteresi dovrebbe essere parecchia, credo si possa comunque fare)
EDIT: tipo un banale LM311 con una controreazione positiva, e magari un trimmer sulla controreazione per poterla adattare alla necessita' ?
EDIT: tipo un banale LM311 con una controreazione positiva, e magari un trimmer sulla controreazione per poterla adattare alla necessita' ?
"Sopravvivere" e' attualmente l'unico lusso che la maggior parte dei Cittadini italiani,
sia pure a costo di enormi sacrifici, riesce ancora a permettersi.
sia pure a costo di enormi sacrifici, riesce ancora a permettersi.
-

Etemenanki
9.527 3 6 10 - Master

- Messaggi: 5951
- Iscritto il: 2 apr 2021, 23:42
- Località: Dalle parti di un grande lago ... :)
1
voti
Elidur ha scritto:continuerò a cercare uno schema che faccia quella commutazione. Il problema è che quel poco che ho trovato funzionava con operazionali e l’ho dovuto scartare perché richiedeva tensione duale.
[cut]
credevo che lo schema per un circuitino di commutazione a due soglie sarebbe stato facile da realizzare per molti dei partecipanti del forum
Ho due interpretazioni sulla mancanza di "progettazione" del circuito che richiedi da parte dei "partecipanti del forum".
a) nessuno vuole progettare la forca con cui ti vuoi impiccare
b) nessuno vuole reinventare l'acqua calda: quello che chiedi e' un controllore Bang-Bang
A te la scelta
Trovi un regolatore Bang-Bang in un unico integrato che funziona con una tensione di alimentazione da 2.8V a 16V e un assorbimento di 1.5 uW (microwatt).
Vedi LTC1041
https://www.analog.com/media/en/technic ... 1041fa.pdf
1
voti
Vedo dagli interventi che leggo che tutti hanno una buona ragione per dissentire ma tale ragione si fonda prevalentemente sul dettaglio che ognuno elegge al meglio, trascurando quasi da parte di tutti l’insieme e le finalità del circuito da realizzare.
Cosa dovrà dire d’altro il povero Elidur per far capire che l’insieme ha i connotati di un esperimento, magari anche migliorabile ma eventualmente a tempo debito? Sulle batterie al piombo ricordo le parole di Edgar quando ha definito tali accumulatori “di bocca buona” e personalmente ne condivido il senso, soprattutto se si valutano oggettivamente e globalmente le intenzioni e le descrizioni dell’autore della discussione.
Elidur, circa le attese di veder proposti uno o più schemi potenzialmente funzionanti, mah, cosa ti posso dire d'altro… Le intelligenze in grado di realizzare un simile schema nel giro di mezz'ora sono ancora presenti in questo Forum ma sono cambiati i tempi e non solo quelli. Se la tua richiesta di aiuto fosse arrivata 4 o 5 anni fa ci sarebbe stata una gara per aiutarti ma alcuni soggetti non ci sono più, alcuni sono morti, altri hanno abbandonato il Forum e non credo che costoro fossero i peggiori. Ma eviterei di andare oltre su questo argomento perché è divisivo e sicuramente esula dall'oggetto della discussione, dammi retta, e se qualcuno insite ignoralo.
Fammi sapere cosa ne pensi dello schema che ti ho proposto. Ho fondati motivi per ritenere che sia facilmente adattabile, è praticamente completo, non è un mero suggerimento astratto o un bozzetto. Per il momento, non è arrivato niente di meglio, qualche battutina arrogante o sinistra espressione... Poi vedi tu.
Cosa dovrà dire d’altro il povero Elidur per far capire che l’insieme ha i connotati di un esperimento, magari anche migliorabile ma eventualmente a tempo debito? Sulle batterie al piombo ricordo le parole di Edgar quando ha definito tali accumulatori “di bocca buona” e personalmente ne condivido il senso, soprattutto se si valutano oggettivamente e globalmente le intenzioni e le descrizioni dell’autore della discussione.
Fammi sapere cosa ne pensi dello schema che ti ho proposto. Ho fondati motivi per ritenere che sia facilmente adattabile, è praticamente completo, non è un mero suggerimento astratto o un bozzetto. Per il momento, non è arrivato niente di meglio, qualche battutina arrogante o sinistra espressione... Poi vedi tu.
-

gianniniivo
9.045 7 11 13 - No Rank
- Messaggi: 2875
- Iscritto il: 5 feb 2019, 23:50
2
voti
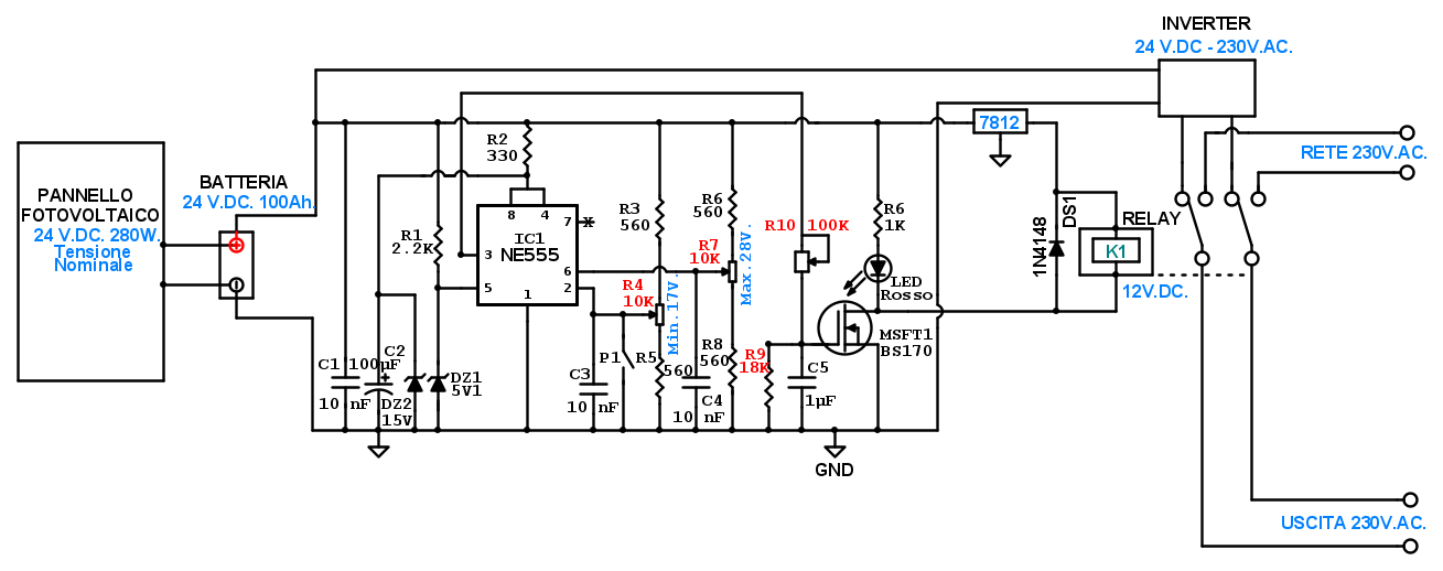
Buona sera, quanti interventi, grazie.
Vado subito al dunque.
Ivo ho cercato di utilizzare il tuo schema e ti ringrazio, sperando di non aver combinato pasticci. Ditemelo se ho sbagliato.
Nell’immediato non potrò provarlo e approfitto per fare un paio di domande su alcuni componenti.
Il mosfet è indispensabile? Che vantaggio produce nel circuito?
Il valore dei componenti di polarizzazione del mosfet, compreso il trimmer R10, sono tassativi?
Il pulsante P1?
Ho previsto un relè da 12V.DC. per avere certezza di uno scatto rapido perché un relè da 24 V potrebbe ricevere un’alimentazione insufficiente.
Ho rinumerato anche i componenti.
Le tensioni che appaiono di fianco ai trimmer R4 e R7 sono ipotetiche perché sarebbe da verificare se mentre il pannello fotovoltaico carica la batteria sarà in grado di arrivare ad erogare una tensione di 28V. Oltre al consumo residuo della batteria prossima alla carica completa, sarà da valutare anche il consumo passivo introdotto dal regolatore e dall’inverter a vuoto. L’inverter a vuoto consuma una correte di 0,5A.
Per il momento è tutto, allego lo schema.
Vado subito al dunque.
Ivo ho cercato di utilizzare il tuo schema e ti ringrazio, sperando di non aver combinato pasticci. Ditemelo se ho sbagliato.
Nell’immediato non potrò provarlo e approfitto per fare un paio di domande su alcuni componenti.
Il mosfet è indispensabile? Che vantaggio produce nel circuito?
Il valore dei componenti di polarizzazione del mosfet, compreso il trimmer R10, sono tassativi?
Il pulsante P1?
Ho previsto un relè da 12V.DC. per avere certezza di uno scatto rapido perché un relè da 24 V potrebbe ricevere un’alimentazione insufficiente.
Ho rinumerato anche i componenti.
Le tensioni che appaiono di fianco ai trimmer R4 e R7 sono ipotetiche perché sarebbe da verificare se mentre il pannello fotovoltaico carica la batteria sarà in grado di arrivare ad erogare una tensione di 28V. Oltre al consumo residuo della batteria prossima alla carica completa, sarà da valutare anche il consumo passivo introdotto dal regolatore e dall’inverter a vuoto. L’inverter a vuoto consuma una correte di 0,5A.
Per il momento è tutto, allego lo schema.
1
voti
gianniniivo ha scritto:... qualche battutina arrogante o sinistra espressione... .
Non da me, i miei suggerimenti erano in buona fede.
> Elidur: dovresti mettere almeno i due condensatori sul regolatore a 12V per evitare la possibile autooscillazione (due normali ceramici fra i 100n ed i 330n vanno piu che bene, saldati il piu vicino possibile al regolatore, o perfino sui suoi terminali se e' montato volante su un dissipatore, cosa che presumo dato che anche se alimenta solo il rele', deve "eliminare" 12V, con ovvia dissipazione in calore), inoltre nello schema vedo il pannello collegato direttamente alla batteria, spero che nella realta' ci sia un regolatore di carica li in mezzo, altrimenti fai presto a friggerla (letteralmente, dal pannello a 12V 150W nominali che ho installato io, ad esempio, in pieno sole escono piu di 18V
EDIT: oppure se nelle prove scaldasse troppo potresti sostituirlo con una di quelle schedine DC-DC converter da pochi Euro che ormai vendono dappertutto, tipo queste o simili https://www.ebay.it/itm/303877262910
"Sopravvivere" e' attualmente l'unico lusso che la maggior parte dei Cittadini italiani,
sia pure a costo di enormi sacrifici, riesce ancora a permettersi.
sia pure a costo di enormi sacrifici, riesce ancora a permettersi.
-

Etemenanki
9.527 3 6 10 - Master

- Messaggi: 5951
- Iscritto il: 2 apr 2021, 23:42
- Località: Dalle parti di un grande lago ... :)
Chi c’è in linea
Visitano il forum: Nessuno e 186 ospiti

Elettrotecnica e non solo (admin)
Un gatto tra gli elettroni (IsidoroKZ)
Esperienza e simulazioni (g.schgor)
Moleskine di un idraulico (RenzoDF)
Il Blog di ElectroYou (webmaster)
Idee microcontrollate (TardoFreak)
PICcoli grandi PICMicro (Paolino)
Il blog elettrico di carloc (carloc)
DirtEYblooog (dirtydeeds)
Di tutto... un po' (jordan20)
AK47 (lillo)
Esperienze elettroniche (marco438)
Telecomunicazioni musicali (clavicordo)
Automazione ed Elettronica (gustavo)
Direttive per la sicurezza (ErnestoCappelletti)
EYnfo dall'Alaska (mir)
Apriamo il quadro! (attilio)
H7-25 (asdf)
Passione Elettrica (massimob)
Elettroni a spasso (guidob)
Bloguerra (guerra)









