Il mio circuito ha un selettore che commuta delle resistenze che determinano in sinergia con il potenziometro R6 l’erogazione massima di corrente ad una tensione prestabilita. Se si commuta il selettore sui 20V, e si collega un alimentatore regolato per 20V, è possibile far assorbire linearmente al carico una corrente che va da 0 a 20A. Se riduci la tensione dell’alimentatore a 10V senza toccare il selettore, la corrente massima si dimezzerà e sarà regolabile più o meno da 0 a 10A e così via per tutte le tensioni commutabili. I valori di tensione prestabiliti mediante il commutatore (che ho dimenticato di nominare) sono state calcolate per avere sempre la possibilità di garantire un’escursione di corrente da 0 a 20A a quelle tensioni, eccezion fatta per la tensione di 80V dove la corrente è stata limitata da 0 a 10A.
Il pilota è un signor Darlington da 150V di VCE. E un hFE di 5000 non è facile da migliorare ma non impossibile.
https://alltransistors.com/transistor.p ... stor=17632
Se hai proposte fatti avanti; sono pronto a testarle ma cerca di non farmi accantonare uno stadio finale da 1500W. Forse non saranno effettivi per via del dissipatore provvisorio ma ci andiamo vicini.
Reostato di potenza elettronico
Moderatori:
carloc,
g.schgor,
BrunoValente,
IsidoroKZ
0
voti
A questo punto le strategie sono 2.
A) Tieni tutto così.
Il carico fa quanto ti occorre.
B) Provi a cambiare lo stadio pilota con il circuito con operazionale.
Quando ho in attimo provo a disegnare lo schema che è praticamente lo stesso del messaggio n 11.
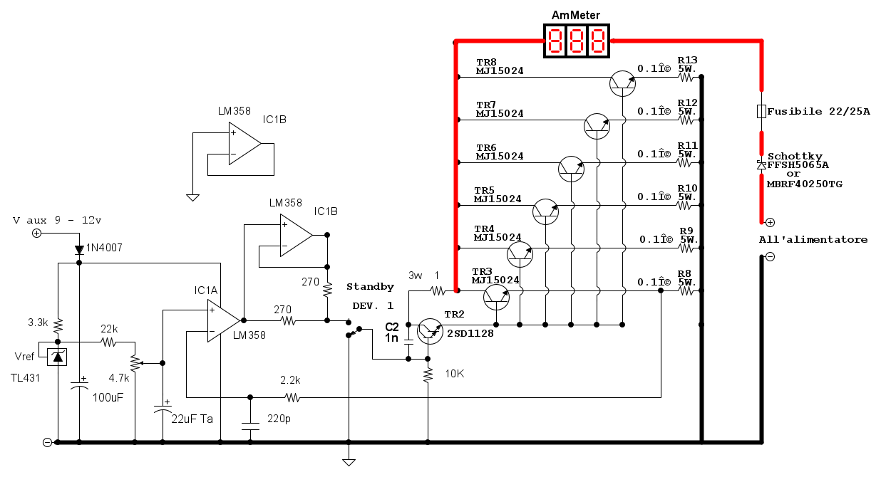
Questa versione minimale ha solo un potenziometro.
Regoli la corrente da zero in su.
La corrente rimane costante al variare della tensione (nei limiti consentiti dal circuito composto da alimentatore in prova e carico variabile ).
Riguardo il prefinale 2SD1128 la VCB0 massima è di 150V ma la VCE0 è di soli 100 V.
Il costruttore non si è molto sprecato nemmeno a controllare che lo stesso parametro in una pagina è indicato a 150V e nell'altra 100V.
Dato che di solito la VCE0 è minore della VCB0 cautelativamente meglio considerare il valore minore.
Grafici vari come hFE in funzione di Ic, che sarebbe interessante avere per capire come si comporta il compone, non si trovano.
Ciao
A) Tieni tutto così.
Il carico fa quanto ti occorre.
B) Provi a cambiare lo stadio pilota con il circuito con operazionale.
Quando ho in attimo provo a disegnare lo schema che è praticamente lo stesso del messaggio n 11.
Questa versione minimale ha solo un potenziometro.
Regoli la corrente da zero in su.
La corrente rimane costante al variare della tensione (nei limiti consentiti dal circuito composto da alimentatore in prova e carico variabile ).
Riguardo il prefinale 2SD1128 la VCB0 massima è di 150V ma la VCE0 è di soli 100 V.
Il costruttore non si è molto sprecato nemmeno a controllare che lo stesso parametro in una pagina è indicato a 150V e nell'altra 100V.
Dato che di solito la VCE0 è minore della VCB0 cautelativamente meglio considerare il valore minore.
Grafici vari come hFE in funzione di Ic, che sarebbe interessante avere per capire come si comporta il compone, non si trovano.
Ciao
600 Elettra
0
voti
Va bene, non sono sicuro di aver completamente compreso quale sia la differenza in termini di risultato. Bruno aveva sollevato possibili eccezioni riferite però ai finali.
Comunque, se lo stadio finale rimane il mio non ci sono problemi per sostituire il mio regolatore con un altro regolatore ad integrato; in fin dei conti son pochi componenti. Se fossero componenti che dispongo, eseguo il tutto in un'ora al massimo.
Ok, rimango in attesa...
Comunque, se lo stadio finale rimane il mio non ci sono problemi per sostituire il mio regolatore con un altro regolatore ad integrato; in fin dei conti son pochi componenti. Se fossero componenti che dispongo, eseguo il tutto in un'ora al massimo.
Ok, rimango in attesa...

-

gianniniivo
9.045 7 11 13 - No Rank
- Messaggi: 2875
- Iscritto il: 5 feb 2019, 23:50
1
voti
Ecco una prima versione modificata.
Avrei voluto fare qualche prova su basetta bread board ma oggi non sono troppo in forma.
Come operazionale potresti utilizzare il Lm358 con buffer (ho disegnato entrambe le possibilita di connessione dell'amplificatore B connesso come buffer o inutilizzato ) se occorre molta corrente in uscita o senza.
Altrimenti si potrebbe usare per prova il Ca3140 che pero non ha la stessa corrente di uscita e potrebbe non arrivare a 20A.
Allo stesso modo il valore della resistenza base di 270 Ohm è da verificare se va bene ed eventualmente si puo abbassare fino a 100 ohm anche con un solo operazionale.
E' giusto una versione sperimentale (da provare) per capire se la cosa ti puo essere congeniale.
Per cominciare l'amplificatore B potresti lasciarlo inutilizzato e collegarlo come disegnato in alto.
Ciao
Avrei voluto fare qualche prova su basetta bread board ma oggi non sono troppo in forma.
Come operazionale potresti utilizzare il Lm358 con buffer (ho disegnato entrambe le possibilita di connessione dell'amplificatore B connesso come buffer o inutilizzato ) se occorre molta corrente in uscita o senza.
Altrimenti si potrebbe usare per prova il Ca3140 che pero non ha la stessa corrente di uscita e potrebbe non arrivare a 20A.
Allo stesso modo il valore della resistenza base di 270 Ohm è da verificare se va bene ed eventualmente si puo abbassare fino a 100 ohm anche con un solo operazionale.
E' giusto una versione sperimentale (da provare) per capire se la cosa ti puo essere congeniale.
Per cominciare l'amplificatore B potresti lasciarlo inutilizzato e collegarlo come disegnato in alto.
Ciao
600 Elettra
0
voti
Va bene, si può provare. Ma per essere sicuro di aver capito chiedo: il circuito si può provare anche senza IC1B ed eventualmente aggiungerlo successivamente se il primo non basta? Sai a spanne quanto consumerà il circuito di controllo regolazione?
-

gianniniivo
9.045 7 11 13 - No Rank
- Messaggi: 2875
- Iscritto il: 5 feb 2019, 23:50
0
voti
Va bene provo, grazie. Domani ti saprò dire qualcosa di più preciso...
-

gianniniivo
9.045 7 11 13 - No Rank
- Messaggi: 2875
- Iscritto il: 5 feb 2019, 23:50
1
voti
Il buffer non serve, la corrente che serve in base al darlington è minima, quindi IC1B andrebbe tolto.
Comunque fatto in quel modo mi pare che oscilli, serve compensarlo.
Per la compensazione toglierei il condensatore da 220pF che mi pare sia deleterio ai fini della stabilità e ne aggiungerei uno da qualche decina di nF tra uscita e ingresso invertente di IC1A.
Inoltre porterei a 0.33ohm il valore dei resistori in serie agli emettitori dei finali, così la caduta con 20A salirebbe a circa 1.1V contro gli attuali 0.37V che mi sembrano pochi per una regolazione decente e ridurrei il valore della R da 22k a 5.8k per alimentare il potenziometro a circa 1.1V
Comunque fatto in quel modo mi pare che oscilli, serve compensarlo.
Per la compensazione toglierei il condensatore da 220pF che mi pare sia deleterio ai fini della stabilità e ne aggiungerei uno da qualche decina di nF tra uscita e ingresso invertente di IC1A.
Inoltre porterei a 0.33ohm il valore dei resistori in serie agli emettitori dei finali, così la caduta con 20A salirebbe a circa 1.1V contro gli attuali 0.37V che mi sembrano pochi per una regolazione decente e ridurrei il valore della R da 22k a 5.8k per alimentare il potenziometro a circa 1.1V
-

BrunoValente
39,6k 7 11 13 - G.Master EY

- Messaggi: 7796
- Iscritto il: 8 mag 2007, 14:48
0
voti
Ciao Bruno, grazie per l'intervento.
Il circuito l'ho già assemblato e provato e ne ho realizzate due copie, solo per quanto riguarda il regolatore, dato che lo stadio finale è sempre lo stesso scollegato dall'alimentatore.
Potrei lasciare intatta una basetta ma potrei modificare l'altra. Quanto alle resistenze di equalizzazione dovrei averle, adesso controllo; i test, in questa fase, è ancora possibili realizzarli con facilità.
Devo precisare però che dalle prime prove non ho riscontrato problemi. Stavo scrivendo un testo ma a seguito del tuo intervento preferisco sospendere lo scritto e ritornare al cablaggio.
Cerco i componenti, modifico, provo poi ne riparliamo.
Edit:
Il buffer non è stato utilizzato, in effetti si è rivelato inutile...
Il circuito l'ho già assemblato e provato e ne ho realizzate due copie, solo per quanto riguarda il regolatore, dato che lo stadio finale è sempre lo stesso scollegato dall'alimentatore.
Potrei lasciare intatta una basetta ma potrei modificare l'altra. Quanto alle resistenze di equalizzazione dovrei averle, adesso controllo; i test, in questa fase, è ancora possibili realizzarli con facilità.
Devo precisare però che dalle prime prove non ho riscontrato problemi. Stavo scrivendo un testo ma a seguito del tuo intervento preferisco sospendere lo scritto e ritornare al cablaggio.
Cerco i componenti, modifico, provo poi ne riparliamo.

Edit:
Il buffer non è stato utilizzato, in effetti si è rivelato inutile...
-

gianniniivo
9.045 7 11 13 - No Rank
- Messaggi: 2875
- Iscritto il: 5 feb 2019, 23:50
0
voti
Anche io volevo suggerirti di aumentare le resistenze di emettitore ma solo dopo i primi risultati positivi.
Almeno si potrebbero raddoppiare, potresti mettere due da 0.1 Ohm in serie nel caso non avessi quelle da 0.33.
Il buffer doppio se non serve è meglio .
Eventualmente il secondo amplificatore si può utilizzare per disaccoppiare la tensione di riferimento o per implementare qualche altra funzione di controllo del carico.
Ad esempio accendere una ventola quando il dissipatore si scalda oltre una certa temperatura.
Altrimenti sempre oltre una certa temperatura accendere un led e limitare la corrente prima che i finali vadano arrosto.
Basterebbe una ntc e pochi altri componenti.
Ciao
Almeno si potrebbero raddoppiare, potresti mettere due da 0.1 Ohm in serie nel caso non avessi quelle da 0.33.
Il buffer doppio se non serve è meglio .
Eventualmente il secondo amplificatore si può utilizzare per disaccoppiare la tensione di riferimento o per implementare qualche altra funzione di controllo del carico.
Ad esempio accendere una ventola quando il dissipatore si scalda oltre una certa temperatura.
Altrimenti sempre oltre una certa temperatura accendere un led e limitare la corrente prima che i finali vadano arrosto.
Basterebbe una ntc e pochi altri componenti.
Ciao
600 Elettra
Chi c’è in linea
Visitano il forum: Nessuno e 161 ospiti

Elettrotecnica e non solo (admin)
Un gatto tra gli elettroni (IsidoroKZ)
Esperienza e simulazioni (g.schgor)
Moleskine di un idraulico (RenzoDF)
Il Blog di ElectroYou (webmaster)
Idee microcontrollate (TardoFreak)
PICcoli grandi PICMicro (Paolino)
Il blog elettrico di carloc (carloc)
DirtEYblooog (dirtydeeds)
Di tutto... un po' (jordan20)
AK47 (lillo)
Esperienze elettroniche (marco438)
Telecomunicazioni musicali (clavicordo)
Automazione ed Elettronica (gustavo)
Direttive per la sicurezza (ErnestoCappelletti)
EYnfo dall'Alaska (mir)
Apriamo il quadro! (attilio)
H7-25 (asdf)
Passione Elettrica (massimob)
Elettroni a spasso (guidob)
Bloguerra (guerra)

