Con un'automobile così anziana, secondo me è opportuno verificare bene anche le condizioni del galleggiante del serbatoio carburante
Solitamente, i voltmetri (et similia) elettromeccanici funzionano senza problemi particolari, il loro limite è la precisione che, soprattutto su un'auto, è messa a dura prova da polvere, umidità e vibrazioni
I galleggianti dei serbatoi non se la passano meglio e spesso tendono ad arrugginirsi e diventare inaffidabili come, del resto, il serbatoio che immagino sia di lamiera
Spia Riserva Carburante
Moderatori:
carloc,
g.schgor,
BrunoValente,
IsidoroKZ
0
voti
Max2433BO ha scritto:Forse, sostituendo le due resistenze con un semplice potenziometro dasi può evitare anche di dimensionare R1
Max
Ciao Max.
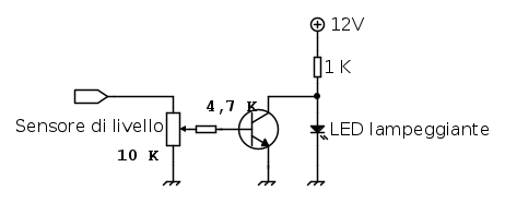
Ma cosa fa il sensore di livello? Oppure, come faccio a provare il circuito dal "banco" senza dover armeggiare sul veicolo?
0
voti
Su un'auto come la Dyane, il sensore di livello è costituito da un galleggiante a cui è attaccato un potenziometro a filo, quindi dovrebbe esserci in uscita una tensione variabile tra 0,qualcosa e 12 V, anzi la tensione max è quella della batteria, quindi almeno 13,2 V
0
voti
Povero transistor!!Elidur ha scritto:Ah ok.
Quindi per provarlo basta collegare un alimentatore al potenziometro?
Grazie
-

BrunoValente
39,6k 7 11 13 - G.Master EY

- Messaggi: 7796
- Iscritto il: 8 mag 2007, 14:48
0
voti
Ciao
BrunoValente, come faccio a provare i circuiti? Immagino che il problema sia lo stesso per il circuito con il LM741 di
Max2433BO ?!
Ultima modifica di
Elidur il 9 mar 2023, 15:23, modificato 1 volta in totale.
0
voti
Elidur ha scritto:Quindi per provarlo basta collegare un alimentatore al potenziometro?
L'alimentatore ok ma a scanso di fritti misti meglio una cosa del genere
0
voti
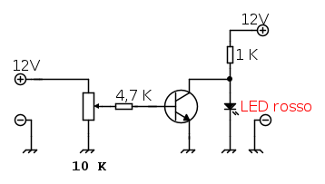
Per provarlo ho fatto come segue ma funziona male:
Il led si accende solo se il potenziometro è a zero ma come lo si gira di un niente il led si spegne. Ho provato anche a portare a 1k il potenziometro ma il risultato è sempre lo stesso.
Forse dovrei ridurre la tensione prima del potenziometro per emulare la sonda ma non so quali valori di tensione siano necessari. Non credo che i valori siano uguali per tutti i veicoli.
Il led si accende solo se il potenziometro è a zero ma come lo si gira di un niente il led si spegne. Ho provato anche a portare a 1k il potenziometro ma il risultato è sempre lo stesso.
Forse dovrei ridurre la tensione prima del potenziometro per emulare la sonda ma non so quali valori di tensione siano necessari. Non credo che i valori siano uguali per tutti i veicoli.
0
voti
Il potenziometro da 10K dovrebbe simulare il resistore a filo sul galleggiante, io proverei a metterne uno da pochi ohm, 10 ad esempio
Eventualmente, se la corrente di base fosse troppo elevata, aumentare quella da 4,7K a 10K
Eventualmente, se la corrente di base fosse troppo elevata, aumentare quella da 4,7K a 10K
Chi c’è in linea
Visitano il forum: Nessuno e 173 ospiti

Elettrotecnica e non solo (admin)
Un gatto tra gli elettroni (IsidoroKZ)
Esperienza e simulazioni (g.schgor)
Moleskine di un idraulico (RenzoDF)
Il Blog di ElectroYou (webmaster)
Idee microcontrollate (TardoFreak)
PICcoli grandi PICMicro (Paolino)
Il blog elettrico di carloc (carloc)
DirtEYblooog (dirtydeeds)
Di tutto... un po' (jordan20)
AK47 (lillo)
Esperienze elettroniche (marco438)
Telecomunicazioni musicali (clavicordo)
Automazione ed Elettronica (gustavo)
Direttive per la sicurezza (ErnestoCappelletti)
EYnfo dall'Alaska (mir)
Apriamo il quadro! (attilio)
H7-25 (asdf)
Passione Elettrica (massimob)
Elettroni a spasso (guidob)
Bloguerra (guerra)
si può evitare anche di dimensionare R1
Max




