Regolatore ventole
Moderatori:
carloc,
g.schgor,
BrunoValente,
IsidoroKZ
36 messaggi
• Pagina 3 di 4 • 1, 2, 3, 4
1
voti
Il problema di rotazione della ventola, come ho già detto, dipende molto dall'alimentazione. Ho anch'io quel circuitino e se lo alimenti a 12V come dice il costruttore allora la ventola tende a fermarsi in assenza di temperatura. Se vuoi proprio essere sicuro di fermarla ti tocca agire su qualche resistore fisso o minimamente sul trimmer. Il problema è che poi la ventola ti gira sottoalimentata e non raggiungerò mai la massima velocità. I BJT in darlington introducono nella tensione di uscita una caduta quasi 1,5V.
-

corneliofallaci
1.470 1 4 7 - Stabilizzato

- Messaggi: 314
- Iscritto il: 10 mag 2018, 18:43
1
voti
Tensione di alimentazione (13.7V non sono 12V, soprattutto in lineare senza feedback)
Specifiche ventola (è a 3 pin ?)
Grafico RPM/Temperatura o %alimentazione/temperatura (0%@20° 50%@50° 100%@100°)
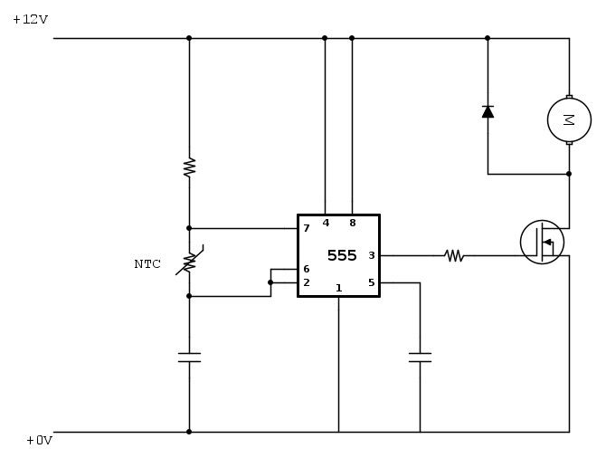
In base a questi parametri potrebbe andare bene anche un circuito tipo questo:
Lavorando in commutazione le perdite sul transistor sono molto più contenute, ma se sono veramente 30mA e non 200/250 come una ventola da PC direi che si può anche rimanere in lineare
con un NE556 otterresti anche una frequenza fissa di pilotaggio, ma mia proposta è estremamente cruda ma con un BOM ridicolo
Non escluderei anche un ATiny, li puoi fare tutte le curve che vuoi anche a zig zag

0
voti
Devo fare una precisazione e una correzione: le mie ventole sono a due pin (almeno quelle utilizzate fino ad ora ma ne ho anche a 3 pin). La tensione di alimentazione in ingresso al circuito di regolazione è fissa a 13,7V. La temperatura al momento non sono in grado di rilevarla e la corrente di targa delle ventole è 300mA e non 30mA. Chiedo scusa per l'errore di battitura. 
P.s.
Il transistor finale scalda e si fatica ad appoggiargli le dita quando la ventola gira alla minima velocità.
P.s.
Il transistor finale scalda e si fatica ad appoggiargli le dita quando la ventola gira alla minima velocità.
Ultima modifica di
jumpi il 24 mar 2024, 11:04, modificato 1 volta in totale.
0
voti
jumpi ha scritto:La temperatura al momento non sono in grado di rilevarla e la corrente di targa delle ventole è 300mA e non 30mA.
Lavorare in switching ha senso, non indispensabile ma ti risparmi il transistor rovente
più la ventola gira piano più il transistor scalda, la sua dissipazione è W = Vce * Iventola
Comunque che curva di risposta ti serve ? Anche indicativa
0%@X°
50%@Y°
100@Z°
Spenta sotto X accesa sopra
ecc...

0
voti
Si tratta di un alimentatore switching da 60V 20A fissi acquistato qualche anno fa ma che non ho mai utilizzato per la rumorosità delle ventoline che utilizza per il raffreddamento e che partono subito anche a freddo. L'intenzione è quella di sostituire le ventoline con una ventola da 120mm e che inizi a girare quando occorre e non a freddo. Uno dei problemi è che non avendo mai utilizzato l'alimentatore non sono in grado di indicare temperature. Così a spanne ipotizzerei uno stop se la temperatura scende sotto i 30 gradi ma la butto li.
1
voti
Ho provato a sostituire, la NTC originale con una da 70K (ho trovato quella) e alimentando il circuito a 14V la ventola rimane ferma. Credo che il valore sia troppo alto e andrebbe diminuito, avendo più valori NTC da provare. Non ho modo di testare in modo visualizzabile la temperatura, e per testare il circuito ho dovuto avvicinare il saldatore alla NTC (dopo averla protetta con uno strato di alluminio in foglio) quindi non posso sapere quali sono le soglie di intervento. L’unica certezza è che dopo che la ventola ha raggiunto una buona velocità si è regolarmente fermata a seguito del raffreddamento della NTC.
Confermo che anche il finale del mio circuito scalda parecchio durante la rotazione minima della ventola.
Confermo che anche il finale del mio circuito scalda parecchio durante la rotazione minima della ventola.
-

corneliofallaci
1.470 1 4 7 - Stabilizzato

- Messaggi: 314
- Iscritto il: 10 mag 2018, 18:43
1
voti
Certo, Link DS NE555
Come puoi vedere a pagina 8 in configurazione astabile i tempi sono determinati da Ra e Rb (e C)
se sostituisci Rb con una NTC cosa succede ai tempi al variare della temperatura?
è un circuito con moltre criticità tra cui la variazione di Th legata alla NTC e la variazione della frequenza di lavoro anch'essa legata alla NTC, difficoltà a scendere sotto un certo DT (min 50%) o a salire oltre un certo DT.
Con C = 0.1 uF R1 100k e una NTC da 100k@25° ottieni
@25° 66% DT 4.8khz
@50° 80% DT 9khz
@80° 90 % DT 12kz
giocando con i valori puoi ottenere dei compromessi intermedi
se l'obbiettivo è una bom minima (escudendo i uC), è una soluzione. si potrebbe escludere anche il condensatore sul pin 5 e la resistenza di gate a fare gli estremisti
Io preferirei quella con astabile + monostabile (2*Ne555 o 1 * Ne556)
Se ti serve che sotto i 30° la ventola sia spenta non va bene.
Per l'esigenza dell'alimentatore io farei 2 soglie. sotto i 30° off, tra 30 e 50 al 50% e sopra al massimo, con un po' di isteresi in mezzo

Come puoi vedere a pagina 8 in configurazione astabile i tempi sono determinati da Ra e Rb (e C)
se sostituisci Rb con una NTC cosa succede ai tempi al variare della temperatura?
è un circuito con moltre criticità tra cui la variazione di Th legata alla NTC e la variazione della frequenza di lavoro anch'essa legata alla NTC, difficoltà a scendere sotto un certo DT (min 50%) o a salire oltre un certo DT.
Con C = 0.1 uF R1 100k e una NTC da 100k@25° ottieni
@25° 66% DT 4.8khz
@50° 80% DT 9khz
@80° 90 % DT 12kz
giocando con i valori puoi ottenere dei compromessi intermedi
se l'obbiettivo è una bom minima (escudendo i uC), è una soluzione. si potrebbe escludere anche il condensatore sul pin 5 e la resistenza di gate a fare gli estremisti
Io preferirei quella con astabile + monostabile (2*Ne555 o 1 * Ne556)
Se ti serve che sotto i 30° la ventola sia spenta non va bene.
Per l'esigenza dell'alimentatore io farei 2 soglie. sotto i 30° off, tra 30 e 50 al 50% e sopra al massimo, con un po' di isteresi in mezzo

0
voti
Grazie
ThEnGi, ho letto il datasheet ma mi sa che c’è da tribolare un po’ col saldatore e collegamento all'alimentatore per trovare i valori giusti. Purtroppo questi lavori li posso fare a tempo perso e ne ho poco. Per guadagnare tempo ho trovato questo che mi sembra possa funzionare anche se dalla descrizione ci ho capito poco ma se non altro è già fatto e credo si tratterà di trovare solo il giusto settaggio.
Potrebbe andare? Costa anche poco.
Potrebbe andare? Costa anche poco.
36 messaggi
• Pagina 3 di 4 • 1, 2, 3, 4
Chi c’è in linea
Visitano il forum: Majestic-12 [Bot] e 163 ospiti

Elettrotecnica e non solo (admin)
Un gatto tra gli elettroni (IsidoroKZ)
Esperienza e simulazioni (g.schgor)
Moleskine di un idraulico (RenzoDF)
Il Blog di ElectroYou (webmaster)
Idee microcontrollate (TardoFreak)
PICcoli grandi PICMicro (Paolino)
Il blog elettrico di carloc (carloc)
DirtEYblooog (dirtydeeds)
Di tutto... un po' (jordan20)
AK47 (lillo)
Esperienze elettroniche (marco438)
Telecomunicazioni musicali (clavicordo)
Automazione ed Elettronica (gustavo)
Direttive per la sicurezza (ErnestoCappelletti)
EYnfo dall'Alaska (mir)
Apriamo il quadro! (attilio)
H7-25 (asdf)
Passione Elettrica (massimob)
Elettroni a spasso (guidob)
Bloguerra (guerra)



