Distribuzione energia elettrica con un solo conduttore
Moderatori:
carloc,
g.schgor,
BrunoValente,
IsidoroKZ
0
voti
Scusate la domanda banale: ma il fatto che la Terra o il mare venga usato come conduttore dell'elettrodotto non comporta problemi elettrici di varia natura (isolamento, folgorazione ecc.)
1
voti
stefanopc ha scritto:Vicino agli utenti sul palo è collocato un trasformatore monofase che trasforma la MT in BT.
https://en.m.wikipedia.org/wiki/File:Si ... r-d335.jpg
C'è un'imprecisione nella descrizione dell'immagine.
Quello è un trasformatore canadese, il sistema usato non è SWER, si tratta di una distribuzione monofase (spesso a 7200 V) con neutro. Il neutro è il cavo d'acciaio nudo che si vede appena sotto il trasformatore e funge da neutro sia per lato primario che per quello a bassa tensione. Ad intervalli regolari il neutro è messo a terra (si vede la discesa semi-nascosta dietro al palo).
Ai fini della divulgazione non cambia nulla, ma tecnicamente quella foto non mostra un'installazione SWER.
In Canada è un sistema poco diffuso, usato solo in posti ultra-remoti.
Si vede per esempio con Google StreetView:
53.490494338054006, -104.33637359889062 (trasformatore su palo)
53.49151762439545, -104.33644648497055 (palo ben visibile con, dall'altro al basso, primario, sistema a due fasi 120/240V, fibra ottica).
Si tratta di un paesino di 15 abitanti in mezzo al nulla.
La foto su Wikipedia è invece stata fatta alla periferia di Hamilton.
Boiler
0
voti
boiler ha scritto:Quello è un trasformatore canadese, il sistema usato non è SWER, si tratta di una distribuzione monofase (spesso a 7200 V) con neutro. Il neutro è il cavo d'acciaio nudo che si vede appena sotto il trasformatore e funge da neutro sia per lato primario che per quello a bassa tensione. Ad intervalli regolari il neutro è messo a terra (si vede la discesa semi-nascosta dietro al palo).
Ok, quindi in questo caso la distribuzione non e' trifase ma monofase con cavo dedicato di fase e di neutro messo a terra ad intervalli regolari.
Quindi questo non e' un esempio di sistema di distribuzione con un solo conduttore (tipo l'elettrodotto 200 kV DC di cui nei post precedenti).
0
voti
cianfa72 ha scritto:Ok, quindi in questo caso la distribuzione non e' trifase ma monofase con cavo dedicato di fase e di neutro messo a terra ad intervalli regolari.
La linea in partenza è trifase, poi viene suddivisa nelle sue singole fasi a dipendenza del fabbisogno.
Quindi questo non e' un esempio di sistema di distribuzione con un solo conduttore (tipo l'elettrodotto 200 kV DC di cui nei post precedenti).
No
Boiler
0
voti
https://commons.m.wikimedia.org/wiki/Fi ... bution.svg
Qui si può vedere uno schema di principio del sistema SWER.
In questo caso vi è un trasformatore monofase in partenza e un ulteriore trasformatore nei pressi di ogni punto di utenza.
Ciao
Qui si può vedere uno schema di principio del sistema SWER.
In questo caso vi è un trasformatore monofase in partenza e un ulteriore trasformatore nei pressi di ogni punto di utenza.
Ciao
600 Elettra
4
voti
lillo ha scritto:ricordo, ma molto vagamente, che la connessione HVDC con Corsica e Sardegna, prevede il ritorno attraverso il mare
Ciao
ricordi bene!
se ne era parlato anche qui; diversi elettrodotti sottomarini in corrente continua, in Italia, impiegano il mare come "conduttore" per il ritorno della corrente, per mezzo di elettrodi marini o costieri:
- il collegamento Sardegna - Corsica - Italia (200 kV - 1500 A), nel normale esercizio, lavora in monopolare con ritorno marino, con elettrodi a Punta Tramontana (anodo), La Torraccia (catodo) e in Corsica (bidirezionale).
- il collegamento Italia-Grecia (400 kV - 1250 A), nel normale esercizio, lavora in monopolare con ritorno marino, con catodo in Italia e anodo in Grecia (al confine con Albania).
- Il collegamento Italia - Montenegro (500 kV - 1200 A), nel normale esercizio, lavora in monopolare marino, con anodo in Montenegro e catodo in Italia.
- Il collegamento Italia - Sardegna SAPEI (+/- 500 kV - 1000 A), così come i futuri collegamenti Sardegna-Sicilia- Campania (+/- 500 kV - 1000 A) e Abruzzo / Marche, lavora normalmente in modalità bipolare ma, in caso di manutenzione o guasti, può lavorare continuativamente con ritorno marino.
L'acqua marina ha una bassa resistività (circa 0.2 Ωm nel mar Mediterraneo), quindi gli elettrodi marini risultano una soluzione decisamente preferibile rispetto ad un cavo isolato di ritorno metallico.
Anche lontano dal mare, all'esterno, si utilizza il terreno come conduttore di ritorno di impianti HVDC, tramite (maestosi) elettrodi terrestri. Ad esempio, il collegamento HVDC Rio Madeira in Brasile, con +/-600 kV e circa 3500 A di corrente nel funzionamento monopolare:
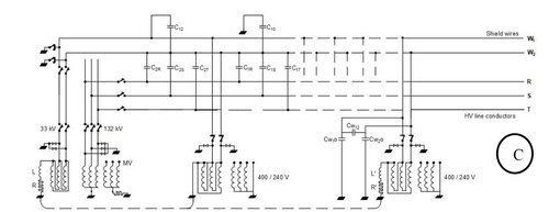
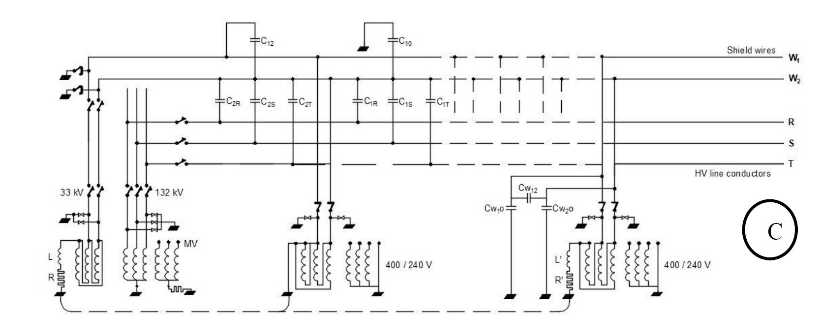
Per la distribuzione, oltre al già citato sistema monofase SWER, vale la pena ricordare il sistema trifase a due conduttori, con il terreno a svolgere il ruolo di terzo conduttore di fase, introdotto dal prof. Iliceto ed ampiamente utilizzato per l'elettrificazione rurale tramite funi di guardia in paesi in via di sviluppo:
https://www.ajol.info/index.php/tjs/art ... 552/205170
0
voti
Con tutta questa potenza che attraversa terreni ed acque marine chissà se Tesla avrebbe trovato modo di ..... prelevarne
K
K
-

Kagliostro
6.401 4 5 7 - Master

- Messaggi: 4832
- Iscritto il: 19 set 2012, 11:32
0
voti
@fpalone scusami ma non capisco l'immagine che hai postato per il collegamento HVDC Rio Madeira. Mi vuoi dire che quello in foto e' un gigantesco elettrodo terrestre?
1
voti
fpalone ha scritto:Per la distribuzione, oltre al già citato sistema monofase SWER, vale la pena ricordare il sistema trifase a due conduttori, con il terreno a svolgere il ruolo di terzo conduttore di fase...
Mi diceva un amico che aveva montato impianti industriali in nord Corea, che la` il trifase era distribuito con due conduttori piu` terra, ma questo dava problemi notevoli alle macchine specie in caso di temporali.
Per usare proficuamente un simulatore, bisogna sapere molta più elettronica di lui
Plug it in - it works better!
Il 555 sta all'elettronica come Arduino all'informatica! (entrambi loro malgrado)
Se volete risposte rispondete a tutte le mie domande
Plug it in - it works better!
Il 555 sta all'elettronica come Arduino all'informatica! (entrambi loro malgrado)
Se volete risposte rispondete a tutte le mie domande
Chi c’è in linea
Visitano il forum: Majestic-12 [Bot] e 162 ospiti

Elettrotecnica e non solo (admin)
Un gatto tra gli elettroni (IsidoroKZ)
Esperienza e simulazioni (g.schgor)
Moleskine di un idraulico (RenzoDF)
Il Blog di ElectroYou (webmaster)
Idee microcontrollate (TardoFreak)
PICcoli grandi PICMicro (Paolino)
Il blog elettrico di carloc (carloc)
DirtEYblooog (dirtydeeds)
Di tutto... un po' (jordan20)
AK47 (lillo)
Esperienze elettroniche (marco438)
Telecomunicazioni musicali (clavicordo)
Automazione ed Elettronica (gustavo)
Direttive per la sicurezza (ErnestoCappelletti)
EYnfo dall'Alaska (mir)
Apriamo il quadro! (attilio)
H7-25 (asdf)
Passione Elettrica (massimob)
Elettroni a spasso (guidob)
Bloguerra (guerra)






