Regolazione di un LM317 usando un mosfet
Moderatori:
carloc,
g.schgor,
BrunoValente,
IsidoroKZ
31 messaggi
• Pagina 3 di 4 • 1, 2, 3, 4
0
voti
Bello il secondo ma a 50V, se si utilizza un trasformatore, dubito che il regolatore riesca a stabilizzare la tensione con un carico da 5 Ampere. Tra entrata e uscita c'è una differenza di soli 5V.
2
voti
Ready steady go!
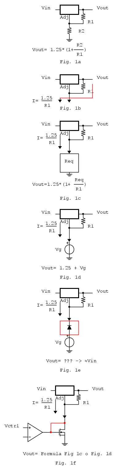
Fig. da 1a a 1f
Premesse (vedi anche data sheet)
- l'integrato a 3 terminali e' LM317
- 1.25 e' la tensione di riferimento dell'integrato
- la corrente di uscita del pin Adj e' trascurata
***** Fig. 1a
Lo schema e formula per Vout e' secondo data sheet
**** Fig. 1b
Senza entrare nel dettaglio interno del funzionamento dell'LM317:
- la tensione tra Vout-VAdj vale 1.25
- ne consegue che la corrente I che scorre in R1 vale

Per come e' realizzato l'integrato e da specifiche del datasheet (per la versione commerciale dell'integrato) I deve essere >= 10 mA
cioe'
(valore cvommerciale)
***** Fig. 1c
Combinando le info di Fig. 1a e 1b si ha che inserendo una "scatola nera" che:
- abbia una resistenza eauivalente Req tra il pin Adj e massa
- sia in grado di ricevere almeno 10 mA
in uscita avermo

Visto in un altro modo possiamo dire che abbiamo un generatore di corrente I (dalla 1) che imposta una tensione sul pin Adj che vale

e quindi una tensione di uscita

***** Fig. 1d
Req e' sostituita con un generatore di tensione Vg da cui

***** Fig. 1e
e' da notare che il generatore Vg deve essere in grado di assorbire almeno 10 mA (con R1 = 120 0hm (un generico alimentatore (positivo) e' in grado di erogare corrente ma non di riceverla).
Se ad un generatore di tensione ideale inserisco un diodo in serie (in modo che la corrente possa "uscire" ma non "entrare") la Vout e' "indefinita"
***** Fig. 1f
Se quindi voglio impostare la tensione di uscita dell'LM317 con una tensione di controllo(e non con una resistenza come in Fig 1a) occorre:
- trasformare la tensione di controllo in una resistenza dipendente dalla tensione di controllo (es. Mosfet) collegata tra il pin Adj e massa
oppure
- applicare la tensione di controllo direttamemte al pin Adj purche' il generatore della tensione di controllo sia in grado di ricevere almeno 10 mA.
L'uscita di un Op-Amp generalmente eroga/assorbe max 5 mA (10 V su 2kohm) ma usando ad es. un LM358 (doppio) con le uscite in parallelo si ottiene il risultato desiderato.
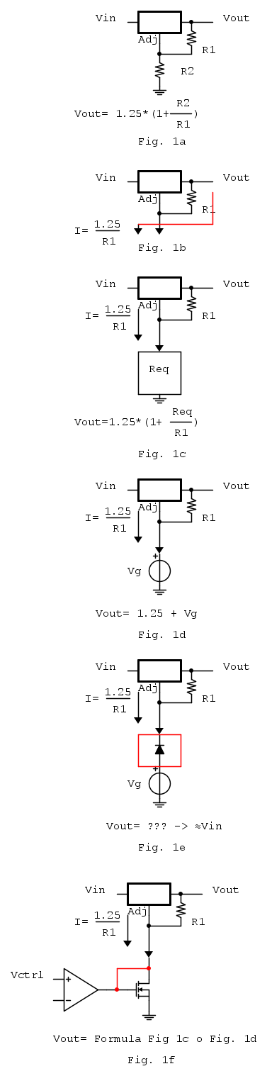
Fig. da 1a a 1f
Premesse (vedi anche data sheet)
- l'integrato a 3 terminali e' LM317
- 1.25 e' la tensione di riferimento dell'integrato
- la corrente di uscita del pin Adj e' trascurata
***** Fig. 1a
Lo schema e formula per Vout e' secondo data sheet
**** Fig. 1b
Senza entrare nel dettaglio interno del funzionamento dell'LM317:
- la tensione tra Vout-VAdj vale 1.25
- ne consegue che la corrente I che scorre in R1 vale

Per come e' realizzato l'integrato e da specifiche del datasheet (per la versione commerciale dell'integrato) I deve essere >= 10 mA
cioe'
(valore cvommerciale)***** Fig. 1c
Combinando le info di Fig. 1a e 1b si ha che inserendo una "scatola nera" che:
- abbia una resistenza eauivalente Req tra il pin Adj e massa
- sia in grado di ricevere almeno 10 mA
in uscita avermo

Visto in un altro modo possiamo dire che abbiamo un generatore di corrente I (dalla 1) che imposta una tensione sul pin Adj che vale

e quindi una tensione di uscita

***** Fig. 1d
Req e' sostituita con un generatore di tensione Vg da cui

***** Fig. 1e
e' da notare che il generatore Vg deve essere in grado di assorbire almeno 10 mA (con R1 = 120 0hm (un generico alimentatore (positivo) e' in grado di erogare corrente ma non di riceverla).
Se ad un generatore di tensione ideale inserisco un diodo in serie (in modo che la corrente possa "uscire" ma non "entrare") la Vout e' "indefinita"
***** Fig. 1f
Se quindi voglio impostare la tensione di uscita dell'LM317 con una tensione di controllo(e non con una resistenza come in Fig 1a) occorre:
- trasformare la tensione di controllo in una resistenza dipendente dalla tensione di controllo (es. Mosfet) collegata tra il pin Adj e massa
oppure
- applicare la tensione di controllo direttamemte al pin Adj purche' il generatore della tensione di controllo sia in grado di ricevere almeno 10 mA.
L'uscita di un Op-Amp generalmente eroga/assorbe max 5 mA (10 V su 2kohm) ma usando ad es. un LM358 (doppio) con le uscite in parallelo si ottiene il risultato desiderato.
0
voti
frankis ha scritto: ... Tra entrata e uscita c'è una differenza di soli 5V.
Sono switching, non lineari
"Sopravvivere" e' attualmente l'unico lusso che la maggior parte dei Cittadini italiani,
sia pure a costo di enormi sacrifici, riesce ancora a permettersi.
sia pure a costo di enormi sacrifici, riesce ancora a permettersi.
-

Etemenanki
9.527 3 6 10 - Master

- Messaggi: 5951
- Iscritto il: 2 apr 2021, 23:42
- Località: Dalle parti di un grande lago ... :)
0
voti
A Elfo
Boh, quante complicazioni. Se mi devo accontentare del servizio di regolazione reso da un 317 mi vanno benissimo una resistenza e un potenziometro.
Se devo consegnare una busta mi basta una bicicletta e non un bilico.
A Etemenanki
Un momento. Non intendevo la caduta di tensione a valle del regolatore ma a monte, sugli elettrolitici dopo il ponte. Prova a caricare 5 Ampere sugli elettrolitici e vedi di quanto cade la tensione di picco. 5V di differenza tra entrata e uscita del regolatore sarebbero accettabili se provenissero da una fonte già stabilizzata e non da un valore di picco. Poi chissà quanto ripple se utilizzi il valore di picco.
Boh, quante complicazioni. Se mi devo accontentare del servizio di regolazione reso da un 317 mi vanno benissimo una resistenza e un potenziometro.
Se devo consegnare una busta mi basta una bicicletta e non un bilico.
A Etemenanki
Un momento. Non intendevo la caduta di tensione a valle del regolatore ma a monte, sugli elettrolitici dopo il ponte. Prova a caricare 5 Ampere sugli elettrolitici e vedi di quanto cade la tensione di picco. 5V di differenza tra entrata e uscita del regolatore sarebbero accettabili se provenissero da una fonte già stabilizzata e non da un valore di picco. Poi chissà quanto ripple se utilizzi il valore di picco.

0
voti
Per me non serve un 317 con l'operazionale , basta l'operazionale ed un transistor.
Per controllarlo con microprocessore proverei la via dell'integrazione, partendo da un PWM, prima di passare al dac. Probabilmente una buona soluzione potrebbe essere un potenziometro digitale.
Dovrai fare qualche test per sapere quale soluzione sarà la migliore.
Saluti
Per controllarlo con microprocessore proverei la via dell'integrazione, partendo da un PWM, prima di passare al dac. Probabilmente una buona soluzione potrebbe essere un potenziometro digitale.
Dovrai fare qualche test per sapere quale soluzione sarà la migliore.
Saluti
-

lelerelele
4.899 3 7 9 - Master

- Messaggi: 5505
- Iscritto il: 8 giu 2011, 8:57
- Località: Reggio Emilia
0
voti
lelerelele ha scritto:Per me non serve un 317 con l'operazionale , basta l'operazionale ed un transistor.
Che poi (oltre il riferimento di tensione e varie protezioni) è ciò che contiene un 317
Però per i suoi requisiti un 317, a parte configurazioni multiple o con transistor esterno, non è la soluzione ideale.
Se proprio vuoi sperimentare forse è più utile un buck pilotato da arduino (mal di pancia
Data la "lentezza" di arduino (328P) la risposta non sarà il massimo, ma sicuramente ti permette di giocarci
Gli LDO solitamente si usano per piccole potenze, data l'elevata disponibilità di convertitori DC/DC io li uso solitamente sotto i 100mA (eventuali spunti 200/300 mA, max 1W dissipato).

0
voti
C'è qualcosa che mi sfugge.
Inizialmente si parlava di un LM317 da controllare con un uC.
Adesso si vuole realizzare un alimentatore 5A da 0 a 50V sempre controllato con uC.
Da 25W a 250W c'è una differenza sostanziale.
Quale dei due?
Ciao
Inizialmente si parlava di un LM317 da controllare con un uC.
Adesso si vuole realizzare un alimentatore 5A da 0 a 50V sempre controllato con uC.
Da 25W a 250W c'è una differenza sostanziale.
Quale dei due?
Ciao
600 Elettra
0
voti
frankis ha scritto:... caduta di tensione a valle del regolatore ma a monte ...
Quelle unita' sono previste per essere alimentate da un trasformatore seguito dal classico ponte di diodi e dal solito condensatore (un'alimentatore classico a trasformatore, in pratica), che deve poter dare la giusta tensione e corrente (fino ad un massimo di 55V, se vuoi poter arrivare a 50 di uscita, anche se sarebbe meglio stare un paio di volt sotto il massimo, ed almeno 5A se si vuole avreli anche in uscita) ... dando all'ingresso meno tensione e meno corrente, si ha la limitazione che anche in uscita si avranno valori minori di quei massimi, in funzione di quanto dato all'ingresso (quasi la stessa corrente, ed almeno 5V in meno di tensione)
"Sopravvivere" e' attualmente l'unico lusso che la maggior parte dei Cittadini italiani,
sia pure a costo di enormi sacrifici, riesce ancora a permettersi.
sia pure a costo di enormi sacrifici, riesce ancora a permettersi.
-

Etemenanki
9.527 3 6 10 - Master

- Messaggi: 5951
- Iscritto il: 2 apr 2021, 23:42
- Località: Dalle parti di un grande lago ... :)
31 messaggi
• Pagina 3 di 4 • 1, 2, 3, 4
Chi c’è in linea
Visitano il forum: Nessuno e 125 ospiti

Elettrotecnica e non solo (admin)
Un gatto tra gli elettroni (IsidoroKZ)
Esperienza e simulazioni (g.schgor)
Moleskine di un idraulico (RenzoDF)
Il Blog di ElectroYou (webmaster)
Idee microcontrollate (TardoFreak)
PICcoli grandi PICMicro (Paolino)
Il blog elettrico di carloc (carloc)
DirtEYblooog (dirtydeeds)
Di tutto... un po' (jordan20)
AK47 (lillo)
Esperienze elettroniche (marco438)
Telecomunicazioni musicali (clavicordo)
Automazione ed Elettronica (gustavo)
Direttive per la sicurezza (ErnestoCappelletti)
EYnfo dall'Alaska (mir)
Apriamo il quadro! (attilio)
H7-25 (asdf)
Passione Elettrica (massimob)
Elettroni a spasso (guidob)
Bloguerra (guerra)







