Vedo che hai plottato anche la corrente assorbita sulla linea a 60 V.
Quanto probabile è che questa sia in grado di fornire 5 A? Direi zero
Io starei sul circuito originale: due 555 in cascata, il primo per la durata, il secondo per la frequenza.
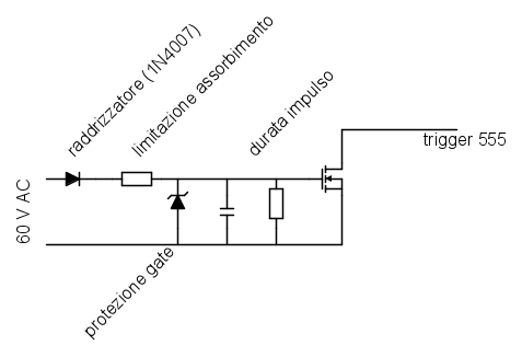
Dalla linea a 60 V dobbiamo solo derivare un trigger che duri almeno 1 us.
Eviterei soluzioni capacitive (non ci si guadagna nulla, realisticamente il circuito sarà in funzione per 5 secondi al giorno, forse).
L'optoisolatore non serve, visto che l'alimentazione a 12 V è isolata di suo.
Secondo la mia modesta opinione, in questo caso la soluzione semplice, robusta e affidabile è questa:
Ha anche il vantaggio di funzionare con tutte le tensioni che superano quella dello zener e anche in DC, nel caso si dovesse cambiare la campanella in futuro.
Dato che usiamo un mosfet, il condensatore che determina la durata dell'impulso può essere molto piccolo, limitando così l'assorbimento sulla linea a 60 V.
Non so cosa tu abbia nel cassettino, per i calcoli prendo il comunissimo
IRF540, se usi qualcosa di differente, non è difficile adattare i calcoli.
Threshold massimo: 4 V
Prendiamo uno zener da 5.1 V (che si trovano anche dal salumiere e sono indipendenti dalla temperatura)
Vogliamo che il condensatore si carichi da 0 V a 5.1 V in un periodo di tempo che sia molto minore del periodo della sinusoide, in modo che basti un solo ciclo di rete per triggerare il circuito.
Se prendiamo un condensatore da 10 nF e una resistenza da 10k, otteniamo una costante di tempo di 100 us.
Le approssimazioni spannometriche da ingegnere ci dicono che dopo tre costanti di tempo abbiamo raggiunto il 95% della tensione di ingresso.
In altre parole, se la tensione di ingresso è sufficientemente alta per una durata minima di 300 us, siamo a cavallo (cosa vuol dire sufficientemente alta? dipende dal resistore di scarica, che genera un partitore resistivo, vedi sotto).
La formula non è in realtà totalmente corretta perché la tensione in ingresso non è costante, ma vista la differenza tra le scale temporali, possiamo assumere la tensione di ingresso come quasi-costante durante il processo di carica.
Allo stesso tempo, con 10k limitiamo l'assorbimento dalla linea a 60 V a 6 mA, che mi sembra un valore accettabile. Se non lo fosse, gioca un po' con i valori fino ad avere qualcosa di accettabile.
Il bello del circuito è che funziona bene anche con una tensione alternata in ingresso di 12 V. Oppure 400 V. Oppure 230V. Oppure 24 V in continua.
Adesso che abbiamo caricato il nostro condensatore a 5.1 V (circa), sappiamo che il mosfet è sicuramente in conduzione. Vogliamo che ci resti per almeno 1 us. Nella peggiore delle ipotesi smette di condurre a 4 V.
Se prendiamo un resistore da 10k anche per la scarica ci semplifichiamo la vita e otteniamo una durata di scarica da 5 V a 4 V di circa 22 us, abbondati per triggerare il 555, ma molto al di sotto di quello che potrebbe causare un secondo trigger.
Consideriamo adesso però anche il caso in cui il transistor abbia un threshold al minimo delle sue specifiche tecniche: 2 V. In tal caso arriviamo a 90 us di durata dell'impulso. Anche in questo caso non dovrebbe causare trigger secondari indesiderati.
La corrente attraverso il resistore durante questo periodo passa da 0.5 a 0.4 mA, molto molto al di sopra di quella che è la corrente di leakage di un 1N4007 (anche sotto il sole d'agosto

). Questo significa che il leakage attraverso il diodo raddrizzatore non ha nessun effetto sulla durata dell'impulso.
Diversa è la questione per lo zener. Ovviamente per sua natura ha un leakage importante nei pressi della sua tensione di lavoro. Ho guardato un paio di datasheets e non ho trovato informazioni concrete. Abbiamo diverse possibilità per ovviare al problema:
- fregarcene. Probabilmente funziona tutto comunque, abbiamo un fatto 22 di sicurezza sulla durata del trigger, nemmeno gli ascensori sono dimensionati con cotanto margine
- aggiungere un diodo tra zener e condensatore, però bisogna considerarne la caduta di tensione
- correggere la resistenza di scarica sul prototipo fino ad ottenere un risultato che ci soddisfa
Come vedi, lo sviluppo di un circuito è un processo iterativo. Siamo arrivati alla fine e mi sono accorto che il leakage dello zener potrebbe causarmi rogne. A questo punto si tratta di decidere se è davvero un problema e forse tornare indietro nel processo e cambiare una scelta.
Buon divertimento
Boiler