Beh, e' lo stesso perche' ne hai comprato uno uguale; non tutti gli interruttori/deviatori funzionano allo stesso modo.
Comunque, vediamo di uscirne:
Metti un puntale del tester su 2 e, senza muovere la levetta controlla tutti gli altri contatti; serve sapere se c'e' contatto o no.
Sempre con il opuntale sul 2, sposta la levetta prima a destra e po a sinistra e controlla con quali altri pin viene a contatto.
Ripeti poi l'operazione con il pin 5, rispetto a 6/4.
Alimentazione circuiti e led
Moderatori:
carloc,
g.schgor,
BrunoValente,
IsidoroKZ
0
voti
marco438 ha scritto:
Metti un puntale del tester su 2 e, senza muovere la levetta controlla tutti gli altri contatti; serve sapere se c'e' contatto o no.
Sempre con il opuntale sul 2, sposta la levetta prima a destra e po a sinistra e controlla con quali altri pin viene a contatto.
Ripeti poi l'operazione con il pin 5, rispetto a 6/4.
nella situazione della foto (dove la levetta è al centro) mettendo il puntale sul 2 non c'è continuità su nessun pin.
Spostando la levetta a destra e il puntale su 2 si ha continuità nel pin 1.
Spostando la levetta a sinistra e il puntale sempre su 2 si ha continuità sul 3.
-

razielmitico
-10 5 - Frequentatore

- Messaggi: 153
- Iscritto il: 23 ott 2012, 22:59
0
voti

"Non farei mai parte di un club che accettasse la mia iscrizione" (G. Marx)
-

claudiocedrone
21,3k 4 7 9 - Master EY

- Messaggi: 15309
- Iscritto il: 18 gen 2012, 13:36
0
voti
claudiocedrone ha scritto::-) Mah, secondo me è un semplice dopio deviatore con " zero centrale"; con la leva al centro non ci sono pin collegati tra loro , spostandola verso 1-6 connette 2 e 5 (i centrali) rispettivamente con 3 e 4 ; spostandola verso 3-4 connette sempre 2 e 5 rispettivamente con 1 e 6.
Ed e' quello che ho sempre sostenuto ed illustrato nella schema al post [188].
marco
0
voti
N.B. avrei inserito il post precedente oltre mezzora fa se la connessione non avesse cominciato a rompere

"Non farei mai parte di un club che accettasse la mia iscrizione" (G. Marx)
-

claudiocedrone
21,3k 4 7 9 - Master EY

- Messaggi: 15309
- Iscritto il: 18 gen 2012, 13:36
0
voti
marco438 ha scritto:Ed e' quello che ho sempre sostenuto ed illustrato nella schema al post [188].
Quello che ho usato nel 188 è un deviatore a 6 pin con solo due stati "on e off" questo ha una terza via centrale che non fa passare corrente da nessuno dei pin.
i pin 4/5/6 si comportano analogamente ai 1/2/3 collegando il puntale sul pin 5 e tenendo la levetta al centro su 4 e 6 non passa corrente invece se metto la levetta a destra e il puntale sempre sul 5 passa corrente sul pin 6,quando lo sposto a sinistra si ha corrente sul pin 4.
-

razielmitico
-10 5 - Frequentatore

- Messaggi: 153
- Iscritto il: 23 ott 2012, 22:59
0
voti
razielmitico ha scritto:marco438 ha scritto:Quello che ho usato nel 188 è un deviatore a 6 pin con solo due stati "on e off" questo ha una terza via centrale che non fa passare corrente da nessuno dei pin.
Guarda che il post 188 lo ho scritto io e dice le stesse cose che stai dicendo adesso; rileggilo con molta calma ed attenzione.
marco
0
voti
Si hai ragione ho confuso con un mio post!,comunque adesso ho capito come funzionano i deviatori.
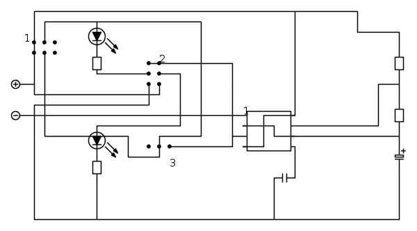
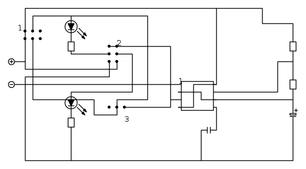
Per dimostrarvi che ho capito ho tentato di allargare il circuito del post 188 aggiungendo un deviatore che permetta anche il lampeggio dei due led contemporaneamente,il deviatore usato nel post 188 che mi hai consigliato tu fa solo accendere uno e poi l'altro o tutti e due fissi:
è un po' un macello perché ci sono collegamenti sopra a collegamenti,ma mi interessa sapere se i deviatori sono collegati in modo corretto.
Il deviatore 1 serve per evitare che vada la corrente direttamente dal positivo ai led,poiché se attivassi il lampeggio insieme dei led arriverebbe sempre la corrente dal positivo e non si spegnerebberò, il deviatore 2 è quello che già avevamo messo prima e fa lampeggiare i due led,prima uno poi l'altro, o luce fissa e se tengo il deviatore con levetta al centro è disattivato,invece il deviatore 3 serve (ho seguito i collegamenti del primissimo schema che abbiamo fatto) permette,a condizione che il deviatore 1 non faccia passare direttamente la corrente dal positivo ai led e che il deviatore 2 sia al centro,il lampeggio dei led insieme.
Che ne pensate?
Per dimostrarvi che ho capito ho tentato di allargare il circuito del post 188 aggiungendo un deviatore che permetta anche il lampeggio dei due led contemporaneamente,il deviatore usato nel post 188 che mi hai consigliato tu fa solo accendere uno e poi l'altro o tutti e due fissi:
è un po' un macello perché ci sono collegamenti sopra a collegamenti,ma mi interessa sapere se i deviatori sono collegati in modo corretto.
Il deviatore 1 serve per evitare che vada la corrente direttamente dal positivo ai led,poiché se attivassi il lampeggio insieme dei led arriverebbe sempre la corrente dal positivo e non si spegnerebberò, il deviatore 2 è quello che già avevamo messo prima e fa lampeggiare i due led,prima uno poi l'altro, o luce fissa e se tengo il deviatore con levetta al centro è disattivato,invece il deviatore 3 serve (ho seguito i collegamenti del primissimo schema che abbiamo fatto) permette,a condizione che il deviatore 1 non faccia passare direttamente la corrente dal positivo ai led e che il deviatore 2 sia al centro,il lampeggio dei led insieme.
Che ne pensate?
-

razielmitico
-10 5 - Frequentatore

- Messaggi: 153
- Iscritto il: 23 ott 2012, 22:59
0
voti
Nello schema che ti avevo fatto, era prevista l'accensione alternata, l'accensione dei due led fissi e lo spegnimento; perche' hai voluto complicare le cose?
Ora devo uscire e non ho tempo di vedere il tuo schema; comunque ripensaci.
Ora devo uscire e non ho tempo di vedere il tuo schema; comunque ripensaci.
marco
Chi c’è in linea
Visitano il forum: Nessuno e 61 ospiti

Elettrotecnica e non solo (admin)
Un gatto tra gli elettroni (IsidoroKZ)
Esperienza e simulazioni (g.schgor)
Moleskine di un idraulico (RenzoDF)
Il Blog di ElectroYou (webmaster)
Idee microcontrollate (TardoFreak)
PICcoli grandi PICMicro (Paolino)
Il blog elettrico di carloc (carloc)
DirtEYblooog (dirtydeeds)
Di tutto... un po' (jordan20)
AK47 (lillo)
Esperienze elettroniche (marco438)
Telecomunicazioni musicali (clavicordo)
Automazione ed Elettronica (gustavo)
Direttive per la sicurezza (ErnestoCappelletti)
EYnfo dall'Alaska (mir)
Apriamo il quadro! (attilio)
H7-25 (asdf)
Passione Elettrica (massimob)
Elettroni a spasso (guidob)
Bloguerra (guerra)


