Il primo commento è dedicato a
Ebbene, il circuito Isidoriano funziona e non ho perso tempo, ho dovuto introdurre delle modifiche, apparentemente poco significative ma che invece si sono rivelate indispensabili e risolutive per eliminare tutte le cause ostative all'origine degli affanni e degli insuccessi precedenti; spiego:
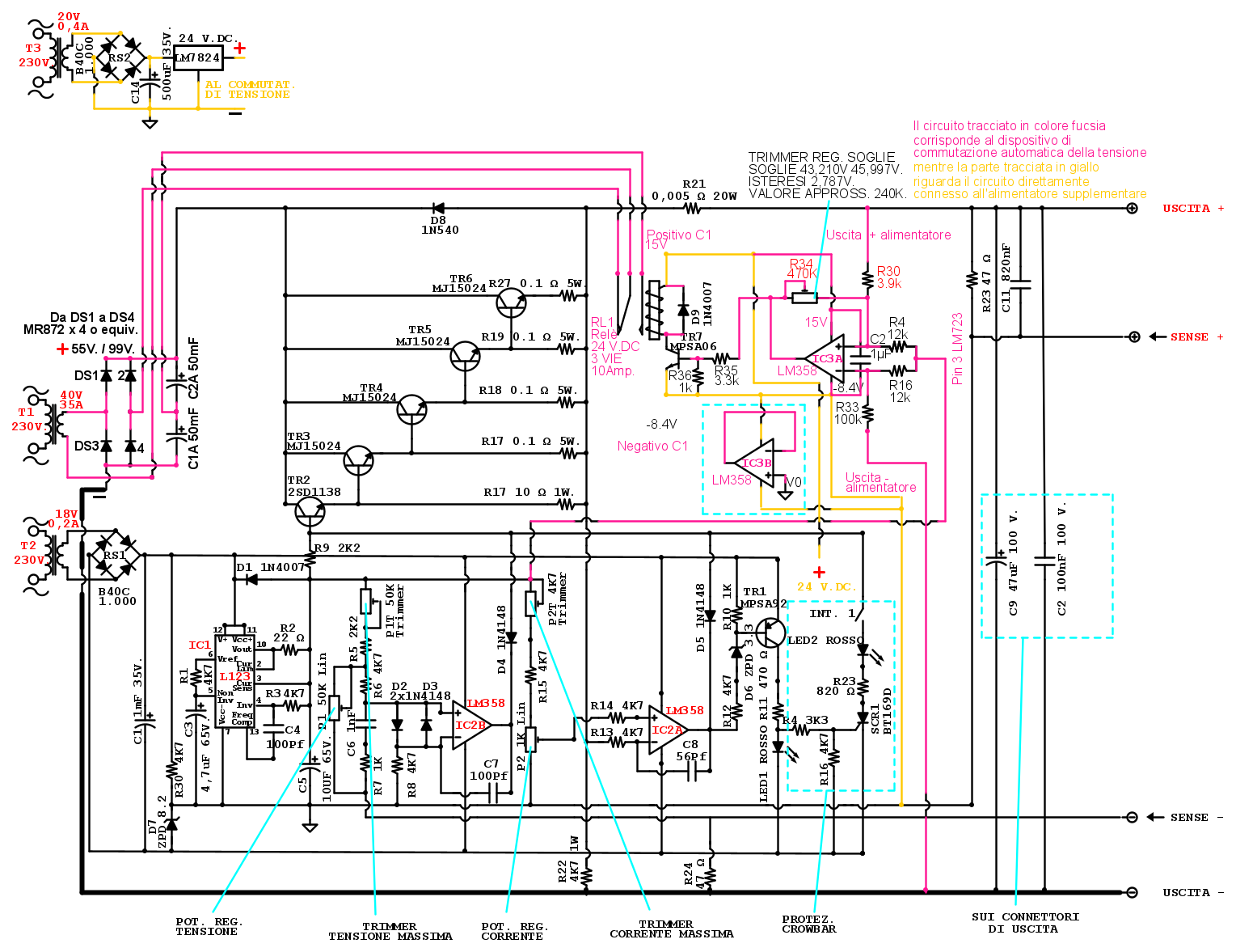
come temevo e si è detto, non è possibile sfruttare l’alimentazione ausiliaria per alimentare il circuito di commutazione, ma neppure per altre funzioni affini. Quell'alimentazione deve essere lasciata dedicata, pena, la variazione dell’uscita in funzione della caduta di tensione introdotta dal carico applicato all'alimentatore ausiliario, da evitare nel modo più assoluto (A PRESCINDERE DALL’ENTITA’ DEL CARICO). Se non fosse che la PCB del regolatore è già stata realizzata, aggiungerei uno stabilizzatore di tensione anche all'alimentatore ausiliario.
Nel dettaglio:
come già accennato ut supra, la prima modifica fatta attiene a quella che da questo post in poi chiamerei alimentazione supplementare per il commutatore; è un po’ un gravame in più ma è un’alimentazione che, occorrendo, potrebbe anche essere utilizzata per alimentare strumenti, ventole o altro che adesso mi sfugge.
Per il momento, l’alimentatore supplementare è poco integrato nello schema per ragioni di comodità e di tempo (potrei dover rifare lo schema e non è il momento) ma è possibile che con le successive versioni dello schema riesca anche a migliorare.
La seconda modifica (a mio giudizio) importante, è l’intervento su due componenti del circuito di Isidoro, la resistenza R30, portata a 3,9K, e la resistenza R34 che è diventata un trimmer multigiri da 470K. La resistenza R30 è stata così dimensionata per poter ottenere un’isteresi di circa 2,8V mentre la resistenza R34 (trimmer), è stato necessario modificarla in tal modo perché è il componente che determina la tensione a cui dovrà scattare il relè e quella che collocherà il relè a riposo, qualche utente potrebbe avere necessità differenti e si regolerà di conseguenza. Non è stato aggiunto un trimmer anche per l’isteresi in quanto avrebbe reso troppo critica la taratura delle due funzioni. I due trimmer avrebbero introdotto una sorta di competizione per chi avrebbe dovuto essere il primo influenzandosi reciprocamente; di qui la scelta di lasciare un solo trimmer. Un valore di isteresi troppo breve non va bene ma neanche un valore troppo ampio.
Queste modifiche consentono allo sperimentatore di utilizzare un relè che avrà a disposizione o che riuscirà a reperire, che ovviamente non dovrà necessariamente corrispondere a quello da me utilizzato; ogni relè ha le sue caratteristiche e il circuito non deve essere condizionato dal valore di una resistenza di coil o dalla durezza di una molla di richiamo. Dalle prove fatte è risultato che il circuito è del tutto insensibile alla tipologia del relè. Personalmente e al momento, ho collegato un relè da 24 V. DC. 2 vie in attesa di reperire un esemplare a 3 vie, ma ho provato a collegare anche un relè a 12V DC e il commutatore ha funzionato anche con quel relè.
Cos'altro posso aggiungere? Per quanto concerne la regolazione della tensione potrei dire che il lavoro è terminato anche se non è proprio così, mentre scrivo mi sono ricordato che la tensione minima non va proprio a zero volt ma ha un residuo positivo di circa 300mV, sistemerò anche quel refuso. Per il resto, ma sempre limitandoci alla regolazione di tensione, l’alimentatore si potrebbe definire completato. L’utente può regolare liberamente la tensione da “zero” a 80V. senza dover pensare a commutare alcunché. L’alimentatore fa tutto da solo e l’utente potrebbe anche non accorgersi dell’avvenuta commutazione salvo percepire lo scatto del relè, che magari, in futuro, potrebbe anche essere sostituito da qualcosa di più moderno, si vedrà...
Ora, se non ci saranno ulteriori interventi o suggerimenti migliorativi o critici, che sono sempre ben accetti, dovrò verificare il funzionamento dell'apparato in corrente, perché l’escursione di tensione è molto ampia e la corrente erogabile non è poca, per non parlare della potenza in gioco. A tale proposito, sarei tentato di aggiungere altri 2 transistori finali, giusto per meglio distribuire il carico sulle giunzioni di tutti i finali.
Spero di non aver commesso errori di figurazione e allego lo schema per poi andare a dormire.

Elettrotecnica e non solo (admin)
Un gatto tra gli elettroni (IsidoroKZ)
Esperienza e simulazioni (g.schgor)
Moleskine di un idraulico (RenzoDF)
Il Blog di ElectroYou (webmaster)
Idee microcontrollate (TardoFreak)
PICcoli grandi PICMicro (Paolino)
Il blog elettrico di carloc (carloc)
DirtEYblooog (dirtydeeds)
Di tutto... un po' (jordan20)
AK47 (lillo)
Esperienze elettroniche (marco438)
Telecomunicazioni musicali (clavicordo)
Automazione ed Elettronica (gustavo)
Direttive per la sicurezza (ErnestoCappelletti)
EYnfo dall'Alaska (mir)
Apriamo il quadro! (attilio)
H7-25 (asdf)
Passione Elettrica (massimob)
Elettroni a spasso (guidob)
Bloguerra (guerra)









