
procedi!
Moderatori:
carloc,
g.schgor,
BrunoValente,
IsidoroKZ





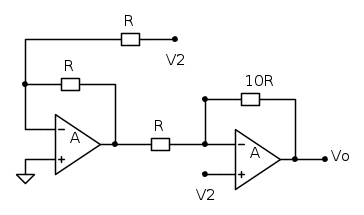
elegos ha scritto:o.ò il risultato è strano.
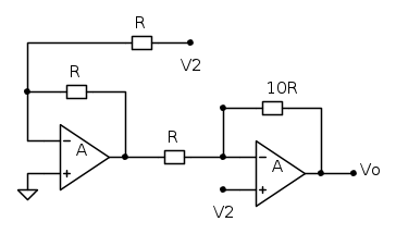
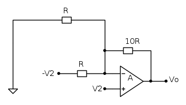
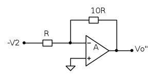
A è un amplificatore invertente, quindi
(R/R si elidono a vicenda)
:








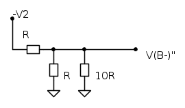
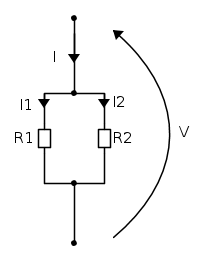
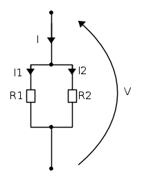
elegos ha scritto:Perché R/2 e non R//R? (nel senso, R parallelo R evidentemente dà R/2, ma perché?)
, mentre in R2 varrà
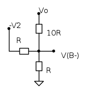
, secondo questo schema:
. Pensandoci bene, però, la corrente somma di I1 e I2 seguirà, anche lei, la legge di Ohm rispetto alla resistenza equivalente da lei stessa vista:
e quindi ho che:



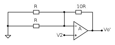
elegos ha scritto:Per il resto


Visitano il forum: Google [Bot] e 47 ospiti