Dopo la consegna dei componenti sono ripresi i lavori e sono state introdotte delle modifiche interessanti, sia come miglioramento circuitale sia come disegno schematico.
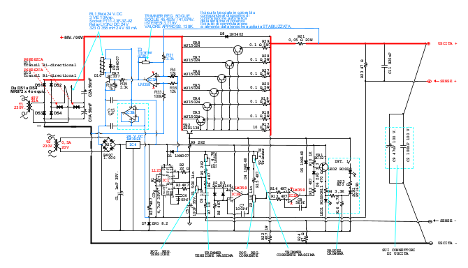
Per rendere comprensibile la collocazione ed il funzionamento del circuito di commutazione automatica (PONTE/DUPLICATORE) devo necessariamente pubblicare l’intero schema con le parti interessate dalla funzione di commutazione colorate di blu.
Farò anche il riepilogo degli interventi di lavorazione, utile altresì a chiarire alcuni aspetti assimilabili ad incongruenze e rilevabili dalla disamina dello schema.
In origine lo schema era quello ricavato dalla famosa rivista di Elektor del 1983. Successivamente quello schema è stato ibridato da
Successivamente (quindi con la PCB dell’alimentatore ibridato già realizzata) e a seguito di esperienze derivate da altri esperimenti, si è pensato di modificare lo schema base aumentando la tensione di uscita del trasformatore di potenza a 40V AC e introducendo un circuito di duplicazione sempre della tensione della linea di potenza. In un primo momento la duplicazione venne realizzata mediante commutazione manuale e quel lavoro fu utile a stabilire se l’idea potesse funzionare concretamente oppure se era da scartare. La modifica, dopo il necessario dimensionamento della componentistica, risultò attuabile anche in concreto, ma il sistema manuale di commutazione, oltre ad essere un po’ grezzo sul piano tecnologico appariva anche pericoloso al momento dell’accensione del dell’alimentatore. Se distrattamente non ci si accorgeva, per tempo, del posizionamento del commutatore di tensione su 0-45V o 41-80V, poteva capitare qualche incidente. Indi per cui si è cercato di esplorare e sviluppare una soluzione che comprendesse la commutazione automatica della tensione (PONTE/DUPLICATORE). Dopo numerosi tentativi e grazie anche all’idea di un signore che non intende essere associato al progetto, il circuito di commutazione automatica è stato portato a termine con successo.
Il piccolo alimentatore, previsto in prima istanza, per ottenere la tensione supplementare, deputata ad alimentare unicamente il circuito di commutazione automatica (PONTE/DUPLICATORE), è stato eliminato. In alternativa è stato utilizzato il circuito di alimentazione ausiliaria originariamente riservato al circuito di regolazione tensione/corrente dell’alimentatore base. In principio non risultò possibile utilizzare la tensione ausiliaria in quanto la minima variazione di quella tensione, provocata dall'intervento/spegnimento del relè, influiva anche sulla tensione finale di uscita, in quanto la tensione ausiliaria non era stabilizzata. Successivamente, si è pensato di stabilizzare mediante un regolatore a 24 V tale tensione e il problema della variazione di tensione è stato risolto definitivamente. In pratica il trasformatore T2 eroga la potenza necessaria al generatore di riferimento, agli amplificatori operazionali e alla commutazione automatica. In più tale soluzione ha determinato anche un ulteriore migliorato del ripple residuo grazie al regolatore di tensione, dapprima non previsto.
E’ stato anche inserito un circuito di ulteriore protezione CrowBar (che, personalmente, difficilmente utilizzerei ma che è comunque possibile attivare/disattivare mediante interruttore).
E’ stato irrobustito anche lo stadio finale di potenza con l’aggiunta di due transistori supplementari. Questa aggiunta non era indispensabile ma così facendo è stato meglio distribuito il carico di corrente che scorre su ogni singolo transistore finale (melius abundare quam deficere).
In fine, sono stati aggiunti sui contatti del relè (ma come prospettiva d'utilizzo e conoscitiva), 2 diodi Transil Bi-direzionali con tensione di Breakdown Voltage (MIN VBR@IT ) 58,9V. Questi diodi non sono mai stati testati nell'alimentatore, non tanto perché al momento non sarebbero presenti nel cassettino, quanto per mancanza di certezza circa la loro utilità. I Transil potrebbero anche essere sostituiti da Varistori o da Snubber ma al momento sembrerebbe che i contatti del relè non generino scintille e che questi componenti non siano indispensabili, benché previsti sulla PCB.
A questo punto devo fare anche un paio di precisazioni: si noterà che i terminali di uscita sono in numero maggiore di quanto si veda sui normali alimentatori. Le due prese extra (Sense + e Sense -), sono in effetti ingressi, e precisamente i cosiddetti ingressi di "rilevazione o remote sensing", che sono usati allo scopo di permettere la compensazione delle cadute di tensione quando si operi con cavi di alimentazione molto lunghi tra l'alimentatore ed il carico. In tal caso è possibile collegare due cavi supplementari, tra il carico e gli ingressi di rilevazione. Il risultato di ciò, è che il livello della tensione di alimentazione verrà effettivamente misurato ai capi del carico e non ai terminali di uscita dell'alimentatore.
Ciò dà la possibilità al circuito di compensare qualunque caduta di tensione derivante dalla resistenza dei cavi principali di collegamento al carico.
Occorre considerare che, se la resistenza totale dei due cavi principali di collegamento fosse, per esempio, di 1 Ω, ad un livello di corrente di 1 A, la caduta di tensione sarebbe di 1 V. Il circuito di remote sensing è stato riprodotto nello schema teorico in quanto facente parte dello schema originale di Elektor ma nell'impiego usuale è possibile renderlo inefficace. Potranno essere sistemati dei ponticelli di cortocircuito tra Uscita + con Sense + e Uscita – con Sense –, oppure eliminando direttamente le due boccole di sense, le resistenze R23, R24 e il condensatore C11, sostituendo le due resistenze con dei ponticelli da saldare al loro posto.
L’altra ed ultima precisazione riguarda l'apparente poca accuratezza con cui sono stati numerati i componenti. Ebbene, quello che da una prima valutazione potrebbe apparire come un caso di superficialità, in realtà è dipeso un po' da causa di forza maggiore, sia per la progettazione e modifica del dispositivo, avvenute in momenti differenti e successivi alla costruzione della prima PCB, e la necessità di recuperare le numerazioni precedentemente lasciate libere sia per comodità del momento sia per risparmio di tempo. Dovendo far costruire a nuovo le due PCB sarebbe semplice e ovvio razionalizzare anche la numerazione dei componenti sia sullo schema sia sulle PCB.
Sistemata la commutazione automatica della tensione, essendo quasi triplicato il range, resta da calibrare la gestione della regolazione della corrente. Questa verifica potrebbe non essere indispensabile ma per scrupolo, e appena possibile, verrà effettuato anche tale accertamento per tutto il range di tensione dall'alimentatore e sarà documentato il risultato.
Per il momento credo di aver concluso; colgo l’occasione per ringraziare tutti gli amici che hanno collaborato alla realizzazione del progetto.

Elettrotecnica e non solo (admin)
Un gatto tra gli elettroni (IsidoroKZ)
Esperienza e simulazioni (g.schgor)
Moleskine di un idraulico (RenzoDF)
Il Blog di ElectroYou (webmaster)
Idee microcontrollate (TardoFreak)
PICcoli grandi PICMicro (Paolino)
Il blog elettrico di carloc (carloc)
DirtEYblooog (dirtydeeds)
Di tutto... un po' (jordan20)
AK47 (lillo)
Esperienze elettroniche (marco438)
Telecomunicazioni musicali (clavicordo)
Automazione ed Elettronica (gustavo)
Direttive per la sicurezza (ErnestoCappelletti)
EYnfo dall'Alaska (mir)
Apriamo il quadro! (attilio)
H7-25 (asdf)
Passione Elettrica (massimob)
Elettroni a spasso (guidob)
Bloguerra (guerra)




