OROLOGIO DIGITALE SENZA PIC
Moderatori:
carloc,
g.schgor,
BrunoValente,
IsidoroKZ
0
voti
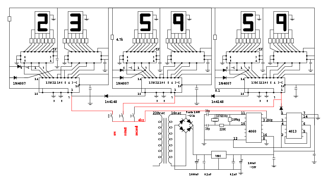
Perche' tutti i reset sono collegati insieme, e quindi fa i minuti di 100 secondi, le ore di 100 minuti fino alle 23:59:59 dove finalmente si resetta.
Quando si schiaccia il master reset si ha un momento di panico per i contatori perche' le loro uscite vengono forzate alte.
Cos'e` una DRL?
Quando si schiaccia il master reset si ha un momento di panico per i contatori perche' le loro uscite vengono forzate alte.
Cos'e` una DRL?
Per usare proficuamente un simulatore, bisogna sapere molta più elettronica di lui
Plug it in - it works better!
Il 555 sta all'elettronica come Arduino all'informatica! (entrambi loro malgrado)
Se volete risposte rispondete a tutte le mie domande
Plug it in - it works better!
Il 555 sta all'elettronica come Arduino all'informatica! (entrambi loro malgrado)
Se volete risposte rispondete a tutte le mie domande
0
voti
IsidoroKZ ha scritto: ... Cos'e` una DRL?
E dai Isidoro, non far finta di non saperlo
... perche' vuoi farmi sentire il piu' "anziano" della compagnia ? "Il circuito ha sempre ragione" (Luigi Malesani)
0
voti
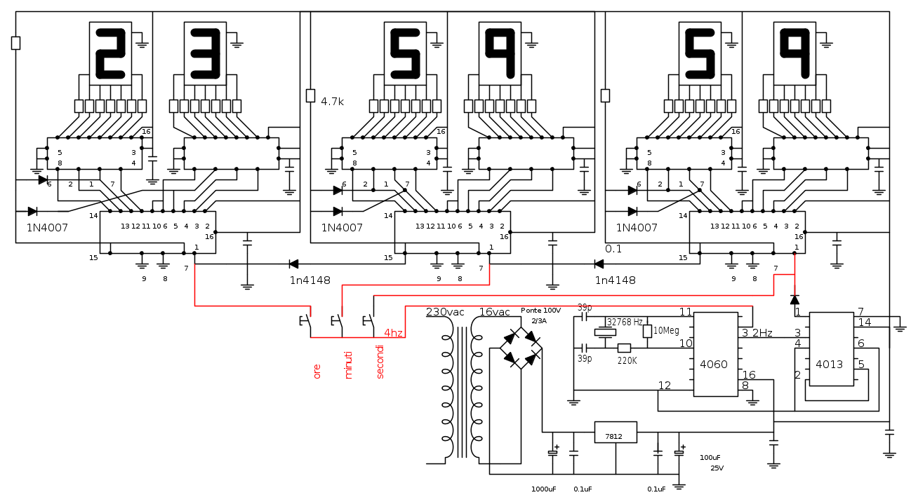
Ho pensato a qualcosa del genere non potrebbe funzionare?
-

carlomusumeci
353 5 7 - Sostenitore

- Messaggi: 526
- Iscritto il: 8 apr 2011, 0:35
0
voti
Adesso se le resistenze sono di valore opportuno fa le ore di 60 minuti, ma il master reset mi pare che continui a non funzionare. Serve una funzione del tipo R=A+BC e con un solo livello di diodi mi sembra che non si possa fare.
Che cos'e` il diodo che va dal piedino 15 al piedino 1?
Che cos'e` il diodo che va dal piedino 15 al piedino 1?
Per usare proficuamente un simulatore, bisogna sapere molta più elettronica di lui
Plug it in - it works better!
Il 555 sta all'elettronica come Arduino all'informatica! (entrambi loro malgrado)
Se volete risposte rispondete a tutte le mie domande
Plug it in - it works better!
Il 555 sta all'elettronica come Arduino all'informatica! (entrambi loro malgrado)
Se volete risposte rispondete a tutte le mie domande
0
voti
marco438 ha scritto:Ho acceso adesso il computer e mi avete incuriosito.
Ora non vado a letto finche' non mi dici cos'e' sto DRL!
La "logica" usata per il Reset dei singoli stadi
"Il circuito ha sempre ragione" (Luigi Malesani)
0
voti
carlomusumeci ha scritto:Ho pensato a qualcosa del genere non potrebbe funzionare?
Ma quindi questo schema per portare avanti ore minuti e secondi non potrebbe funzionare?
-

carlomusumeci
353 5 7 - Sostenitore

- Messaggi: 526
- Iscritto il: 8 apr 2011, 0:35
0
voti
marco438 ha scritto:Ho acceso adesso il computer e mi avete incuriosito.
Ora non vado a letto finche' non mi dici cos'e' sto DRL!
Trovato su wikipedia, Diode Resistor Logic :) aveva detto bene rusty
Per usare proficuamente un simulatore, bisogna sapere molta più elettronica di lui
Plug it in - it works better!
Il 555 sta all'elettronica come Arduino all'informatica! (entrambi loro malgrado)
Se volete risposte rispondete a tutte le mie domande
Plug it in - it works better!
Il 555 sta all'elettronica come Arduino all'informatica! (entrambi loro malgrado)
Se volete risposte rispondete a tutte le mie domande
Chi c’è in linea
Visitano il forum: Nessuno e 156 ospiti

Elettrotecnica e non solo (admin)
Un gatto tra gli elettroni (IsidoroKZ)
Esperienza e simulazioni (g.schgor)
Moleskine di un idraulico (RenzoDF)
Il Blog di ElectroYou (webmaster)
Idee microcontrollate (TardoFreak)
PICcoli grandi PICMicro (Paolino)
Il blog elettrico di carloc (carloc)
DirtEYblooog (dirtydeeds)
Di tutto... un po' (jordan20)
AK47 (lillo)
Esperienze elettroniche (marco438)
Telecomunicazioni musicali (clavicordo)
Automazione ed Elettronica (gustavo)
Direttive per la sicurezza (ErnestoCappelletti)
EYnfo dall'Alaska (mir)
Apriamo il quadro! (attilio)
H7-25 (asdf)
Passione Elettrica (massimob)
Elettroni a spasso (guidob)
Bloguerra (guerra)





