IsidoroKZ ha scritto:marco438 ha scritto:Ho acceso adesso il computer e mi avete incuriosito.
Ora non vado a letto finche' non mi dici cos'e' sto DRL!
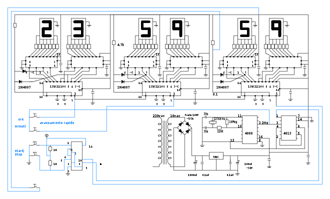
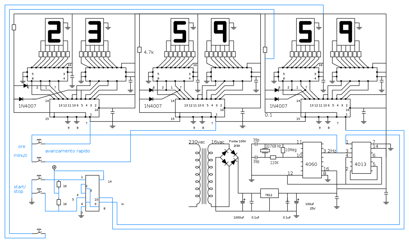
Trovato su wikipedia, Diode Resistor Logic :) aveva detto bene rusty
Bravo ... la prima famiglia logica che abbiamo usato entrambi
... bene vado a pranzo ... ci sentiamo piu' tardi


Elettrotecnica e non solo (admin)
Un gatto tra gli elettroni (IsidoroKZ)
Esperienza e simulazioni (g.schgor)
Moleskine di un idraulico (RenzoDF)
Il Blog di ElectroYou (webmaster)
Idee microcontrollate (TardoFreak)
PICcoli grandi PICMicro (Paolino)
Il blog elettrico di carloc (carloc)
DirtEYblooog (dirtydeeds)
Di tutto... un po' (jordan20)
AK47 (lillo)
Esperienze elettroniche (marco438)
Telecomunicazioni musicali (clavicordo)
Automazione ed Elettronica (gustavo)
Direttive per la sicurezza (ErnestoCappelletti)
EYnfo dall'Alaska (mir)
Apriamo il quadro! (attilio)
H7-25 (asdf)
Passione Elettrica (massimob)
Elettroni a spasso (guidob)
Bloguerra (guerra)








