Cos'è ElectroYou | Login Iscriviti

ElectroYou - la comunità dei professionisti del mondo elettrico

COMMUTAZIONE AUTOMATICA DI TENSIONE

Elettronica lineare e digitale: didattica ed applicazioni

Moderatori: Foto Utentecarloc, Foto Utenteg.schgor, Foto UtenteBrunoValente, Foto UtenteIsidoroKZ

0
voti

[251] Re: COMMUTAZIONE AUTOMATICA DI TENSIONE

Messaggioda Foto UtenteIsidoroKZ » 2 feb 2021, 1:43

gianniniivo ha scritto:sia come miglioramento circuitale sia come disegno schematico.


Ho visto che hai eliminato il secondo trasformatore ausiliario, bene! Due trasfo ausiliari non si potevano vedere.

Ci sono ancora due punti che non vanno, uno piccolo e` che al messaggio [117] avevo detto una cosa, ma non l'hai fatta. Chissa` come mai non sono stupito?

La seconda, questa e`grave, e`l'alimentazione di IC3A che e` riferita allo 0V, e il transistore che comanda e` invece riferito all'alimentazione ausiliaria negativa. Mi domando come faccia a spegnersi il transistore.
Per usare proficuamente un simulatore, bisogna sapere molta più elettronica di lui
Plug it in - it works better!
Il 555 sta all'elettronica come Arduino all'informatica! (entrambi loro malgrado)
Se volete risposte rispondete a tutte le mie domande
Avatar utente
Foto UtenteIsidoroKZ
121,2k 1 3 8
G.Master EY
G.Master EY
 
Messaggi: 21059
Iscritto il: 17 ott 2009, 0:00

0
voti

[252] Re: COMMUTAZIONE AUTOMATICA DI TENSIONE

Messaggioda Foto Utentegianniniivo » 2 feb 2021, 16:28

Ciao Foto UtenteIsidoroKZ, grazie per l’intervento ma non riesco a capire il primo passaggio, se qualcosa è sbagliato purtroppo non lo vedo.

L’indicazione di cui a pag.117 mi sembra di averla rispettata, non ci sono più pin liberi, a meno che tu intenda che il pin non invertente di IC3b non debba essere collegato al riferimento ma al negativo di C1…

Per la seconda, osservazione, quella ritenuta grave, invece, hai perfettamente ragione, (CAMBRONNE…), :oops: e ti ringrazio per la segnalazione. Si tratta di un dettaglio sfuggito durante la ristrutturazione dello schema e riguarda soltanto il disegno teorico perché il circuito reale sulla BreadBoard è giusto ed entrambi i componenti sono collegati al riferimento. Se confermerai provvederò a fare le correzioni. Grazie ancora…
Avatar utente
Foto Utentegianniniivo
9.070 7 11 13
No Rank
 
Messaggi: 2875
Iscritto il: 5 feb 2019, 23:50

0
voti

[253] Re: COMMUTAZIONE AUTOMATICA DI TENSIONE

Messaggioda Foto Utenteedgar » 2 feb 2021, 21:37

gianniniivo ha scritto:Il sistema per “serigrafare” è interessante ma mi chiedo quanto potrebbe durare l’adesione; perché è adesivo

Buona parte dei contenitori che uso ha 4 viti agli angoli, poi interruttori, potenziometri, connettori a pannello & c tengono fermo il tutto
Avatar utente
Foto Utenteedgar
10,0k 4 5 8
Master
Master
 
Messaggi: 5230
Iscritto il: 15 set 2012, 22:59

0
voti

[254] Re: COMMUTAZIONE AUTOMATICA DI TENSIONE

Messaggioda Foto Utentegianniniivo » 2 feb 2021, 21:46

Si è vero Edgar. Credo comunque che sia un intervento che richieda una buona manualità generale e anche una certa pratica specifica e ripetitiva, compreso l'uso di software grafici. Con quei sistemi adesivi, personalmente, non ho mai avuto molta "fortuna", neanche con le protezioni dello schermo del cellulare... :mrgreen:
Avatar utente
Foto Utentegianniniivo
9.070 7 11 13
No Rank
 
Messaggi: 2875
Iscritto il: 5 feb 2019, 23:50

0
voti

[255] Re: COMMUTAZIONE AUTOMATICA DI TENSIONE

Messaggioda Foto Utenteedgar » 2 feb 2021, 22:01

Il problema è centrare il foglio adesivo sul pannello al primo colpo. Una volta riprodotto accuratamente sul foglio la posizione delle 4 viti del pannello, il più è fatto. Con un punzone faccio i 4 fori sul foglio nella posizione corretta, ci infilo 4 viti, tolgo la pellicola che protegge l'adesivo, metto il tutto a faccia in su e calo il pannello usando le viti come riscontro. Ci ho messo un po' a trovare la quadra ma così diventa veramente semplice
Avatar utente
Foto Utenteedgar
10,0k 4 5 8
Master
Master
 
Messaggi: 5230
Iscritto il: 15 set 2012, 22:59

0
voti

[256] Re: COMMUTAZIONE AUTOMATICA DI TENSIONE

Messaggioda Foto Utentegianniniivo » 2 feb 2021, 23:57

Mah, non sono convinto, non della tua maestria ma della mia. Ci vorrebbe qualche cinese che realizzasse i frontalini ad un costo interessante come quei cinesi che fanno le PCB, ma per quel che ne so non ce ne sono, almeno a prezzi abbordabili anche per pochi pezzi...
Avatar utente
Foto Utentegianniniivo
9.070 7 11 13
No Rank
 
Messaggi: 2875
Iscritto il: 5 feb 2019, 23:50

0
voti

[257] Re: COMMUTAZIONE AUTOMATICA DI TENSIONE

Messaggioda Foto Utenteedgar » 3 feb 2021, 0:05

gianniniivo ha scritto:Ci vorrebbe qualche cinese che realizzasse i frontalini ad un costo interessante come quei cinesi che fanno le PCB

Bisognerebbe valutare se si possa usare un foglio di vetronite fatto dal cinese su tuo disegno come pannello frontale :D
Avatar utente
Foto Utenteedgar
10,0k 4 5 8
Master
Master
 
Messaggi: 5230
Iscritto il: 15 set 2012, 22:59

0
voti

[258] Re: COMMUTAZIONE AUTOMATICA DI TENSIONE

Messaggioda Foto Utentegianniniivo » 3 feb 2021, 0:33

Ma pensavo ad un frontalino in metallo, poi per un frontale di vetronite io ho già approfondito ma la risposta è stata negativa...
Avatar utente
Foto Utentegianniniivo
9.070 7 11 13
No Rank
 
Messaggi: 2875
Iscritto il: 5 feb 2019, 23:50

0
voti

[259] Re: COMMUTAZIONE AUTOMATICA DI TENSIONE

Messaggioda Foto Utentegianniniivo » 4 feb 2021, 21:53

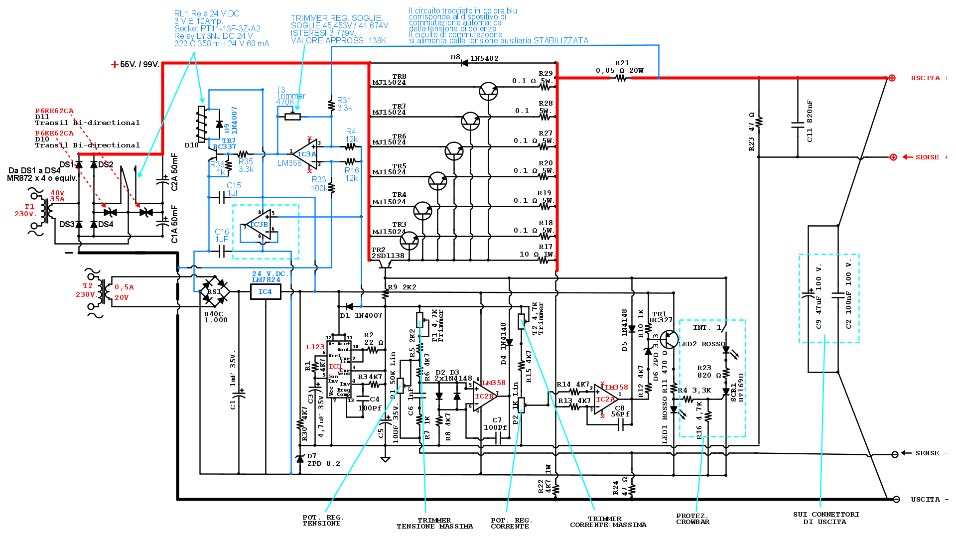
Riprendo l’intervento di Isidoro dopo aver confrontato, con maggiore attenzione, lo schema pubblicato a post [231] con la realizzazione provvisoria del dispositivo.

Ebbene, confermo che il problema sollevato da Isidoro è concreto ma riguarda soltanto lo schema disegnato in FidoCad ed è inesistente sulla realizzazione provvisoria del progetto.
Ovviamente questo nulla toglie alla liceità della contestazione e chiedo scusa per l’errore di esposizione involontariamente commesso.

In ragione di ciò, provvedo a pubblicare l’ultima versione dello schema debitamente riveduta e corretta e, soprattutto funzionante.
Avatar utente
Foto Utentegianniniivo
9.070 7 11 13
No Rank
 
Messaggi: 2875
Iscritto il: 5 feb 2019, 23:50

0
voti

[260] Re: COMMUTAZIONE AUTOMATICA DI TENSIONE

Messaggioda Foto UtenteIsidoroKZ » 4 feb 2021, 22:46

Il condensatore C16 ha i due terminali collegati allo stesso nodo.
Per usare proficuamente un simulatore, bisogna sapere molta più elettronica di lui
Plug it in - it works better!
Il 555 sta all'elettronica come Arduino all'informatica! (entrambi loro malgrado)
Se volete risposte rispondete a tutte le mie domande
Avatar utente
Foto UtenteIsidoroKZ
121,2k 1 3 8
G.Master EY
G.Master EY
 
Messaggi: 21059
Iscritto il: 17 ott 2009, 0:00

PrecedenteProssimo

Torna a Elettronica generale

Chi c’è in linea

Visitano il forum: Nessuno e 122 ospiti