Ciao a tutti ed un caloroso benvenuto a brabus; scusatemi ma ieri sera gli amici sono venuti a prelevarmi "con la forza" e non mi hanno lasciato possibilità di replica...
Dunque, il cavo Litz l' ho già trovato e sono curioso di provarlo. Per il momento ne ho trovato uno da 5mm² di sezione costruito con fili da 0,12mm di diametro. Grazie brabus, hai avuto veramente un' ottima idea!...... l' opzione di poter costruire il cavo non l' avevo nemmeno presa in considerazione ma l' idea che hai avuto è davvero furba, se sorgono dei problemi con quello comprato allora provvederò a costruirne uno a doc !
Ho trovato anche i due modelli di cavo coassiale che mi hai indicato, se sono di parola dovrebbero spedirmene alcuni campioni così avremmo la possibilità di mettere a confronto il loro comportamento e di valutare la scelta migliore...... dev' essere un' esperimento interessante, appena ho tutto procedo!
Bruno, ti ringrazio tantissimo per il capolavoro che hai postato, ora mi è tutto chiaro. Ho stampato il foglio e me lo sono appeso in bella vista di fronte alla scrivania, ogni volta che alzo la testa lo vedo.... così dovrei riuscire a fissarmi nella mente quel concentrato di accorgimenti! Grazie, mi sarà utilissimo!
Mi sono arrivati anche i condensatori SMD, pensavo allora di procedere disegnando uno schema che possa essere montato sulle due piastrine di rame, quando ho pronto il disegno ve lo posto così discutiamo eventuali modifiche.....
Tra le righe delle pagine precedenti mi è giunto anche un' altro suggerimento che credo possa essere applicabile senza particolari problemi. Per il pilotaggio dei mosfet utilizzerò due circuiti a trasformatore identici, però invece che far switchare entrambi i transistor di potenza ne lascerò uno costantemente chiuso o aperto (salvo nelle operazioni iniziali di controllo integrità) mentre l' altro regolerà il rapporto Ton/Toff del duty cycle. In questo modo dovrei riuscire a semplificare il circuito poiché soltanto uno dei due mosfet (quello di switch) richiederà una protezione più consistente, per l' altro basterebbe uno zener...... cosa ne pensate ?
Ciao e grazie!
David
Progetto elettroutensile a batteria
Moderatori:
carloc,
g.schgor,
BrunoValente,
IsidoroKZ
0
voti
davidde, grazie a te del caloroso benvenuto!
E' un onore e un piacere per me potermi unire alla discussione, anche se la mia esperienza è alquanto limitata!
Mi è venuta in mente un'altra cosa.. Hai presente le bobine di smagnetizzazione dei cinescopi?

Internamente sono fatte proprio come un cavo Litz!
Il diametro dei fili non è proprio sottilissimo, ma dovrebbe comunque essere inferiore al millimetro (vado a memoria, l'ultimo televisore che ho smontato risale all'anno scorso..).
Sempre se la memoria non mi inganna, nei monitor CRT "da computer" si possono trovare bobine di smagnetizzazione con rame ancor più sottile..
Taglia a metà la bobina magari mettendo in parallelo più spezzoni (tenendo sempre ben stretti fra loro i cavi che vanno al riscaldatore)
Qui c'è l'esempio di un personaggio che ha realizzato il secondario di un trasformatore usando proprio una bobina di degauss:
http://www.dutchforce.com/~eforum/index ... opic=19908
Il risultato appare un po' "sporco", ma si può far sicuramente di meglio.
Suppongo che il personaggio in questione abbia usato questo tipo di cavo per la maggior flessibilità rispetto ad una corda da "tot" mm^2, e non per ridurre l'effetto pelle et similia.
Per ridurre ulteriormente l'induttanza parassita mi veniva in mente questo: dividere a metà i trefoli del cavo Litz ottenuto dalla bobina tagliata, ed usare metà dei conduttori per il polo positivo, e l'altra metà per il negativo. Non è particolarmente oneroso separare i cavi, solitamente nella bobina del cinescopio ce ne sono una ventina (a memoria).
Mettendo poi in parallelo più cavi lavorati allo stesso modo puoi incrementare la sezione del conduttore.
In questo modo l'area sottesa dalla "spira" diventa ridottissima, con conseguente diminuzione dell'induttanza parassita, che se ho ben capito è il fattore limitante più grosso.
Voi che dite?
P.s.:
Ho fatto anch'io la stessa cosa, grazie infinite Bruno!!
E' un onore e un piacere per me potermi unire alla discussione, anche se la mia esperienza è alquanto limitata!
Mi è venuta in mente un'altra cosa.. Hai presente le bobine di smagnetizzazione dei cinescopi?

Internamente sono fatte proprio come un cavo Litz!
Il diametro dei fili non è proprio sottilissimo, ma dovrebbe comunque essere inferiore al millimetro (vado a memoria, l'ultimo televisore che ho smontato risale all'anno scorso..).
Sempre se la memoria non mi inganna, nei monitor CRT "da computer" si possono trovare bobine di smagnetizzazione con rame ancor più sottile..
Taglia a metà la bobina magari mettendo in parallelo più spezzoni (tenendo sempre ben stretti fra loro i cavi che vanno al riscaldatore)
Qui c'è l'esempio di un personaggio che ha realizzato il secondario di un trasformatore usando proprio una bobina di degauss:
http://www.dutchforce.com/~eforum/index ... opic=19908
Il risultato appare un po' "sporco", ma si può far sicuramente di meglio.
Suppongo che il personaggio in questione abbia usato questo tipo di cavo per la maggior flessibilità rispetto ad una corda da "tot" mm^2, e non per ridurre l'effetto pelle et similia.
Per ridurre ulteriormente l'induttanza parassita mi veniva in mente questo: dividere a metà i trefoli del cavo Litz ottenuto dalla bobina tagliata, ed usare metà dei conduttori per il polo positivo, e l'altra metà per il negativo. Non è particolarmente oneroso separare i cavi, solitamente nella bobina del cinescopio ce ne sono una ventina (a memoria).
Mettendo poi in parallelo più cavi lavorati allo stesso modo puoi incrementare la sezione del conduttore.
In questo modo l'area sottesa dalla "spira" diventa ridottissima, con conseguente diminuzione dell'induttanza parassita, che se ho ben capito è il fattore limitante più grosso.
Voi che dite?
P.s.:
Bruno, ti ringrazio tantissimo per il capolavoro che hai postato, ora mi è tutto chiaro. Ho stampato il foglio e me lo sono appeso in bella vista di fronte alla scrivania, ogni volta che alzo la testa lo vedo.... così dovrei riuscire a fissarmi nella mente quel concentrato di accorgimenti! Grazie, mi sarà utilissimo!
Ho fatto anch'io la stessa cosa, grazie infinite Bruno!!

Alberto.
1
voti
Riflettevo sul tipo di cavo: anche se con il coassiale forse si potrebbe arrivare ad un risultato decente, la soluzione migliore resta quella con tanti cavi sottili avvolti: il coassiale non riduce al minimo l'induttanza come invece possono fare i cavi appaiati perché all'interno, nel volume occupato dal dielettrico, quando la corrente scorre nel conduttore centrale e ricircola attraverso la calza esterna, si forma un campo magnetico a cui compete una certa energia ed è proprio la produzione e l'assorbimento di questa energia che da luogo a fenomeni di autoinduzione e quindi ad un'induttanza...fa proprio parte del funzionamento del cavo coassiale... il fatto che all'esterno i campi siano nulli non deve indurre a pensare ad un conduttore con induttanza nulla, l'induttanza c'è e il campo magnetico è ben confinato all'interno.
Ho fatto due conti e mi pare che l'RG8 presenti un'induttanza di circa 0.2uH al metro che, correggetemi se sbaglio, dovrebbe consentire con 5V una velocità di salita della corrente di 100A in 4us.
E poi c'è l'effetto pelle che è un'altra cosa ma che pure si riduce utilizzando tanti conduttori al posto del cavo coassiale.
Che ne pensate invece, per semplificare le cose, di utilizzare un cavo multiplo? sono flessibili e molto comuni a livello industriale (non per applicazioni come questa ovviamente) e se ne trovano di qualsiasi sezione e con un numero di cavi (isolati tra loro) anche elevatissimo, sessanta ed oltre, sono inoltre protetti da una guaina che può essere di vari tipi di gomma o addirittura armata in metallo per gli impieghi più gravosi.
In questo modo si eviterebbe la costruzione del cavo che, come giustamente facevate notare qualche giorno fa, è un fatto importante e che ora invece, siccome ci avete preso gusto, state sottovalutando

Ho fatto due conti e mi pare che l'RG8 presenti un'induttanza di circa 0.2uH al metro che, correggetemi se sbaglio, dovrebbe consentire con 5V una velocità di salita della corrente di 100A in 4us.
E poi c'è l'effetto pelle che è un'altra cosa ma che pure si riduce utilizzando tanti conduttori al posto del cavo coassiale.
Che ne pensate invece, per semplificare le cose, di utilizzare un cavo multiplo? sono flessibili e molto comuni a livello industriale (non per applicazioni come questa ovviamente) e se ne trovano di qualsiasi sezione e con un numero di cavi (isolati tra loro) anche elevatissimo, sessanta ed oltre, sono inoltre protetti da una guaina che può essere di vari tipi di gomma o addirittura armata in metallo per gli impieghi più gravosi.
In questo modo si eviterebbe la costruzione del cavo che, come giustamente facevate notare qualche giorno fa, è un fatto importante e che ora invece, siccome ci avete preso gusto, state sottovalutando
-

BrunoValente
39,6k 7 11 13 - G.Master EY

- Messaggi: 7796
- Iscritto il: 8 mag 2007, 14:48
0
voti
Spero di non andare OT con questa mia domanda:
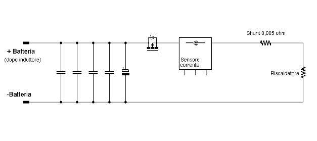
Osservando le foto del circuito che hai costruito, David, ho notato che dopo il sensore ad effetto Hall hai mantenuto uno shunt resistivo da 5 mohm.
Ho trovato informazioni sulla corrente qui:
Posso chiederti come mai hai deciso di mantenere lo shunt, nonostante esso dissipi una potenza sui 20W?
Osservando le foto del circuito che hai costruito, David, ho notato che dopo il sensore ad effetto Hall hai mantenuto uno shunt resistivo da 5 mohm.
Ho trovato informazioni sulla corrente qui:
La corrente di picco che vi scorre varia infatti da 65A (quando il riscaldatore è freddo) a circa 55A (quando il riscaldatore è alla temperatura di 500°C) perciò l'escursione di corrente che discrimina le condizioni limite di funzionamento del riscaldatore è del 15% soltanto.
Posso chiederti come mai hai deciso di mantenere lo shunt, nonostante esso dissipi una potenza sui 20W?
Alberto.
2
voti
Allora, per quanto riguarda la costruzione del cavo sono assolutamente d' accordo con Bruno....... come ho già detto il cavo che realizzerà le connessioni di potenza dovrà essere commerciale, è impossibile pensare ad una sua costruzione in serie, troppo laboriosa, difficile ed incerta. Per le prove invece non ci sono problemi, costruirne uno spezzone è un 'impresa "abbordabile", lo farò più che volentieri anche soltanto fine a se stessa..... ormai questo argomento dei cavi mi ha incuriosito e vista la rara possibilità applicativa che abbiamo vorrei andare fino in fondo.
Bruno, continui a metter carne al fuoco!
Bene, aggiungiamo anche questo in prova, mi sembra una soluzione alquanto interessante, effettivamente potrebbe rivelarsi il più adatto..... non ci resta che provarlo! Per averne la certezza ti chiedo se il riferimento era a un cavo di questa tipologia:
[
Ho aggiornato la situazione delle prove da farsi anche con la tua ultima soluzione, tra l' altro il filo smaltato sufficientemente sottile dovrei già averlo da qualche parte.... devo soltanto trovarlo.
No no, non sei OT anzi...... per il momento ho mantenuto lo shunt perché non sono sicuro che il sensore di Hall lavori correttamente, osservando il segnale all' oscilloscopio si vede la forma d' onda della corrente piuttosto frastagliata e perciò misurare in diretta dal suo pin d' uscita non è cosa semplice. Credo che il malfunzionamento (se così si può definire) sia legato alla mancanza del filtro in uscita che come riporta nel datasheet è necessario e dall' eccessivo rumore che i transistor creano durante la commutazione (ancora mancano le protezioni per tosare gli spike). La lettura ai capi dello shunt è invece "molto più pulita" e quindi volevo mantenerlo fino a quando non sarò certo delle misure effettuate con il sensore Hall.... diciamo che lo uso come strumento di comparazione ma sicuramente nella versione finale sarà eliminato !
Grazie anche per le dritte sul cavo Litz utilizzato per la smagnetizzazione del cinescopio, di televisori ne ho aperti parecchi ma non avevo mai notato questo particolare costruttivo.....interessante !
Continuo a disegnare, poi se siete d' accordo diamo un' occhiata insieme anche a come effettuare le misure per capire le differenze tra cavo e cavo; se facciamo un bel lavoro (e ne ho tutte le intenzioni) credo che potrebbe essere molto utile anche ad altri che potrebbero sfruttarle usandole come traccia quando, come me, si renderanno conto che il cavo anche se corto è assolutamente fondamentale per trasferire correttamente la potenza.....
Per il momento vi saluto !
David
Bruno valente scrive:
Che ne pensate invece, per semplificare le cose, di utilizzare un cavo multiplo? sono flessibili e molto comuni a livello industriale (non per applicazioni come questa ovviamente) e se ne trovano di qualsiasi sezione e con un numero di cavi (isolati tra loro) anche elevatissimo, sessanta ed oltre, sono inoltre protetti da una guaina che può essere di vari tipi di gomma o addirittura armata in metallo per gli impieghi più gravosi.
Bruno, continui a metter carne al fuoco!
[
Ho aggiornato la situazione delle prove da farsi anche con la tua ultima soluzione, tra l' altro il filo smaltato sufficientemente sottile dovrei già averlo da qualche parte.... devo soltanto trovarlo.
Brabus scrive:
Osservando le foto del circuito che hai costruito, David, ho notato che dopo il sensore ad effetto Hall hai mantenuto uno shunt resistivo da 5 mohm.
No no, non sei OT anzi...... per il momento ho mantenuto lo shunt perché non sono sicuro che il sensore di Hall lavori correttamente, osservando il segnale all' oscilloscopio si vede la forma d' onda della corrente piuttosto frastagliata e perciò misurare in diretta dal suo pin d' uscita non è cosa semplice. Credo che il malfunzionamento (se così si può definire) sia legato alla mancanza del filtro in uscita che come riporta nel datasheet è necessario e dall' eccessivo rumore che i transistor creano durante la commutazione (ancora mancano le protezioni per tosare gli spike). La lettura ai capi dello shunt è invece "molto più pulita" e quindi volevo mantenerlo fino a quando non sarò certo delle misure effettuate con il sensore Hall.... diciamo che lo uso come strumento di comparazione ma sicuramente nella versione finale sarà eliminato !
Grazie anche per le dritte sul cavo Litz utilizzato per la smagnetizzazione del cinescopio, di televisori ne ho aperti parecchi ma non avevo mai notato questo particolare costruttivo.....interessante !
Continuo a disegnare, poi se siete d' accordo diamo un' occhiata insieme anche a come effettuare le misure per capire le differenze tra cavo e cavo; se facciamo un bel lavoro (e ne ho tutte le intenzioni) credo che potrebbe essere molto utile anche ad altri che potrebbero sfruttarle usandole come traccia quando, come me, si renderanno conto che il cavo anche se corto è assolutamente fondamentale per trasferire correttamente la potenza.....
Per il momento vi saluto !
David
2
voti
Ciao a tutti,
questo è quanto:
Per quanto riguarda il disegno del PCB è da interpretare così:
- Le aree rosse simboleggiano la piattina di rame (spessore 3mm)
- Le "linee" verticali sono dei faston visti dall' alto e sono i punti di connessione della batteria e del cavo che va al riscaldatore (se i faston non vanno bene stagnerò direttamente i cavi nei punti indicati).
- I condensatori SMD sono da 470nF;100V in X7R
- L' area totale coperta dalle "piste" è di circa 10 cm² (25mm x 40mm), in 5 cm² proprio non ci riesco....
- Ho dovuto inserire nel disegno anche il sensore di corrente altrimenti avrei dovuto stagnarlo volante e la cosa non mi sembrava sensata, i componenti che saranno da aggiungere verranno stagnati direttamente sulle piastre di rame escluso l' induttore d' ingresso che per il momento rimane volante.
Come sono andato?
Ciao e grazie !
David
questo è quanto:
Per quanto riguarda il disegno del PCB è da interpretare così:
- Le aree rosse simboleggiano la piattina di rame (spessore 3mm)
- Le "linee" verticali sono dei faston visti dall' alto e sono i punti di connessione della batteria e del cavo che va al riscaldatore (se i faston non vanno bene stagnerò direttamente i cavi nei punti indicati).
- I condensatori SMD sono da 470nF;100V in X7R
- L' area totale coperta dalle "piste" è di circa 10 cm² (25mm x 40mm), in 5 cm² proprio non ci riesco....
- Ho dovuto inserire nel disegno anche il sensore di corrente altrimenti avrei dovuto stagnarlo volante e la cosa non mi sembrava sensata, i componenti che saranno da aggiungere verranno stagnati direttamente sulle piastre di rame escluso l' induttore d' ingresso che per il momento rimane volante.
Come sono andato?
Ciao e grazie !
David
2
voti
Ciao a tutti,
ecco qui il nuovo circuito:
Qui ci sono le due immagini da scaricare
La parte di potenza è stata disegnata tentando di seguire al meglio la disposizione dei componenti dello schema precedente. Le piste costruite con la piattina di rame (spessore 3mm) sono state "incastonate" in appositi bassofondi ricavati nella vetronite in modo da garantire il posizionamento, l' induttanza è stata riavvolta utilizzando cinque conduttori smaltati da 1,5mm² cadauno. Ho avvicinato al massimo il mosfet al circuito di pilotaggio (circa 1cm) e collegato i terminali nelle immediate vicinanze del componente.
Mi sono nel frattempo arrivati quasi tutti i cavi di cui avevamo discusso (manca soltanto l' ultimo, quello multipolare, che dovrebbe arrivare nei prossimi giorni). Ricapitolando abbiamo:
- Coassiale RG8
- Coassiale RG218
- Cavo schermato di potenza (schermo + 7 conduttori da 1,5mm²)
- Cavo Litz (da 5mm² composto da 400 conduttori)
- Filo smaltato da 0.5mm² per la costruzione del cavo Litz bipolare
- Multipolare (schermo + 20 conduttori da 0.5mm²)(in arrivo)
A questo punto chiederei come procedere. Nel circuito ci sono ancora alcune cose da sistemare ed "approvare" (filtro LC, protezione mosfet). Visto che però il cavo si è dimostrato elemento fondamentale del circuito cambiandolo si stravolgerà nuovamente tutto. Quindi cosa facciamo ? Sistemo prima il circuito o procediamo nel test dei cavi ?
Ciao e grazie!
David
ecco qui il nuovo circuito:
Qui ci sono le due immagini da scaricare
La parte di potenza è stata disegnata tentando di seguire al meglio la disposizione dei componenti dello schema precedente. Le piste costruite con la piattina di rame (spessore 3mm) sono state "incastonate" in appositi bassofondi ricavati nella vetronite in modo da garantire il posizionamento, l' induttanza è stata riavvolta utilizzando cinque conduttori smaltati da 1,5mm² cadauno. Ho avvicinato al massimo il mosfet al circuito di pilotaggio (circa 1cm) e collegato i terminali nelle immediate vicinanze del componente.
Mi sono nel frattempo arrivati quasi tutti i cavi di cui avevamo discusso (manca soltanto l' ultimo, quello multipolare, che dovrebbe arrivare nei prossimi giorni). Ricapitolando abbiamo:
- Coassiale RG8
- Coassiale RG218
- Cavo schermato di potenza (schermo + 7 conduttori da 1,5mm²)
- Cavo Litz (da 5mm² composto da 400 conduttori)
- Filo smaltato da 0.5mm² per la costruzione del cavo Litz bipolare
- Multipolare (schermo + 20 conduttori da 0.5mm²)(in arrivo)
A questo punto chiederei come procedere. Nel circuito ci sono ancora alcune cose da sistemare ed "approvare" (filtro LC, protezione mosfet). Visto che però il cavo si è dimostrato elemento fondamentale del circuito cambiandolo si stravolgerà nuovamente tutto. Quindi cosa facciamo ? Sistemo prima il circuito o procediamo nel test dei cavi ?
Ciao e grazie!
David
2
voti
Bel lavoro, davidde!
Se non erro avevi già fatto alcune prove con il carico molto prossimo allo stadio di potenza, senza usare alcun cavo di collegamento, e mi pare di capire che i risultati fossero più che soddisfacenti.
Io direi che con la disponibilità di cavi che hai (
) ti puoi permettere un confronto più tardi; io mi concentrerei sugli effettivi vantaggi del nuovo layout.
Hai provato a collegare di nuovo il riscaldatore direttamente allo stadio di potenza, senza cavi? Come sono le forme d'onda?
Una mia curiosità: Per toglierci definitivamente il pensiero, che ne dici di fare delle misurazioni dapprima con il condensatore da 10.000 uF e poi.. senza?
Un'altra domanda: hai realizzato le "piste" con vere e proprie "blindosbarre in miniatura".. Come hai scelto lo spessore di 3 mm? Non mi sembra una soluzione molto "agevole", devi aver lavorato non poco per fare quel lavoretto (è venuto veramente bene, per inciso!).
Hai pensato di realizzare le piste, magari più larghe, su PCB oppure l'idea delle blindosbarre è definitiva?
p.s.: sbaglio o il cavo è collegato con polarità invertita?
Se non erro avevi già fatto alcune prove con il carico molto prossimo allo stadio di potenza, senza usare alcun cavo di collegamento, e mi pare di capire che i risultati fossero più che soddisfacenti.
Io direi che con la disponibilità di cavi che hai (
Hai provato a collegare di nuovo il riscaldatore direttamente allo stadio di potenza, senza cavi? Come sono le forme d'onda?
Una mia curiosità: Per toglierci definitivamente il pensiero, che ne dici di fare delle misurazioni dapprima con il condensatore da 10.000 uF e poi.. senza?
Un'altra domanda: hai realizzato le "piste" con vere e proprie "blindosbarre in miniatura".. Come hai scelto lo spessore di 3 mm? Non mi sembra una soluzione molto "agevole", devi aver lavorato non poco per fare quel lavoretto (è venuto veramente bene, per inciso!).
Hai pensato di realizzare le piste, magari più larghe, su PCB oppure l'idea delle blindosbarre è definitiva?
p.s.: sbaglio o il cavo è collegato con polarità invertita?
Alberto.
2
voti
Vi ringrazio molto per i complimenti, fanno sempre piacere! La costruzione è stata piuttosto laboriosa e mi è costata quasi una giornata..... speriamo almeno che il circuito sia sufficientemente robusto !
Per quanto riguarda il cavo avete ragione ma ho scattato le foto appena finito (cioè oggi pomeriggio) ed l' ho infilato in quella posizione per farvi vedere il montaggio....... ora comunque lo giro altrimenti va a finire che me lo scordo e faccio la prova al contrario !
Oscillogrammi non ne ho ancora rilevati....
Il problema è proprio questo se elimino il cavo le condizioni di funzionamento si modificano pesantemente. Senza cavo la corrente sale fino a 110A di picco e gli spike durante l' apertura dei mosfet sono modesti, se invece metto il cavo la corrente rimane molto più bassa e presenta una velocità di salita troppo lenta. Credo che un minimo di cavo sarebbe meglio lasciarlo per non alterare troppo le condizioni di reale funzionamento, potrei lasciare su quello attuale che dovrebbe essere una via di mezzo.........
Si, nella versione definitiva tirerei a realizzare piste larghe su entrambi i lati dello stampato, le "blindosbarrine" non sono molto convenienti....... i tre millimetri di altezza li ho scelti perché con quello spessore la sezione minima (corrispondente al terminale drain) è di almeno 6mm². Facendo però il conto della larghezza delle piste ipotizzando uno spessore di rame di 35um vengono troppo larghe
Mi organizzo ed appena riesco vi posto i primi oscillogrammi....
Ciao e grazie!
David
Per quanto riguarda il cavo avete ragione ma ho scattato le foto appena finito (cioè oggi pomeriggio) ed l' ho infilato in quella posizione per farvi vedere il montaggio....... ora comunque lo giro altrimenti va a finire che me lo scordo e faccio la prova al contrario !
Oscillogrammi non ne ho ancora rilevati....
Brabus scrive:
Io direi che con la disponibilità di cavi che hai () ti puoi permettere un confronto più tardi; io mi concentrerei sugli effettivi vantaggi del nuovo layout.
Hai provato a collegare di nuovo il riscaldatore direttamente allo stadio di potenza, senza cavi? Come sono le forme d'onda?
Il problema è proprio questo se elimino il cavo le condizioni di funzionamento si modificano pesantemente. Senza cavo la corrente sale fino a 110A di picco e gli spike durante l' apertura dei mosfet sono modesti, se invece metto il cavo la corrente rimane molto più bassa e presenta una velocità di salita troppo lenta. Credo che un minimo di cavo sarebbe meglio lasciarlo per non alterare troppo le condizioni di reale funzionamento, potrei lasciare su quello attuale che dovrebbe essere una via di mezzo.........
Brabus scrive:
Una mia curiosità: Per toglierci definitivamente il pensiero, che ne dici di fare delle misurazioni dapprima con il condensatore da 10.000 uF e poi.. senza?
Brabus è anche una mia grandissima curiosità, e mi piacerebbe proprio partire da qui. Infatti durante le prove precedenti ho variato in modo abbastanza sistematico la capacità di quel condensatore portandola da 2000uF fino a anche 22000uF senza però riuscire a capire quanto ciò influisse, sopra i 4700uF qualsiasi aumento sembra vano.
Facciamo così, misuro la corrente nel riscaldatore e simultaneamente la tensione ai suoi capi, prima con l' elettrolitico montato poi senza, cosa ne dici ?Brabus scrive:
Un'altra domanda: hai realizzato le "piste" con vere e proprie "blindosbarre in miniatura".. Come hai scelto lo spessore di 3 mm? Non mi sembra una soluzione molto "agevole", devi aver lavorato non poco per fare quel lavoretto (è venuto veramente bene, per inciso!).
Hai pensato di realizzare le piste, magari più larghe, su PCB oppure l'idea delle blindosbarre è definitiva?
Si, nella versione definitiva tirerei a realizzare piste larghe su entrambi i lati dello stampato, le "blindosbarrine" non sono molto convenienti....... i tre millimetri di altezza li ho scelti perché con quello spessore la sezione minima (corrispondente al terminale drain) è di almeno 6mm². Facendo però il conto della larghezza delle piste ipotizzando uno spessore di rame di 35um vengono troppo larghe
Mi organizzo ed appena riesco vi posto i primi oscillogrammi....
Ciao e grazie!
David
2
voti
Ciao a tutti, scusate il ritardo !
Ho cominciato da ieri a controllare all' oscilloscopio i segnali, vi posto le prime foto. Tenete presente che per il momento ho appositamente omesso qualsiasi tipo di protezione per i picchi, così potete vedere come si presentano sin dall' inizio le forme d' onda di tensione e corrente. Non sapendo bene da dove partire nel mostrarvi la situazione generale ho deciso di farvi vedere prima di tutto come si presentino i segnali ai capi del riscaldatore quando è collegato al circuito direttamente oppure tramite cavo. Il cavo utilizzato è quello che si vede nelle fotografie precedenti (multipolare schermato con sette conduttori interni). Per le misure di corrente ho utilizzato lo shunt da 0,005ohm.
Questo è lo schema:
Qui si vedono gli andamenti della corrente (CH1) e della tensione (CH2) ai capi del riscaldatore quando è collegato direttamente al circuito:
Questa è la forma d' onda della corrente:
Qui invece si vedono gli andamenti della corrente (CH1) e della tensione (CH2) ai capi del riscaldatore quando è collegato al circuito tramite il cavo:
Questa è la forma d' onda della corrente:
Qui ci sono le fotografie ad alta risoluzione.
Credo che l' utilizzo del cavo di collegamento circuito-riscaldatore sia necessario visto che senza la corrente ha picchi di 200A.
Voi cosa ne dite ?
Ciao e grazie!
David
Ho cominciato da ieri a controllare all' oscilloscopio i segnali, vi posto le prime foto. Tenete presente che per il momento ho appositamente omesso qualsiasi tipo di protezione per i picchi, così potete vedere come si presentano sin dall' inizio le forme d' onda di tensione e corrente. Non sapendo bene da dove partire nel mostrarvi la situazione generale ho deciso di farvi vedere prima di tutto come si presentino i segnali ai capi del riscaldatore quando è collegato al circuito direttamente oppure tramite cavo. Il cavo utilizzato è quello che si vede nelle fotografie precedenti (multipolare schermato con sette conduttori interni). Per le misure di corrente ho utilizzato lo shunt da 0,005ohm.
Questo è lo schema:
Qui si vedono gli andamenti della corrente (CH1) e della tensione (CH2) ai capi del riscaldatore quando è collegato direttamente al circuito:
Questa è la forma d' onda della corrente:
Qui invece si vedono gli andamenti della corrente (CH1) e della tensione (CH2) ai capi del riscaldatore quando è collegato al circuito tramite il cavo:
Questa è la forma d' onda della corrente:
Qui ci sono le fotografie ad alta risoluzione.
Credo che l' utilizzo del cavo di collegamento circuito-riscaldatore sia necessario visto che senza la corrente ha picchi di 200A.
Voi cosa ne dite ?
Ciao e grazie!
David
Chi c’è in linea
Visitano il forum: Nessuno e 128 ospiti

Elettrotecnica e non solo (admin)
Un gatto tra gli elettroni (IsidoroKZ)
Esperienza e simulazioni (g.schgor)
Moleskine di un idraulico (RenzoDF)
Il Blog di ElectroYou (webmaster)
Idee microcontrollate (TardoFreak)
PICcoli grandi PICMicro (Paolino)
Il blog elettrico di carloc (carloc)
DirtEYblooog (dirtydeeds)
Di tutto... un po' (jordan20)
AK47 (lillo)
Esperienze elettroniche (marco438)
Telecomunicazioni musicali (clavicordo)
Automazione ed Elettronica (gustavo)
Direttive per la sicurezza (ErnestoCappelletti)
EYnfo dall'Alaska (mir)
Apriamo il quadro! (attilio)
H7-25 (asdf)
Passione Elettrica (massimob)
Elettroni a spasso (guidob)
Bloguerra (guerra)
