Cos'è ElectroYou | Login Iscriviti

ElectroYou - la comunità dei professionisti del mondo elettrico

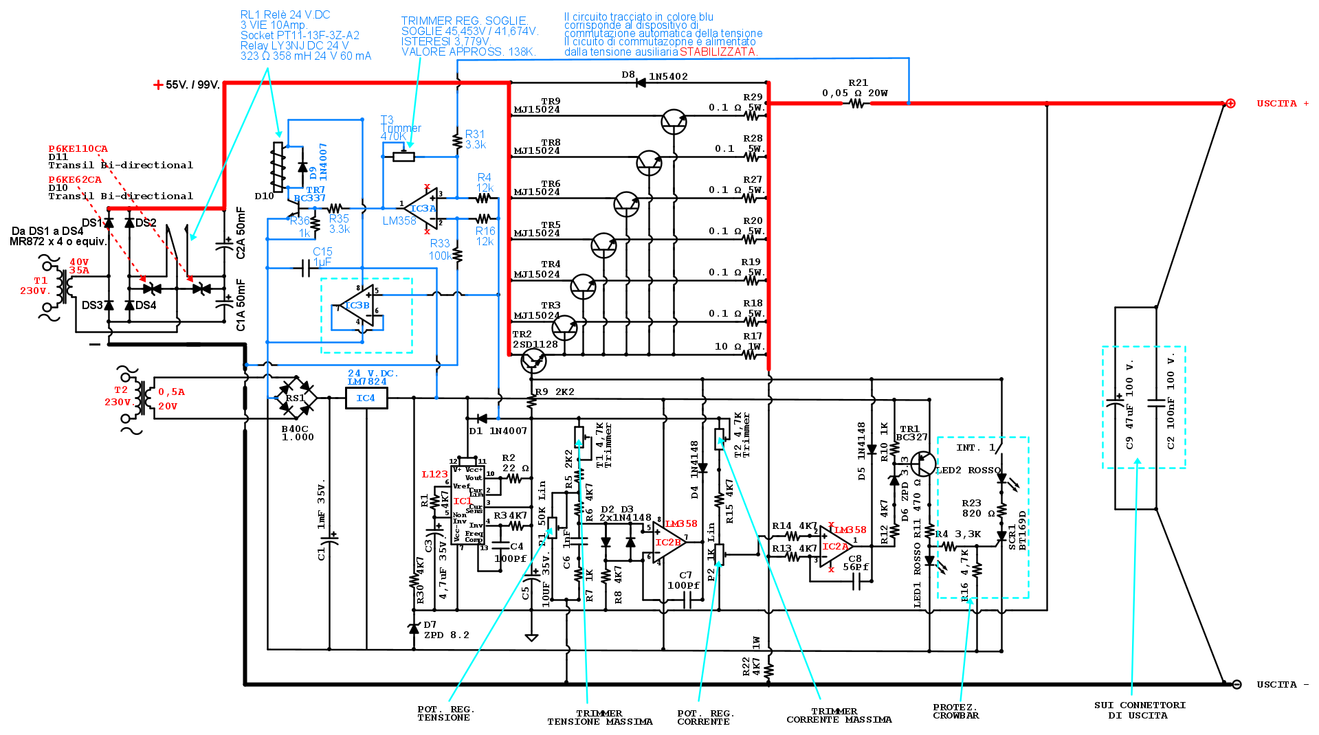
COMMUTAZIONE AUTOMATICA DI TENSIONE

Elettronica lineare e digitale: didattica ed applicazioni

Moderatori: Foto Utentecarloc, Foto Utenteg.schgor, Foto UtenteBrunoValente, Foto UtenteIsidoroKZ

0
voti

[261] Re: COMMUTAZIONE AUTOMATICA DI TENSIONE

Messaggioda Foto Utenteabusivo » 4 feb 2021, 22:56

IsidoroKZ ha scritto:Il condensatore C16 ha i due terminali collegati allo stesso nodo.

Andrebbe collegato sul lato positivo del ponte e non sul negativo!
Se quello che funziona basta non lo tocca' sennò te lassa!
Avatar utente
Foto Utenteabusivo
13,3k 4 7 10
Master
Master
 
Messaggi: 7008
Iscritto il: 16 ott 2012, 18:43
Località: L'Aquila

1
voti

[262] Re: COMMUTAZIONE AUTOMATICA DI TENSIONE

Messaggioda Foto Utentegianniniivo » 4 feb 2021, 23:27

Vero, quel condensatore si potrebbe anche togliere ma non potendo modificare le pubblicazioni lo lascerei così, male non fa. Se verrà introdotto qualche altro servizio o individuata una nuova correzione da apportare, pubblicherò una ulteriore versione dello schema senza quel condensatore.
Avatar utente
Foto Utentegianniniivo
9.045 7 11 13
No Rank
 
Messaggi: 2875
Iscritto il: 5 feb 2019, 23:50

2
voti

[263] Re: COMMUTAZIONE AUTOMATICA DI TENSIONE

Messaggioda Foto Utentegianniniivo » 28 nov 2021, 19:18

Nell’ultimo mio passaggio dissi che in caso di modifiche avrei corretto lo schema. Poiché ho introdotto delle modifiche colgo l’occasione per introdurre anche le correzioni richieste da Isidoro che ringrazio.

Eliminato il condensatore C16 da 1uF;

eliminata la connessioni SENSE + e SENSE -;
eliminata R23 da 47 Ω;
eliminata R24 da 47 Ω;
eliminato C11 da 820nF;
corretta sigla diodo Transil D11 con P6KE110CA;
sostituito transistor Tr2 con Darlington 2SD128 o BDX53E o similare per tensioni superiori a 100V.

Non ho trovato altre correzioni ma se mi fosse sfuggito qualche dettaglio chiedo la cortesia di segnalarlo.

Faccio una precisazione sull'apparente disordine della numerazione dei componenti.
Qui è rappresentato uno schema unico ma nella realtà le lavorazioni sono andate un po’ diversamente. Prima è stato schematizzato l’alimentatore con la sua PCB serigrafata poi è stato aggiunto il duplicatore/commutatore ed è per questo motivo che lo schema complessivo appare con quella numerazione disordinata dei componenti. Rinumerare la componentistica non è possibile proprio a causa dello sviluppo del progetto in momenti diversi su due PCB separate. Separando lo schema dell’alimentatore, da quello del duplicatore e circuito di commutazione, si vedrebbe una numerazione coerente e progressiva.

Forse l’ideale potrebbe essere rinumerare i componenti e riprogettare una PCB unica ma non sarebbe un impegno da poco. L’alimentatore funziona bene; l’unico problema è il peso a causa del trasformatore.
Avatar utente
Foto Utentegianniniivo
9.045 7 11 13
No Rank
 
Messaggi: 2875
Iscritto il: 5 feb 2019, 23:50

2
voti

[264] Re: COMMUTAZIONE AUTOMATICA DI TENSIONE

Messaggioda Foto Utentegianniniivo » 30 nov 2021, 16:21

Ritorno in argomento perché sento il dovere di ribadire e dare rilievo ad un dettaglio che se sottovalutato determinerebbe problemi gravi per il regolare funzionamento del sistema di commutazione automatica, in particolare per quanto attiene l’isteresi, oltre che per ottenere un’assoluta stabilità della tensione d’uscita e per la riduzione ai minimi termini del ripple.

La tensione ausiliaria di 20V A.C., una volta raddrizzata, deve essere OBBLIGATORIAMENTE stabilizzata altrimenti anche le soglie di isteresi varierebbero in funzione delle variazioni di tensione determinate dell’assorbimento dovuto allo scatto del relè. Ne beneficia anche la stabilità della tensione di esercizio in uscita perché una minima variazione della tensione ausiliaria si rifletterebbe anche sulla tensione di uscita, seppur di poco. Anche il ripple si riduce grazie alla stabilizzazione della tensione ausiliaria.

Per quanto riguarda l’integrato di regolazione della predetta tensione, è richiesta una piccola aletta di raffreddamento. Il circuito a valle del trasformatore ausiliario richiede una corrente complessiva di 260mA tra componentistica varia, scatto del relè e consumo passivo del regolatore IC4. Nello schema è stato utilizzato, per la tensione ausiliaria, un trasformatore (abbondante in potenza) da 20V 500mA ma volendo utilizzare anche un trasformatore da 24 V non sarebbe un problema purché si tenga conto dell’aumento di dissipazione termica passiva da parte del regolatore IC4.
Per il resto, tutto OK, a parte il peso del trasformatore principale… :mrgreen:
Avatar utente
Foto Utentegianniniivo
9.045 7 11 13
No Rank
 
Messaggi: 2875
Iscritto il: 5 feb 2019, 23:50

0
voti

[265] Re: COMMUTAZIONE AUTOMATICA DI TENSIONE

Messaggioda Foto UtenteElidur » 30 nov 2021, 20:27

gianniniivo ha scritto:...Per il resto, tutto OK, a parte il peso del trasformatore principale… :mrgreen:

Ivo, se vuoi ottenere 10 Ampere anche a 80V non mi meraviglia che il trasformatore pesi, anche se è un toroidale. :mrgreen:
Avatar utente
Foto UtenteElidur
1.515 2 6 9
Sostenitore
Sostenitore
 
Messaggi: 1126
Iscritto il: 6 mag 2017, 18:10

2
voti

[266] Re: COMMUTAZIONE AUTOMATICA DI TENSIONE

Messaggioda Foto Utentesetteali » 30 nov 2021, 20:42

E' un gran bell'alimentatore!!!!!
La pecca e forse anche più di una è la PCB che non è unica e quindi andrebbe ridisegnata, un'altra pecca è che non è proprio contenuto , sia nel costo che nel peso e dimensioni, ma vanno considerate le tensioni e le correnti che gestisce.
Sono convinto che verrebbe un alimentatore da laboratorio con i contro-fiocchi facendolo con tutti i criteri necessari.
:ok:
Alex
https://www.facebook.com/Elettronicaeelettrotecnica

<< vedi di pigliare arditamente in mano, il dizionario che ti suona in bocca,
se non altro è schietto e paesano.
(Giuseppe Giusti) <<
Avatar utente
Foto Utentesetteali
11,9k 5 5 9
Master
Master
 
Messaggi: 5922
Iscritto il: 15 dic 2013, 21:09

0
voti

[267] Re: COMMUTAZIONE AUTOMATICA DI TENSIONE

Messaggioda Foto Utentegianniniivo » 30 nov 2021, 21:25

Ciao Alex, fammi rispondere a Foto UtenteElidur che ogni tanto gli scappa di far lo spiritoso.

Ale (Elidur) questo schema non obbliga l’uso di un trafo da 1.000VA, funziona anche con tensioni e correnti più contenute o superiori. Basta introdurre qualche modifica e il giochino funziona sempre. Questa soluzione non l’ho trovata da nessuna parte in rete e la funzione che consente di ottenere una tensione di uscita doppia rispetto la tensione del trafo, senza dover commutare manualmente, la considero (personalmente) un tocco di classe. Con la tecnologia contemporanea capita raramente di aver bisogno di tensioni e correnti elevate eppure qualche volta mi è capitato di averne bisogno e capiterà ancora… Perché non te ne costruisci un esemplare anche tu? Ho quasi tutti i componenti per un altro alimentatore, poi, se non ti occorrono molti Ampere ho anche una buona disponibilità di trasformatori. Quanto al peso è vero ma tutto sommato è un dettaglio; In fin dei conti non devi andare a passeggio con l’alimentatore sotto braccio. Una volta piazzato su un supporto ci si dimentica anche del peso...
Avatar utente
Foto Utentegianniniivo
9.045 7 11 13
No Rank
 
Messaggi: 2875
Iscritto il: 5 feb 2019, 23:50

0
voti

[268] Re: COMMUTAZIONE AUTOMATICA DI TENSIONE

Messaggioda Foto UtenteElidur » 30 nov 2021, 22:05

Ciao Ivo, ciao Setteali.
Costruirne una copia? Boh, non saprei, ci dovrei pensare, non ho a disposizione il tempo che hai tu. :D Poi Setteali ha ragione, bisognerebbe rifare la numerazione dei componenti e riprogettare la PCB in un solo pezzo, girerebbero anche meno fili e il progetto ci guadagnerebbe come leggibilità e anche come prestigio. Potresti pubblicare anche i file gerber e/o i “master” se si chiamano ancora così.
Avatar utente
Foto UtenteElidur
1.515 2 6 9
Sostenitore
Sostenitore
 
Messaggi: 1126
Iscritto il: 6 mag 2017, 18:10

0
voti

[269] Re: COMMUTAZIONE AUTOMATICA DI TENSIONE

Messaggioda Foto Utentegianniniivo » 30 nov 2021, 22:25

Eh già! Perché io non ci ho pensato?! Anche Tu Alex, com'è che non me lo hai detto subito? :mrgreen:

Scherzi a parte, il problema è che utilizzo raramente gli strumenti software e se disegno una PCB all'anno è già tanto e tra una realizzazione e l’altra dimentico l’uso dei programmi e mi tocca istruirmi di nuovo. Poi, ohe, dal mio punto di vista non è così semplice quello schema da traslare su PCB, non basta fare il merge delle due PCB esistenti e non ho la maestria di Foto Utenteedgar nell'uso dei CAD di elettronica. Sarebbe interessante che qualche amico suggerisse qualche idea su come disporre la componentistica anche eventualmente per blocchi. Vediamo se arriva qualche dritta…
Avatar utente
Foto Utentegianniniivo
9.045 7 11 13
No Rank
 
Messaggi: 2875
Iscritto il: 5 feb 2019, 23:50

0
voti

[270] Re: COMMUTAZIONE AUTOMATICA DI TENSIONE

Messaggioda Foto Utentegianniniivo » 3 dic 2021, 2:08

@Setteali e Elidur.

Ho riflettuto un po’ sulla realizzazione di un’unica PCB e mi sono quasi convinto che non sia poi così una buona idea da concretizzare. Non lo dico per la difficoltà di realizzazione della PCB perché sarebbe questione di riprendere con un po’ di fatica la pratica con il CAD e magari ricevere qualche dritta (senza fretta ovviamente). Lo dico perché, lavorandoci su, mi sono chiesto per quale sensato motivo dovremmo vincolare la costruzione al solo alimentatore dotato di duplicatore, quando sarebbe possibile, mantenendo indipendenti le schede, avere la possibilità di costruire entrambe le tipologie di alimentazione. Oltretutto, un alimentatore senza duplicatore implica una PCB meno ingombrante e meno costosa (entro i 100 x 100mm). Tra l’altro la PCB del sistema di duplicazione sarebbe praticamente già tracciata; magari sarà da rivedere per migliorala ulteriormente ma con due PCB separate si ottiene una maggiore versatilità. Se poi valutiamo in modo estensivo la costruzione separata della scheda di duplicazione e commutazione con isteresi, si comprende che diventa possibile utilizzarla per altre tipologie circuitali, anche estranee all'attuale progetto.
Se ho tralasciato qualche valutazione si accettano consigli.
Avatar utente
Foto Utentegianniniivo
9.045 7 11 13
No Rank
 
Messaggi: 2875
Iscritto il: 5 feb 2019, 23:50

PrecedenteProssimo

Torna a Elettronica generale

Chi c’è in linea

Visitano il forum: Nessuno e 84 ospiti