Al di là di tutto credo che oggi come oggi sia comunque "volersi male" utilizzare un semplice reostato serie per regolare una tensione o i giri o la luminosità o che altro...
si hanno problemi e costi elevati per trovare un potenziometro di potenza senza contare le giustisssime considerazioni di IsidoroKZ su corrente dal cursore e derate di dissipazione.
ammettendo di superare quanto sopra si ha comunque una legge di regolazione non lineare che secondo me in certi casi rasenta l' ON/OFF (vedi LED con potenziomentro da 50k in serie)...
tutto ciò aveva un perché quando mettere un elemeto attivo significava... aggiungere una valvola
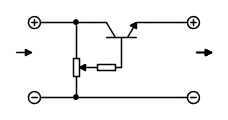
Ora per cose semplici e di bassa potenza, senza complicarsi la vita con switcher e PWM, una cosa del genere
risolve con digintà una serie di problemi con un normalissimo potenziometro dal valore non critico.
Non ultimo ha la possibilità di aggiustare facilmente il campo di regolazione con due resistenze in serie agli estremi del potenziometro e l'unico appunto che si può fare è di non raggiungere Vout=Vin ma molto spesso questo non è veramente un problema....
valore potenziometro
Moderatori:
carloc,
g.schgor,
BrunoValente,
IsidoroKZ
31 messaggi
• Pagina 4 di 4 • 1, 2, 3, 4
31 messaggi
• Pagina 4 di 4 • 1, 2, 3, 4
Chi c’è in linea
Visitano il forum: Nessuno e 83 ospiti

Elettrotecnica e non solo (admin)
Un gatto tra gli elettroni (IsidoroKZ)
Esperienza e simulazioni (g.schgor)
Moleskine di un idraulico (RenzoDF)
Il Blog di ElectroYou (webmaster)
Idee microcontrollate (TardoFreak)
PICcoli grandi PICMicro (Paolino)
Il blog elettrico di carloc (carloc)
DirtEYblooog (dirtydeeds)
Di tutto... un po' (jordan20)
AK47 (lillo)
Esperienze elettroniche (marco438)
Telecomunicazioni musicali (clavicordo)
Automazione ed Elettronica (gustavo)
Direttive per la sicurezza (ErnestoCappelletti)
EYnfo dall'Alaska (mir)
Apriamo il quadro! (attilio)
H7-25 (asdf)
Passione Elettrica (massimob)
Elettroni a spasso (guidob)
Bloguerra (guerra)

