io aspetto il nulla osta....
per iniziare ad acqustare e produrre....
ringrazio nuovamente tutti..!!
Trasformazione tasto in interruttore
Moderatori:
carloc,
g.schgor,
BrunoValente,
IsidoroKZ
0
voti
Io l' antirimbalzo lo farei in modo leggermente diverso:
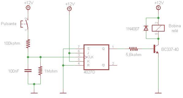
Solitamente la costante di tempo introdotta dal circuito RC (con R=100kohm e C=100nF) utile all' antirimbalzo del pulsante deve avere una durata di almeno 10ms.
Quando premi il pulsante il condensatore inizia a caricarsi attraverso la resistenza da 100kohm, per giungere ad una tensione di circa il 60% di quella di alimentazione saranno necessari 10ms; durante questo lasso di tempo tutti i picchi generati dal contatto meccanico verranno assorbiti evitando i rimbalzi e quindi le false commutazioni del flip flop.
Se non metti una resistenza in serie al condensatore la carica avverrà istantaneamente e l' effetto antirimbalzo non sarà più garantito.
In parallelo al condensatore (con un capo collegato a 0V) andrà messa un' altra resistenza che servirà per scaricare la capacità non appena il pulsante verrà rilasciato. Tale resistore andrà scelto considerando che dovrà anche essere garantito il livello logico alto per l' ingresso del clock, per questo motivo ho scelto un valore di 10 volte superiore.
Inoltre un' aspetto importante è che in questo circuito (utilizzando un HEF4027) il tutto funziona perché il clock sull' ingresso ha un trigger di Schmitt, su altri integrati che non lo hanno, lo stesso antirimbalzo non funziona perché il tempo impiegato per passare dal livello logico basso a quello alto è troppo lungo a causa della rete RC.
La resistenza collegata all' uscita Q deve invece avere un valore tale da non sovraccaricare l' integrato. Sul datasheet (del HEF4027) viene indicato che per una tensione di alimentazione di 10V con l' uscita in source la corrente minima fornibile è di 1,1mA. La resistenza va quindi calcolata in funzione di ciò. Io l' ho messa da 5,6kohm che più o meno fissa Ib a 2mA. Probabilmente il circuito funzionerebbe anche con una resistenza da 1,5kohm ma la corrente assorbita dall' integrato sarebbe eccessiva.
Il transistor BC337-40 ha un guadagno minimo di 250 e con 2mA di corrente di base garantisce la saturazione anche per una corrente di collettore di 200mA, così un qualsiasi relé dovrebbe andare bene. Il transistor l' ho sostituito perché ho ridotto Ib, nel circuito disegnato da te il 2N2222 andrebbe benissimo.
Infine anch' io eliminerei il relé, secondo me serve a poco...
Tony89 tieni conto che quelle sopra sono le considerazioni che io farei di fronte ad un circuito come questo ma non è assolutamente detto che siano corrette... di strada da fare ne ho ancora tanta
...
Solitamente la costante di tempo introdotta dal circuito RC (con R=100kohm e C=100nF) utile all' antirimbalzo del pulsante deve avere una durata di almeno 10ms.
Quando premi il pulsante il condensatore inizia a caricarsi attraverso la resistenza da 100kohm, per giungere ad una tensione di circa il 60% di quella di alimentazione saranno necessari 10ms; durante questo lasso di tempo tutti i picchi generati dal contatto meccanico verranno assorbiti evitando i rimbalzi e quindi le false commutazioni del flip flop.
Se non metti una resistenza in serie al condensatore la carica avverrà istantaneamente e l' effetto antirimbalzo non sarà più garantito.
In parallelo al condensatore (con un capo collegato a 0V) andrà messa un' altra resistenza che servirà per scaricare la capacità non appena il pulsante verrà rilasciato. Tale resistore andrà scelto considerando che dovrà anche essere garantito il livello logico alto per l' ingresso del clock, per questo motivo ho scelto un valore di 10 volte superiore.
Inoltre un' aspetto importante è che in questo circuito (utilizzando un HEF4027) il tutto funziona perché il clock sull' ingresso ha un trigger di Schmitt, su altri integrati che non lo hanno, lo stesso antirimbalzo non funziona perché il tempo impiegato per passare dal livello logico basso a quello alto è troppo lungo a causa della rete RC.
La resistenza collegata all' uscita Q deve invece avere un valore tale da non sovraccaricare l' integrato. Sul datasheet (del HEF4027) viene indicato che per una tensione di alimentazione di 10V con l' uscita in source la corrente minima fornibile è di 1,1mA. La resistenza va quindi calcolata in funzione di ciò. Io l' ho messa da 5,6kohm che più o meno fissa Ib a 2mA. Probabilmente il circuito funzionerebbe anche con una resistenza da 1,5kohm ma la corrente assorbita dall' integrato sarebbe eccessiva.
Il transistor BC337-40 ha un guadagno minimo di 250 e con 2mA di corrente di base garantisce la saturazione anche per una corrente di collettore di 200mA, così un qualsiasi relé dovrebbe andare bene. Il transistor l' ho sostituito perché ho ridotto Ib, nel circuito disegnato da te il 2N2222 andrebbe benissimo.
Infine anch' io eliminerei il relé, secondo me serve a poco...
Tony89 tieni conto che quelle sopra sono le considerazioni che io farei di fronte ad un circuito come questo ma non è assolutamente detto che siano corrette... di strada da fare ne ho ancora tanta
0
voti
mamma mia...!
ma voi siete un pozzo di sapienza..!!
io so 1/100 delle robe che sapete voi...!
fate davvero paura..!!
ma come si fa a sapere se questa è la soluzione giusta finala pero?
ma voi siete un pozzo di sapienza..!!
io so 1/100 delle robe che sapete voi...!
fate davvero paura..!!
ma come si fa a sapere se questa è la soluzione giusta finala pero?
-

Andrea1988
0 2 - Messaggi: 37
- Iscritto il: 8 lug 2010, 17:30
0
voti
Se la soluzione sia completamente funzionante io non so dirtelo. Quando ci si collega al quadro di una macchina i problemi possono essere vari. Devi cercare di prelevare l' alimentazione per il circuito da un punto protetto dagli sbalzi di tensione, se non ci riesci servirà un filtro che impedisca ai picchi di arrivare all' integrato perché lo distruggerebbero.
Inoltre servirebbe sapere quale sia l' assorbimento delle strisce di led che vuoi alimentare perché facendo le cose a caso si rischia di far dei danni.
Comunque tanto per iniziare puoi prendere:
- fusibile cilindrico (diametro 5mm, lunghezza 20mm) portata 1A
- portafusibile (5x20) per montaggio su circuito stampato
- HEF4027
- zoccolo per circuito integrato a 16 pin
- resistenza 100kohm ; 1/4W
- resistenza 1Mohm ; 1/4W
- resistenza 5,6kohm ; 1/4W
- condensatore poliestere 100nF ; 63V
- pulsante normalmente aperto (la portata dei contatti non ha importanza)
- transistor BC337-40 (o equivalente, senti il negoziante)
- relé con bobina a 12V dc , contatti d' uscita SPCO con almeno 1A
- n°2 diodi 1N4007
- condensatore elettrolitico 35V ; 220µF
- n°3 presine per PCB a vite due posizioni (servono per collegare i fili al circuito)
- basetta millefori (sulla quale verrà assemblato il circuito)
Inoltre servirebbe sapere quale sia l' assorbimento delle strisce di led che vuoi alimentare perché facendo le cose a caso si rischia di far dei danni.
Comunque tanto per iniziare puoi prendere:
- fusibile cilindrico (diametro 5mm, lunghezza 20mm) portata 1A
- portafusibile (5x20) per montaggio su circuito stampato
- HEF4027
- zoccolo per circuito integrato a 16 pin
- resistenza 100kohm ; 1/4W
- resistenza 1Mohm ; 1/4W
- resistenza 5,6kohm ; 1/4W
- condensatore poliestere 100nF ; 63V
- pulsante normalmente aperto (la portata dei contatti non ha importanza)
- transistor BC337-40 (o equivalente, senti il negoziante)
- relé con bobina a 12V dc , contatti d' uscita SPCO con almeno 1A
- n°2 diodi 1N4007
- condensatore elettrolitico 35V ; 220µF
- n°3 presine per PCB a vite due posizioni (servono per collegare i fili al circuito)
- basetta millefori (sulla quale verrà assemblato il circuito)
0
voti
Andrea concordo che potresti iniziare ad adoperarti e a fare un po' di lavoro sporco... hihi! Infondo davidde è sato così gentile che oltre a perfezionare il circuito (di cui ha dato esauriente spiegazione, ma d'altra parte lui è un Master di EP io nemmeno NewEntry... uff!
) ti ha fatto anche la lista della spesa come richiesto (ovviamente il pulsante elencato è utile in fase di prova del circuito, ma poi al momento dell'istallazione definitiva ci andresti a collegare quello che già hai in auto e a cui facevi riferimento all'inizio)! Allora se acquisti i componenti e ti cimenti nella realizzazione buon divertimento... ciaooo! 
0
voti
benissimo..
penso proprio che quando avrò un attimo di tempo inizierò a mobilitarmi...
sicuramente fine luglio...
nel frattempo andrò alla ricerda dei componenti...
volevo ringrazie davvero tutti coloro che mi hanno aiutato...
appena provo vi farò sapere... per grazie mille..!
penso proprio che quando avrò un attimo di tempo inizierò a mobilitarmi...
sicuramente fine luglio...
nel frattempo andrò alla ricerda dei componenti...
volevo ringrazie davvero tutti coloro che mi hanno aiutato...
appena provo vi farò sapere... per grazie mille..!
-

Andrea1988
0 2 - Messaggi: 37
- Iscritto il: 8 lug 2010, 17:30
0
voti
ancora una domanda....
guardando il circuito mi è venuto un dubbio ma il fusibile dove andrebbe messo????
parlando con amici... dicevano che poteva essere valido inserire anche un 7812 al posto del fusibile...
pero come riscaldamento??
cosa ne pensate di questa soluzione??
grazie ancora una volta...
guardando il circuito mi è venuto un dubbio ma il fusibile dove andrebbe messo????
parlando con amici... dicevano che poteva essere valido inserire anche un 7812 al posto del fusibile...
pero come riscaldamento??
cosa ne pensate di questa soluzione??
grazie ancora una volta...
-

Andrea1988
0 2 - Messaggi: 37
- Iscritto il: 8 lug 2010, 17:30
0
voti
Il fusibile va messo a monte di tutto (indifferentemente su positivo o negativo) e, ovviamente, in serie.
Il 7812 non è un'alternativa; non risolve il problema di sicurezza, però è utile per tosare eventuali picchi di tensione.
Inoltre non funzionerebbe regolarmente, visto che in ingresso non gli giungerebbero almeno 2 o 3 V in più della tensione d'uscita.
Insomma ci vorrebbe un (più costoso) regolatore a basso drop-out.
Oppure usi un 7809 e alimenti tutto a 9V.
Il 7812 non è un'alternativa; non risolve il problema di sicurezza, però è utile per tosare eventuali picchi di tensione.
Inoltre non funzionerebbe regolarmente, visto che in ingresso non gli giungerebbero almeno 2 o 3 V in più della tensione d'uscita.
Insomma ci vorrebbe un (più costoso) regolatore a basso drop-out.
Oppure usi un 7809 e alimenti tutto a 9V.
0
voti
Concordo pienamente con lucbie.
Io lo stabilizzatore di tensione cercherei di ometterlo. Se riesci a prelevare la tensione da un punto abbastanza stabile non dovrebbero esserci grossi problemi. Ricorda che meno "roba" c' è meglio è.
Il diodo e il condensatore dovrebbero esercitare un livellamento per lo meno decente, visto che poi il circuito non deve fare grandi cose dovrebbero essere sufficienti.
Il disegno finale diverrebbe più o meno questo:
Una volta finito il montaggio dovrai preoccuparti di mettere il circuito dentro ad una scatolina di plastica per isolarlo prima di imboscarlo dietro al cruscotto. Inoltre fossi in te preleverei l' alimentazione da un punto "sotto chiave" in modo che quando l' auto è spenta al circuito non possa in alcun modo arrivare l' alimentazione.... non si sa mai
...
Io lo stabilizzatore di tensione cercherei di ometterlo. Se riesci a prelevare la tensione da un punto abbastanza stabile non dovrebbero esserci grossi problemi. Ricorda che meno "roba" c' è meglio è.
Il diodo e il condensatore dovrebbero esercitare un livellamento per lo meno decente, visto che poi il circuito non deve fare grandi cose dovrebbero essere sufficienti.
Il disegno finale diverrebbe più o meno questo:
Una volta finito il montaggio dovrai preoccuparti di mettere il circuito dentro ad una scatolina di plastica per isolarlo prima di imboscarlo dietro al cruscotto. Inoltre fossi in te preleverei l' alimentazione da un punto "sotto chiave" in modo che quando l' auto è spenta al circuito non possa in alcun modo arrivare l' alimentazione.... non si sa mai
0
voti
grazie mille ragazzi..!!!
siete davvero fondamentali per la riuscita di questo progetto...!
per ora diciamo che siamo ad un disegno e ad una soluzione "finale"...
ED É UN OTTIMO TRAGUARDO CHE NON SAREI MAI RIUSCITO A RAGGIUNGERE SENZA VOI.!
quindi davvero un grazie infito a tutti...
per quanto riguarda la scatolina, e mettere il tutto sotto chiave,
quelle erano le uniche mia certezze prima di inziare a fare il progetto
ora un utlimo piccolo dubbio..
che mi costerà, forse, un sacco di insulti speriamo di no...
se alla "presa uscita" (chiamata cosi nel disegno fatto da davidde),
prima di collegare direttamente i led, mettessi un relè con un condensatore,
a parte che mi cambierà il funzionamento logico (cioè per accendere i led, dovrò vedere anche la posizione del relè),
il funzionamento del circuito creato (cioè quello disegnato da davidde) non cambia giusto??

grazie mille
siete davvero fondamentali per la riuscita di questo progetto...!
per ora diciamo che siamo ad un disegno e ad una soluzione "finale"...
ED É UN OTTIMO TRAGUARDO CHE NON SAREI MAI RIUSCITO A RAGGIUNGERE SENZA VOI.!
quindi davvero un grazie infito a tutti...
per quanto riguarda la scatolina, e mettere il tutto sotto chiave,
quelle erano le uniche mia certezze prima di inziare a fare il progetto
ora un utlimo piccolo dubbio..
che mi costerà, forse, un sacco di insulti speriamo di no...
se alla "presa uscita" (chiamata cosi nel disegno fatto da davidde),
prima di collegare direttamente i led, mettessi un relè con un condensatore,
a parte che mi cambierà il funzionamento logico (cioè per accendere i led, dovrò vedere anche la posizione del relè),
il funzionamento del circuito creato (cioè quello disegnato da davidde) non cambia giusto??

grazie mille
-

Andrea1988
0 2 - Messaggi: 37
- Iscritto il: 8 lug 2010, 17:30
Chi c’è in linea
Visitano il forum: Nessuno e 144 ospiti

Elettrotecnica e non solo (admin)
Un gatto tra gli elettroni (IsidoroKZ)
Esperienza e simulazioni (g.schgor)
Moleskine di un idraulico (RenzoDF)
Il Blog di ElectroYou (webmaster)
Idee microcontrollate (TardoFreak)
PICcoli grandi PICMicro (Paolino)
Il blog elettrico di carloc (carloc)
DirtEYblooog (dirtydeeds)
Di tutto... un po' (jordan20)
AK47 (lillo)
Esperienze elettroniche (marco438)
Telecomunicazioni musicali (clavicordo)
Automazione ed Elettronica (gustavo)
Direttive per la sicurezza (ErnestoCappelletti)
EYnfo dall'Alaska (mir)
Apriamo il quadro! (attilio)
H7-25 (asdf)
Passione Elettrica (massimob)
Elettroni a spasso (guidob)
Bloguerra (guerra)




