Cos'è ElectroYou | Login Iscriviti

ElectroYou - la comunità dei professionisti del mondo elettrico

OROLOGIO DIGITALE SENZA PIC

Elettronica lineare e digitale: didattica ed applicazioni

Moderatori: Foto Utentecarloc, Foto Utenteg.schgor, Foto UtenteBrunoValente, Foto UtenteIsidoroKZ

0
voti

[31] Re: OROLOGIO DIGITALE SENZA PIC

Messaggioda Foto Utentemarco438 » 18 mag 2011, 20:29

Prima di tutto mi scuso per l'errore fatto nel citare il nikname (ho letto male).
Visto che l'orologio dovra' funzionare sia a batteria che con tensione di rete, credo sia utile munirlo fin dall'inizio di un piccolo stadio stabilizzatore (un ponte,due condensatori e un 78xx).
Si potrebbe cosi' collegare direttamente alla batteria e,con adeguato trasformatore, alla rete.
C'e' da considerare che la tensione proveniente da una batteria auto (o moto) non e' mai perfettamente stabile e presenta dei picchi. Altra cosa da considerare e' il drop out del 78xx, per cui difficilmente si potranno ottenere 12V stabilizzati con un 7812, viste le cadute su ponte e sull' integrato.
A mio avviso, sceglierei quindi una tensione di alimentazione minore ma ben stabilizzata a 9 o 5V.

giorjevic ha scritto:Per Carlo: e forse meglio se è un alimentatore switching perché almeno puoi utilizzarlo non solo con una tensione di 12V ma anche con altre tensioni diverse. Se poi vuoi creare tu un alimentatore stabilizzato è un altro conto.




Questa me la devi spiegare.
Avatar utente
Foto Utentemarco438
37,1k 7 11 13
-EY Legend-
-EY Legend-
 
Messaggi: 16323
Iscritto il: 24 mar 2010, 15:09
Località: Versilia

0
voti

[32] Re: OROLOGIO DIGITALE SENZA PIC

Messaggioda Foto Utentecarlomusumeci » 18 mag 2011, 20:56

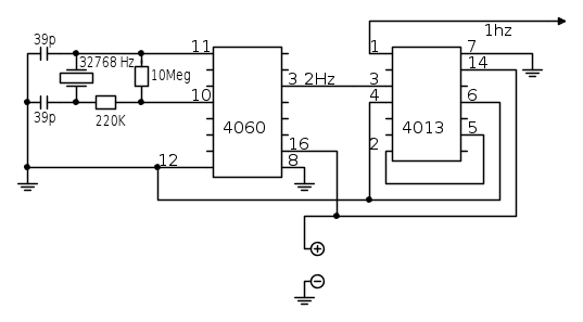
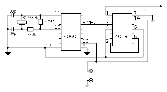
hai ragione...era comunque mia intenzione mettere dopo la batteria o rete un ponte condensatore stabilizzatore ...credo a questo punto di utilizzare il 7805...visto che lei nei suoi orologi li ha stabilizzati a 5 volt e vanno benissimo...prima ho apportato delle modifiche riguardo l'alimentazione dei 4060 e il 4013 http://imageshack.us/photo/my-images/651/immagineflu.png/...sono giusti o no?
Avatar utente
Foto Utentecarlomusumeci
353 5 7
Sostenitore
Sostenitore
 
Messaggi: 526
Iscritto il: 8 apr 2011, 0:35

0
voti

[33] Re: OROLOGIO DIGITALE SENZA PIC

Messaggioda Foto Utentemarco438 » 18 mag 2011, 21:05

Si.
Vedi se, in tempi brevi, riesci a postare un circuito di base su cui discutere usando fidocad.
Cio' per permetterci di apportare eventuali modifiche senza sprechi di tempo.
Ciao
Avatar utente
Foto Utentemarco438
37,1k 7 11 13
-EY Legend-
-EY Legend-
 
Messaggi: 16323
Iscritto il: 24 mar 2010, 15:09
Località: Versilia

0
voti

[34] Re: OROLOGIO DIGITALE SENZA PIC

Messaggioda Foto Utentemarco438 » 18 mag 2011, 21:15

carlomusumeci ha scritto:ok in serata credo di riuscirlo a fare...ma come si fa a postarlo qui sul forum ? Mi spieghi passo passo da quando lo dovro salvare? (Sono Nuovo di Electroyou) :)

Non avevo visto questo post; quindi ti rispondo solo adesso.
Una volta disegnato il circuito, lo evidenzi e quindi lo copi con il mouse o con Ctr C.
Cliccando su fcd (in alto a destra nella barra messaggi) ti appariranno due fcd tra parentesi con un lampeggiante. Qui dovrai incollare il tutto o con il mouse o con Ctr V.
Una volta inserito il codice sorgente, potrai visualizzare il disegno - prima di inviarlo - cliccando su anteprima ( in basso al centro).
Avatar utente
Foto Utentemarco438
37,1k 7 11 13
-EY Legend-
-EY Legend-
 
Messaggi: 16323
Iscritto il: 24 mar 2010, 15:09
Località: Versilia

0
voti

[35] Re: OROLOGIO DIGITALE SENZA PIC

Messaggioda Foto Utentecarlomusumeci » 18 mag 2011, 21:19

Avatar utente
Foto Utentecarlomusumeci
353 5 7
Sostenitore
Sostenitore
 
Messaggi: 526
Iscritto il: 8 apr 2011, 0:35

0
voti

[36] Re: OROLOGIO DIGITALE SENZA PIC

Messaggioda Foto Utentemarco438 » 18 mag 2011, 21:22

Mi pare che ci siamo anche se hai dimenticato di indicare il valore di alcuni componenti.
Ora non ti resta che procurarti il necessario e cominciare il montaggio per provarne il funzionamento.
Ciao
Avatar utente
Foto Utentemarco438
37,1k 7 11 13
-EY Legend-
-EY Legend-
 
Messaggi: 16323
Iscritto il: 24 mar 2010, 15:09
Località: Versilia

0
voti

[37] Re: OROLOGIO DIGITALE SENZA PIC

Messaggioda Foto Utentecarlomusumeci » 18 mag 2011, 21:26

ma la resistenza parallela al quarzo da quanto è? e i collegamenti positivi e negativi sono giusti? non vorrei bruciare gli integrati... :) grazie anticipatamente per tutto :D
Avatar utente
Foto Utentecarlomusumeci
353 5 7
Sostenitore
Sostenitore
 
Messaggi: 526
Iscritto il: 8 apr 2011, 0:35

0
voti

[38] Re: OROLOGIO DIGITALE SENZA PIC

Messaggioda Foto Utentemarco438 » 18 mag 2011, 21:33

La resistenza e' da 2.2 Megaohm i due condensatori da 220pF.
Il CD4013 ha 14 pin (non 16) quindi il positivo va sul 14!
Avatar utente
Foto Utentemarco438
37,1k 7 11 13
-EY Legend-
-EY Legend-
 
Messaggi: 16323
Iscritto il: 24 mar 2010, 15:09
Località: Versilia

0
voti

[39] Re: OROLOGIO DIGITALE SENZA PIC

Messaggioda Foto Utenterusty » 18 mag 2011, 21:37

Avatar utente
Foto Utenterusty
4.075 2 9 11
Utente disattivato per decisione dell'amministrazione proprietaria del sito
 
Messaggi: 1578
Iscritto il: 25 gen 2009, 13:10

0
voti

[40] Re: OROLOGIO DIGITALE SENZA PIC

Messaggioda Foto Utentecarlomusumeci » 18 mag 2011, 21:38

ok perfetto il pin 12 del 4060 va al negativo insieme all'8?
Avatar utente
Foto Utentecarlomusumeci
353 5 7
Sostenitore
Sostenitore
 
Messaggi: 526
Iscritto il: 8 apr 2011, 0:35

PrecedenteProssimo

Torna a Elettronica generale

Chi c’è in linea

Visitano il forum: Majestic-12 [Bot] e 121 ospiti