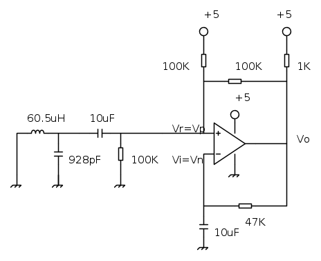
Sto cercando di prendere spunto da un LC-meter trovato su un blog, poiché so che è stato realizzato ed è funzionante, a me non sembra vi sia un Oscillatore sinusoidale
Ho provato a simulare il circuito preso dal blog con Pspice, posto il link, e lo schema fatto con fidocadj con i relativi valori.
Ma la simulazione non mi ha dato i risultati che "avrebbe" dovuto.
http://giuseppetalarico.wordpress.com/category/lc-meter/
il link è questo, oltre al LM311 fa una variante con NE555, ma quella non mi interessa.
Bisogna scendere un po' esi trova lo schema, la parte che mi interessa in questo momento è la prima immagine.
Senza introdurre nel circuito
e neanche il condensatore da 915pF che serve per la calibrazione,il circuito dovrebbe oscillare alla frequenza di

Se lo simulo non c'è nessuna oscillazione.

Elettrotecnica e non solo (admin)
Un gatto tra gli elettroni (IsidoroKZ)
Esperienza e simulazioni (g.schgor)
Moleskine di un idraulico (RenzoDF)
Il Blog di ElectroYou (webmaster)
Idee microcontrollate (TardoFreak)
PICcoli grandi PICMicro (Paolino)
Il blog elettrico di carloc (carloc)
DirtEYblooog (dirtydeeds)
Di tutto... un po' (jordan20)
AK47 (lillo)
Esperienze elettroniche (marco438)
Telecomunicazioni musicali (clavicordo)
Automazione ed Elettronica (gustavo)
Direttive per la sicurezza (ErnestoCappelletti)
EYnfo dall'Alaska (mir)
Apriamo il quadro! (attilio)
H7-25 (asdf)
Passione Elettrica (massimob)
Elettroni a spasso (guidob)
Bloguerra (guerra)

