Cos'è ElectroYou | Login Iscriviti

ElectroYou - la comunità dei professionisti del mondo elettrico

variazione automatica luminosità led

Elettronica lineare e digitale: didattica ed applicazioni

Moderatori: Foto Utentecarloc, Foto Utenteg.schgor, Foto UtenteBrunoValente, Foto UtenteIsidoroKZ

0
voti

[31] Re: variazione automatica luminosità led

Messaggioda Foto Utentedimitri94 » 13 mar 2012, 16:43

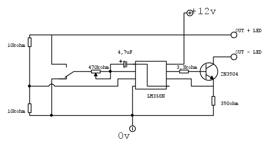
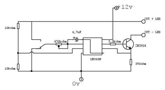
eccolo... :-) :

potresti solo confermarmi se va bene ed è giusto...? :ok:
grazie mille...
O_/
Avatar utente
Foto Utentedimitri94
113 5 7
Sostenitore
Sostenitore
 
Messaggi: 515
Iscritto il: 10 gen 2012, 20:46

0
voti

[32] Re: variazione automatica luminosità led

Messaggioda Foto Utenteg.schgor » 13 mar 2012, 19:11

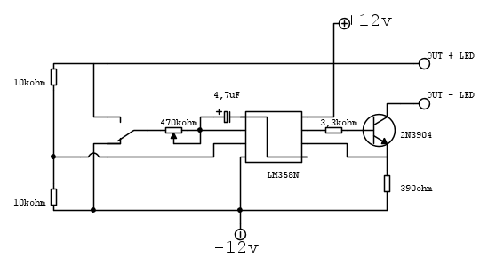
No, in questa versione non c'è il -12V !
Messo così sembra un'alimentazione duale.
Al negativo devi metterci GND.

OK per la configurazione del 358
Avatar utente
Foto Utenteg.schgor
57,8k 9 12 13
G.Master EY
G.Master EY
 
Messaggi: 16971
Iscritto il: 25 ott 2005, 9:58
Località: MILANO

0
voti

[33] Re: variazione automatica luminosità led

Messaggioda Foto Utentedimitri94 » 13 mar 2012, 19:16

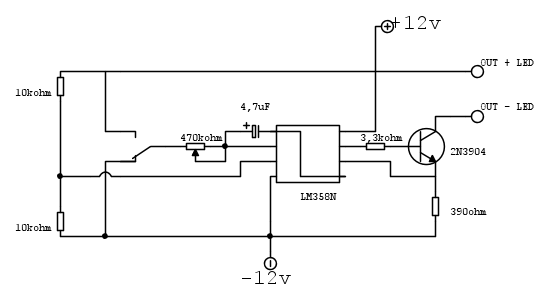
errore mio provvedo subito... #-o :mrgreen:

gnd oppure 0V è la stessa cosa no..? indicano tutti e due il - della batteria che in questo caso è da 12 V... ;-)
Avatar utente
Foto Utentedimitri94
113 5 7
Sostenitore
Sostenitore
 
Messaggi: 515
Iscritto il: 10 gen 2012, 20:46

0
voti

[34] Re: variazione automatica luminosità led

Messaggioda Foto Utenteg.schgor » 13 mar 2012, 19:22

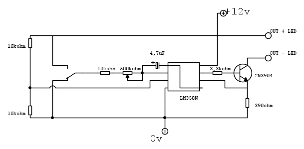
Sì. Ed ora una finezza..: metti una resistenza limitatrice
(almeno 10K) in serie al potenziometro, per evitare R=0.

Ma tu non volevi aumentare i tempi? (così li diminuisci!)
Avatar utente
Foto Utenteg.schgor
57,8k 9 12 13
G.Master EY
G.Master EY
 
Messaggi: 16971
Iscritto il: 25 ott 2005, 9:58
Località: MILANO

0
voti

[35] Re: variazione automatica luminosità led

Messaggioda Foto Utentedimitri94 » 13 mar 2012, 19:35

g.schgor ha scritto:Ma tu non volevi aumentare i tempi?

su multisim ho visto che era abbastanza lungo il tempo di accensione e spegnimento.... piuttosto potrei mettere un potenziometro maggiore (sempre con la resist da 10k in serie ;-) ) così da poter agire su un vasto arco di tempo che ne dici...? :-)
O_/
Avatar utente
Foto Utentedimitri94
113 5 7
Sostenitore
Sostenitore
 
Messaggi: 515
Iscritto il: 10 gen 2012, 20:46

0
voti

[36] Re: variazione automatica luminosità led

Messaggioda Foto Utenteg.schgor » 13 mar 2012, 20:20

Si (ma non andrei oltre il MOhm)
Avatar utente
Foto Utenteg.schgor
57,8k 9 12 13
G.Master EY
G.Master EY
 
Messaggi: 16971
Iscritto il: 25 ott 2005, 9:58
Località: MILANO

0
voti

[37] Re: variazione automatica luminosità led

Messaggioda Foto Utentedimitri94 » 13 mar 2012, 21:22

ecco qui aggiornato: ;-)

appena riesco faccio l' ordine così posso incominciare... :D
io lo faccio su EPM componenti elettronici, ho guardato ma non capisco che relè scegliere per il circuito... potresti dare una sbirciatina e aiutarmi nella scelta..? te ne sarei grato... :ok:
O_/
Avatar utente
Foto Utentedimitri94
113 5 7
Sostenitore
Sostenitore
 
Messaggi: 515
Iscritto il: 10 gen 2012, 20:46

0
voti

[38] Re: variazione automatica luminosità led

Messaggioda Foto Utenteg.schgor » 14 mar 2012, 0:06

Ad es. un tipo come questo.
Avatar utente
Foto Utenteg.schgor
57,8k 9 12 13
G.Master EY
G.Master EY
 
Messaggi: 16971
Iscritto il: 25 ott 2005, 9:58
Località: MILANO

0
voti

[39] Re: variazione automatica luminosità led

Messaggioda Foto Utentedimitri94 » 14 mar 2012, 15:11

Avatar utente
Foto Utentedimitri94
113 5 7
Sostenitore
Sostenitore
 
Messaggi: 515
Iscritto il: 10 gen 2012, 20:46

0
voti

[40] Re: variazione automatica luminosità led

Messaggioda Foto Utenteg.schgor » 14 mar 2012, 17:47

Questo:
codice articolo:
Z720295
(In Relè/relè ed accessori)
Avatar utente
Foto Utenteg.schgor
57,8k 9 12 13
G.Master EY
G.Master EY
 
Messaggi: 16971
Iscritto il: 25 ott 2005, 9:58
Località: MILANO

PrecedenteProssimo

Torna a Elettronica generale

Chi c’è in linea

Visitano il forum: Nessuno e 54 ospiti