sine wave generator
Moderatori:
carloc,
g.schgor,
BrunoValente,
IsidoroKZ
41 messaggi
• Pagina 4 di 5 • 1, 2, 3, 4, 5
0
voti
It's a sin to write
instead of
(Anonimo).
...'cos you know that
ain't
, right?
You won't get a sexy tan if you write
in lieu of
.
Take a log for a fireplace, but don't take
for
arithm.
instead of
(Anonimo)....'cos you know that
ain't
, right?You won't get a sexy tan if you write
in lieu of
.Take a log for a fireplace, but don't take
for
arithm.-

DirtyDeeds
55,9k 7 11 13 - G.Master EY

- Messaggi: 7012
- Iscritto il: 13 apr 2010, 16:13
- Località: Somewhere in nowhere
0
voti
scusa ma pensavo fossero due cose differenti, la cercavo di capire lo schema dell'oscillatore, qua avevo bisogno di progettare gli stadi successivi, ho continuato qua il generatore sinusoidale, ipotizzando di avere già una sinusoide, nel senso che non si tratta più dell'oscillatore.
Altrimenti anche se capisco come funziona il circuito,non riesco a finire il resto.
Per quanto riguarda il generatore sinusoidale penso che non inserirò il circuito per la stabilizzazione dell'ampiezza, oltre al fatto che mi è di difficile comprensione al momento, nel complesso, sicuramente andandolo a simulare salterà fuori qualcosa di nuovo , o qualche errore
-

darkweader
61 2 7 - Frequentatore

- Messaggi: 271
- Iscritto il: 8 mag 2011, 17:32
0
voti
darkweader ha scritto:Per quanto riguarda il generatore sinusoidale penso che non inserirò il circuito per la stabilizzazione dell'ampiezza,
Secondo me faresti male: rischi di venire penalizzato se il professore si rende conto che il circuito che proponi trascura una parte importante come il controllo d'ampiezza. Senza, infatti, per essere sicuro che l'oscillatore oscilli, dovresti dimensionare la rete resistiva di reazione in modo che il guadagno sia sicuramente maggiore di 3, e a quel punto l'opamp arriverebbe a saturare. In uno dei tanti messaggi hai detto di aver provato con un altro opamp, più veloce, e che con quell'opamp il circuito non oscillava: secondo te perché?
Piuttosto, se non vuoi fare un circuito di controllo complesso, usane uno più semplice con diodi.
It's a sin to write
instead of
(Anonimo).
...'cos you know that
ain't
, right?
You won't get a sexy tan if you write
in lieu of
.
Take a log for a fireplace, but don't take
for
arithm.
instead of
(Anonimo)....'cos you know that
ain't
, right?You won't get a sexy tan if you write
in lieu of
.Take a log for a fireplace, but don't take
for
arithm.-

DirtyDeeds
55,9k 7 11 13 - G.Master EY

- Messaggi: 7012
- Iscritto il: 13 apr 2010, 16:13
- Località: Somewhere in nowhere
0
voti
ho provato ad inserire un circuito di controllo semplicemente a diodi, utilizzando il procedimento sul mio testo, dimensionando opportunamente i componenti, con il risultato che le oscillazioni, che senza controllo andavano bene, inserito il controllo dell'ampiezza le oscillazioni andavano smorzandosi fino a scomparire.
Al massimo pensavo di dirgli che ci vorrebbe il controllo, e spiegargli in che modo penso di inserirlo e dimensionarlo, anche se so che non funzionerebbe, ma se non lo inserisco nella simulazione almeno lo faccio passare per buono, so che non è una bella cosa, ma non ho il tempo materiale di risolvere anche questa parte.
Ora devo cercare di capire come dimensionare i blocchi successivi, ma non ho idea di che considerazioni fare.
Al massimo pensavo di dirgli che ci vorrebbe il controllo, e spiegargli in che modo penso di inserirlo e dimensionarlo, anche se so che non funzionerebbe, ma se non lo inserisco nella simulazione almeno lo faccio passare per buono, so che non è una bella cosa, ma non ho il tempo materiale di risolvere anche questa parte.
Ora devo cercare di capire come dimensionare i blocchi successivi, ma non ho idea di che considerazioni fare.
-

darkweader
61 2 7 - Frequentatore

- Messaggi: 271
- Iscritto il: 8 mag 2011, 17:32
0
voti
Tu vuoi un'ampiezza di 5 V (supponiamo efficaci) a 10 MHz: normalemente un generatore di questo tipo deve essere in grado di pilotare un carico di 50 ohm e viene progettato in modo da avere una resistenza di uscita di 50 ohm. Ciò significa che l'amplificatore deve essere in grado di erogare a vuoto una tensione di picco almeno pari a
Per non avere distorsione da slew-rate a 10 MHz, lo slew-rate dell'amplificatore deve essere
In più l'amplificatore dovrebbe essere in grado di erogare una corrente di picco pari a
Essendo che lo stadio di amplificazione è collegato ad un sommatore, comunque realizzato con un operazionale, e quindi una Rin molto elevate,
in questo modo l'amplificatore deve pilocare un carico molto più elevato di 50 Ohm,
che problemi posso avere?
devo inserire degli stadi intermedi? tipo buffer?
comunque dalle considerazioni fatte sullo slaw rate doveva essere circa 885 V/us, tuttavia siccome pspice non mi permette di simulare il THS4631 ho provato a utilizzare LT1191 che ha un SR=450V/us teoricamente, dovrei riscontrare dei problemi invece la simulazione va liscia come l'olio e dimensionando opportunamente la Rf ottengo in uscita il valore che voglio, inoltre lo stadio di amplificazione non influenza minimamente l'oscillatore.
perché tutto ciò?
-

darkweader
61 2 7 - Frequentatore

- Messaggi: 271
- Iscritto il: 8 mag 2011, 17:32
0
voti
darkweader ha scritto:
..dovrei riscontrare dei problemi invece la simulazione va liscia come l'olio e dimensionando opportunamente la Rf ottengo in uscita il valore che voglio, inoltre lo stadio di amplificazione non influenza minimamente l'oscillatore.
perché tutto ciò?
cosa intendi per lo stadio di amplificazione non influenza minimamente l'oscillatore?
0
voti
il fatto che il carico dell'oscillatore, sia rappresentato da i blocchi seguenti, pensavo mi influenzasse in qualche modo, ma il problema al momento è imporre delle considerazioni adeguate sui blocchi successivi, ormai l'oscillatore quello è e quello rimane, più tosto non so se gli stadi devono essere separati in qualche modo, e se si per quale motivo
-

darkweader
61 2 7 - Frequentatore

- Messaggi: 271
- Iscritto il: 8 mag 2011, 17:32
0
voti
DirtyDeeds ha scritto:Tu vuoi un'ampiezza di 5 V (supponiamo efficaci) a 10 MHz: normalemente un generatore di questo tipo deve essere in grado di pilotare un carico di 50 ohm e viene progettato in modo da avere una resistenza di uscita di 50 ohm. Ciò significa che l'amplificatore deve essere in grado di erogare a vuoto una tensione di picco almeno pari a
Per non avere distorsione da slew-rate a 10 MHz, lo slew-rate dell'amplificatore deve essere
In più l'amplificatore dovrebbe essere in grado di erogare una corrente di picco pari a
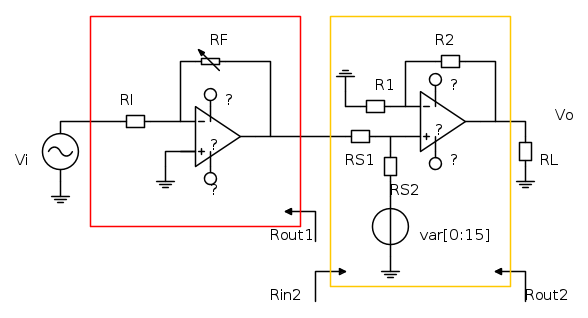
1)Se dopo l'amplificatore, non ho direttamente il carico, ma ho un sommatore, che considerazioni posso fare sulla resistenza d'uscita del mio stadio di amplificazione?
2)perché Rout=RL, è una questino di adattamento della linea? se si mi potete indicare un riferimento da cui studiare al volo qualcosina?
3)Non capisco come hai determinato la tensione a vuoto di picco, una volta determinata come influenza la scelta del mio oamp?
4) La corrente di picco, non capisco il 2 al denominatore.
Mi sono letto tutta la parte sugli operazionali reali, da Microelettronica di Jeage, ma non fa mai riferimento a nessuno di questi aspetti, ad eccezione dello slaw rate,
dove porta che
dove
dovrebbe essere la tensione di picco che voglio avere, quindi 5V?Se inserissi un buffer, cosa vede come carico lo stadio di amplificazione?
-

darkweader
61 2 7 - Frequentatore

- Messaggi: 271
- Iscritto il: 8 mag 2011, 17:32
0
voti


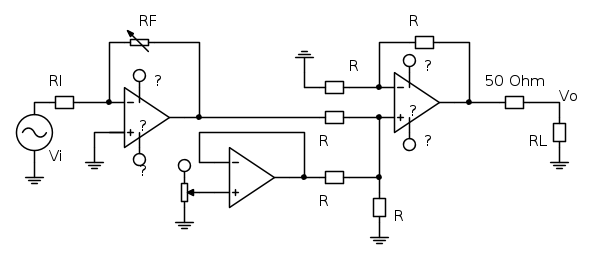
![V_o=[0 - 15]+[0 - 5] sen (w_ot) V_o=[0 - 15]+[0 - 5] sen (w_ot)](/forum/latexrender/pictures/feaa80f384f66793bf3410fd01ed4e80.png)
Partendo dal Sommatore, per poi procedere a ritroso, sono impallato, non so come procedere.

-

darkweader
61 2 7 - Frequentatore

- Messaggi: 271
- Iscritto il: 8 mag 2011, 17:32
0
voti
se vuoi ottenere le equazioni che hai scritto se non ho sbagliato alla grande dovresti fare così. lo stadio finale è un sommatore a guadagno unitario. con un guadagno unitario puoi cercare un amp con una GBW inferiore rispetto ad uno con amplificazione > 1
l'impedenza di uscita in genere va normalizzata a 50 ohm e puoi farlo agevolmente con una semplice resistenza. poi chiaramente per essere precisi dovresti tenere in considerazione la anche pur piccola impedenza di uscita dell'operazionale
non picchiatemi troppo forte se ho fatto Orrori :asd:
l'impedenza di uscita in genere va normalizzata a 50 ohm e puoi farlo agevolmente con una semplice resistenza. poi chiaramente per essere precisi dovresti tenere in considerazione la anche pur piccola impedenza di uscita dell'operazionale
non picchiatemi troppo forte se ho fatto Orrori :asd:
41 messaggi
• Pagina 4 di 5 • 1, 2, 3, 4, 5
Chi c’è in linea
Visitano il forum: Nessuno e 272 ospiti

Elettrotecnica e non solo (admin)
Un gatto tra gli elettroni (IsidoroKZ)
Esperienza e simulazioni (g.schgor)
Moleskine di un idraulico (RenzoDF)
Il Blog di ElectroYou (webmaster)
Idee microcontrollate (TardoFreak)
PICcoli grandi PICMicro (Paolino)
Il blog elettrico di carloc (carloc)
DirtEYblooog (dirtydeeds)
Di tutto... un po' (jordan20)
AK47 (lillo)
Esperienze elettroniche (marco438)
Telecomunicazioni musicali (clavicordo)
Automazione ed Elettronica (gustavo)
Direttive per la sicurezza (ErnestoCappelletti)
EYnfo dall'Alaska (mir)
Apriamo il quadro! (attilio)
H7-25 (asdf)
Passione Elettrica (massimob)
Elettroni a spasso (guidob)
Bloguerra (guerra)






