adesso provo con il ponte a simulare gli ingressi.regolatore tensione per pedaliera
Moderatori:
carloc,
g.schgor,
BrunoValente,
IsidoroKZ
42 messaggi
• Pagina 4 di 5 • 1, 2, 3, 4, 5
0
voti
errore che solo un pricipiante sa fare
,gli ho invertiti e ora ho 0v
adesso provo con il ponte a simulare gli ingressi.
adesso provo con il ponte a simulare gli ingressi.0
voti
ho provato il ponte, con ponte bilanciato ho un uscita di 0v,aprendo una resistenza vado a 5v,poi ho messo un potenziometro al posto di una resistenza e ho potuto(girando il potenziometro) apprezzare variazioni di tensione su Vout
.un amico mi ha prestato una cella di carico di cui non so le specifiche perché non c'è scritto niente però collegandola ho un valore stabilizzato a 0,24 V e applicandoci pressione arrivo al massimo quasi a 5v.
io penso che il tutto inizi a funzionare devo solo provare con una cella giusta che faccia al caso mio e vedere che range di valori ho.
io penso che il tutto inizi a funzionare devo solo provare con una cella giusta che faccia al caso mio e vedere che range di valori ho.
1
voti
In effetti non stai costruendo una bilancia di precisione, quindi puoi fare a meno di curare un bel po' di dettagli.
-

BrunoValente
39,6k 7 11 13 - G.Master EY

- Messaggi: 7796
- Iscritto il: 8 mag 2007, 14:48
0
voti
infatti piuttosto che come bilancia userei la cella come se fosse una specie di sensore di posizione ovvero durante la corsa del pedale funge da sensore di posizione mentre quando il pedale arriva in fondo, più pressione fai più frenata hai perché anche se il pedale non ha più corsa interviene la cella sta volta come sensore di pressione,non so se mi sono spiegato.
0
voti
in attesa che settimana prossima mi arrivi la cella definitiva,devo però tornare sui miei passi,ho cominciato ad assemblare i potenziometri che abbiamo discusso all'inizio e perfettamente funzionanti,ora però,dato che tra teoria e pratica ci passa un mare,mi sono accorto che si funzionano e grazie hai trimmer su un angolo di rotazione di 360° passo da 2,6v a 0,7v,ma meccanicamente non ho tutto questo gioco di 360° ma la massimo circa 120°.
c'è un modo per faro funzionare con cosi poca rotazione ma ottenendo lo stesso range di tensione senza cambiare il potenziometro?
forse l'alternativa è alimentarlo con una tensione più alta che 3v?
forse a 9v muovendolo di un terzo avrei un terzo di corrente in uscita
ma penso che al massimo potrei alimentarlo a 5v perché prende corrente da una porta USB.
c'è un modo per faro funzionare con cosi poca rotazione ma ottenendo lo stesso range di tensione senza cambiare il potenziometro?
forse l'alternativa è alimentarlo con una tensione più alta che 3v?
forse a 9v muovendolo di un terzo avrei un terzo di corrente in uscita
2
voti
Per inciso: tra teoria e pratica non deve esserci alcuna differenza. Quando sembra che ci sia è solo perché non si conosce la teoria.
Prova ad alzare la tensione a 5V e a regolare i trimmer per avere l'escursione di tensione che ti serve con l'angolo di rotazione di 120°. Se non è sufficiente hai due possibilità: aumentare ancora la tensione di alimentazione, oppure amplificare il segnale.
Prova ad alzare la tensione a 5V e a regolare i trimmer per avere l'escursione di tensione che ti serve con l'angolo di rotazione di 120°. Se non è sufficiente hai due possibilità: aumentare ancora la tensione di alimentazione, oppure amplificare il segnale.
-

BrunoValente
39,6k 7 11 13 - G.Master EY

- Messaggi: 7796
- Iscritto il: 8 mag 2007, 14:48
0
voti
cioè dovrei usare un amplificatore come il max4239 alimentarlo a 3v , dargli un guadagno di 3 e sull ingresso IN+ metterci l'uscita del potenziometro trimmerato??
1
voti
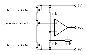
Il MAX 4238 va bene.
Puoi fare così
Con i valori dello schema guadagna giusto 3, se serve variare il guadagno puoi modificare R
Puoi fare così
Con i valori dello schema guadagna giusto 3, se serve variare il guadagno puoi modificare R
-

BrunoValente
39,6k 7 11 13 - G.Master EY

- Messaggi: 7796
- Iscritto il: 8 mag 2007, 14:48
0
voti
ma come fai a calcolare il guadagno?e la regola vale anche lo schema della cella?
1
voti
No, i due schemi sono diversi e il guadagno si calcola diversamente.
In questo vale
![\[G=\frac{R}{R_{1}}+1\] \[G=\frac{R}{R_{1}}+1\]](/forum/latexrender/pictures/64c01122be440e098d390eac68460cab.png)
dove R1 è il valore assunto dal parallelo delle altre due resistenze cioè 5k.
Nell'altro vale
![\[G=\frac{R}{R_{1}}\] \[G=\frac{R}{R_{1}}\]](/forum/latexrender/pictures/2b29bc07af5147dd08a2a297af2cdce5.png)
dove R è il valore di ciascuna delle due resistenze uguali che compaiono nello schema, in questo caso 18k e R1 è pari alla metà del valore dei quattro estensimetri interni alla cella, in questo caso 360/2.
Per capire come si arriva a queste formule devi studiarti gli operazionali.
Molto materiale lo trovi in questo sito dove l'argomento è stato trattato tantissimo, specialmente dal grande
IsidoroKZ
In questo vale
![\[G=\frac{R}{R_{1}}+1\] \[G=\frac{R}{R_{1}}+1\]](/forum/latexrender/pictures/64c01122be440e098d390eac68460cab.png)
dove R1 è il valore assunto dal parallelo delle altre due resistenze cioè 5k.
Nell'altro vale
![\[G=\frac{R}{R_{1}}\] \[G=\frac{R}{R_{1}}\]](/forum/latexrender/pictures/2b29bc07af5147dd08a2a297af2cdce5.png)
dove R è il valore di ciascuna delle due resistenze uguali che compaiono nello schema, in questo caso 18k e R1 è pari alla metà del valore dei quattro estensimetri interni alla cella, in questo caso 360/2.
Per capire come si arriva a queste formule devi studiarti gli operazionali.
Molto materiale lo trovi in questo sito dove l'argomento è stato trattato tantissimo, specialmente dal grande
-

BrunoValente
39,6k 7 11 13 - G.Master EY

- Messaggi: 7796
- Iscritto il: 8 mag 2007, 14:48
42 messaggi
• Pagina 4 di 5 • 1, 2, 3, 4, 5
Chi c’è in linea
Visitano il forum: Nessuno e 79 ospiti

Elettrotecnica e non solo (admin)
Un gatto tra gli elettroni (IsidoroKZ)
Esperienza e simulazioni (g.schgor)
Moleskine di un idraulico (RenzoDF)
Il Blog di ElectroYou (webmaster)
Idee microcontrollate (TardoFreak)
PICcoli grandi PICMicro (Paolino)
Il blog elettrico di carloc (carloc)
DirtEYblooog (dirtydeeds)
Di tutto... un po' (jordan20)
AK47 (lillo)
Esperienze elettroniche (marco438)
Telecomunicazioni musicali (clavicordo)
Automazione ed Elettronica (gustavo)
Direttive per la sicurezza (ErnestoCappelletti)
EYnfo dall'Alaska (mir)
Apriamo il quadro! (attilio)
H7-25 (asdf)
Passione Elettrica (massimob)
Elettroni a spasso (guidob)
Bloguerra (guerra)

