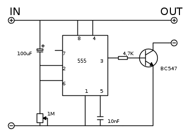
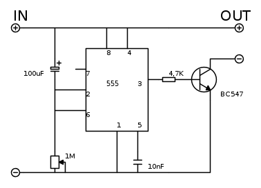
le difficoltà aumentano comunque il circuito che dici tu è per caso quello che si chiama DELAY BEFORE TURNING ON?
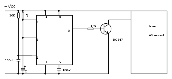
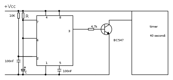
This circuit does not turn on for XX seconds after power is applied. Adjustable from 1 second to 2 minutes.
"questo circuito non si accende per X secondi dopo che viene applicata tensione. regolabile da 1 secondo a 2 minuti" giusto? è questo?

Elettrotecnica e non solo (admin)
Un gatto tra gli elettroni (IsidoroKZ)
Esperienza e simulazioni (g.schgor)
Moleskine di un idraulico (RenzoDF)
Il Blog di ElectroYou (webmaster)
Idee microcontrollate (TardoFreak)
PICcoli grandi PICMicro (Paolino)
Il blog elettrico di carloc (carloc)
DirtEYblooog (dirtydeeds)
Di tutto... un po' (jordan20)
AK47 (lillo)
Esperienze elettroniche (marco438)
Telecomunicazioni musicali (clavicordo)
Automazione ed Elettronica (gustavo)
Direttive per la sicurezza (ErnestoCappelletti)
EYnfo dall'Alaska (mir)
Apriamo il quadro! (attilio)
H7-25 (asdf)
Passione Elettrica (massimob)
Elettroni a spasso (guidob)
Bloguerra (guerra)


P.s. L'altro che ti dicevo (per curiosità) è due circuiti prima, comunque quel E-book (anzi, quegli) è una miniera.






pigreco]=π