
Amperometro e voltmetro
Moderatori:
carloc,
g.schgor,
BrunoValente,
IsidoroKZ
48 messaggi
• Pagina 4 di 5 • 1, 2, 3, 4, 5
0
voti
rusty ha scritto:Un comparatore
E' un amplificatore da strumentazione (INA)
It's a sin to write
instead of
(Anonimo).
...'cos you know that
ain't
, right?
You won't get a sexy tan if you write
in lieu of
.
Take a log for a fireplace, but don't take
for
arithm.
instead of
(Anonimo)....'cos you know that
ain't
, right?You won't get a sexy tan if you write
in lieu of
.Take a log for a fireplace, but don't take
for
arithm.-

DirtyDeeds
55,9k 7 11 13 - G.Master EY

- Messaggi: 7012
- Iscritto il: 13 apr 2010, 16:13
- Località: Somewhere in nowhere
0
voti
Ciao!
Ho fatto un bel po' di esercizi su voltmetri ed amperometri ed ora escono tutti
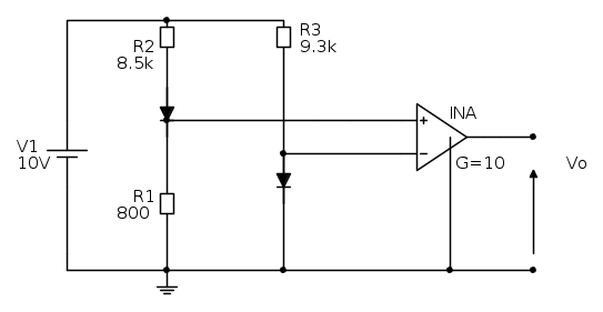
Mi manca questo sull'INA che non riesco ad arrivare in fondo! Ho controllato sul libro, ma il loro schema di un amplificatore per strumentazione è molto diverso dal mio!
Quindi per trovare
Se riuscite anche questa volta a darmi un piccolo input così provo a vedere di risolverlo
Grazie
Ciaoo

Ho fatto un bel po' di esercizi su voltmetri ed amperometri ed ora escono tutti
Mi manca questo sull'INA che non riesco ad arrivare in fondo! Ho controllato sul libro, ma il loro schema di un amplificatore per strumentazione è molto diverso dal mio!
Quindi per trovare

Se riuscite anche questa volta a darmi un piccolo input così provo a vedere di risolverlo
Grazie
Ciaoo

4
voti
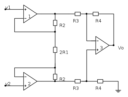
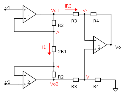
Procediamo sempre cercando di farti ragionare, altrimenti non impari niente. Quindi ti indico la traccia per una soluzione possibile, la più meccanica.
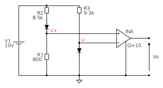
Prendiamo lo schema.
Bye
Prendiamo lo schema.
- Supposti operazionali ideali e che lavorano in linearità, quanto vale la tensione sul nodo A? E sul nodo B?
- Quanto vale la
? - Quanto vale la
? E la
? - Quanto vale la
? E la
? - Quanto vale la
? E la
? - Se sei arrivato fino a qui, allora puoi calcolare semplicemente la
.
Bye
-

EnChamade
6.498 2 8 12 - G.Master EY

- Messaggi: 588
- Iscritto il: 18 giu 2009, 12:00
- Località: Padova - Feltre
0
voti
Ciao!
Grazie per la risposta! Guardando un po' anche il libro riesco a trovare che:


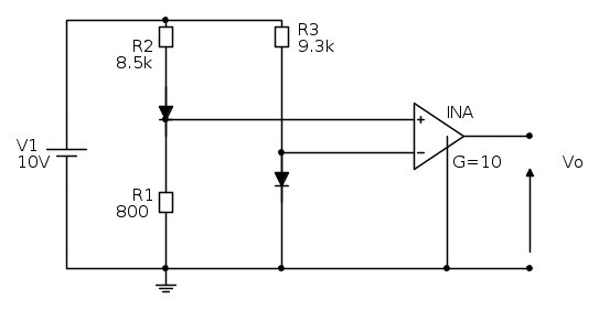
Il mio problema però era risolve il circuito iniziale (si trova nell'altra pagina):
E' su questo che non riesco a capire come trovare
. Ho cercato sul libro l'amplificatore operazionale INA ma mi riportano solamente quello schema che ho ti disegnato prima 
Grazie
Ciaoo
P.S: In fidocaj come si chiama il simbolo che mi hai riportato? Bisogna aggiungerlo alla libreria? perché nella mia ho trovato solo il simbolo della terra. Grazie
Grazie per la risposta! Guardando un po' anche il libro riesco a trovare che:


Il mio problema però era risolve il circuito iniziale (si trova nell'altra pagina):
E' su questo che non riesco a capire come trovare
. Ho cercato sul libro l'amplificatore operazionale INA ma mi riportano solamente quello schema che ho ti disegnato prima Grazie
Ciaoo
P.S: In fidocaj come si chiama il simbolo che mi hai riportato? Bisogna aggiungerlo alla libreria? perché nella mia ho trovato solo il simbolo della terra. Grazie
0
voti

"Non farei mai parte di un club che accettasse la mia iscrizione" (G. Marx)
-

claudiocedrone
21,3k 4 7 9 - Master EY

- Messaggi: 15302
- Iscritto il: 18 gen 2012, 13:36
0
voti

"Non farei mai parte di un club che accettasse la mia iscrizione" (G. Marx)
-

claudiocedrone
21,3k 4 7 9 - Master EY

- Messaggi: 15302
- Iscritto il: 18 gen 2012, 13:36
3
voti
tecfil ha scritto:Il mio problema però era risolve il circuito iniziale (si trova nell'altra pagina):
Scusami, leggendo velocemente non avevo capito... Poi, per altro, in questi giorni non brillo di particolare attenzione...
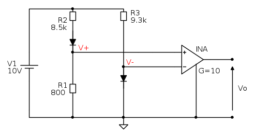
claudiocedrone ha scritto:Secondo me devi sostituire al simbolo "INA" lo schema dell'ampli da strumentazione e ragionare sul circuito "esteso" che ne risulta...
Secondo me, invece no.
Sai che un INA ideale segue la legge:

dove tu consci
. Quindi, sempre secondo me, devi semplicemente calcolare
che, per altro, mi sembra una banalità... Prova postare qualche conto.Ti posto lo schema un po' messo a posto perché, il precedente, gridava vendetta...
Bye
-

EnChamade
6.498 2 8 12 - G.Master EY

- Messaggi: 588
- Iscritto il: 18 giu 2009, 12:00
- Località: Padova - Feltre
48 messaggi
• Pagina 4 di 5 • 1, 2, 3, 4, 5
Chi c’è in linea
Visitano il forum: Nessuno e 381 ospiti

Elettrotecnica e non solo (admin)
Un gatto tra gli elettroni (IsidoroKZ)
Esperienza e simulazioni (g.schgor)
Moleskine di un idraulico (RenzoDF)
Il Blog di ElectroYou (webmaster)
Idee microcontrollate (TardoFreak)
PICcoli grandi PICMicro (Paolino)
Il blog elettrico di carloc (carloc)
DirtEYblooog (dirtydeeds)
Di tutto... un po' (jordan20)
AK47 (lillo)
Esperienze elettroniche (marco438)
Telecomunicazioni musicali (clavicordo)
Automazione ed Elettronica (gustavo)
Direttive per la sicurezza (ErnestoCappelletti)
EYnfo dall'Alaska (mir)
Apriamo il quadro! (attilio)
H7-25 (asdf)
Passione Elettrica (massimob)
Elettroni a spasso (guidob)
Bloguerra (guerra)






