Or
a si fa con il GFT, che sta per General Feedback Theorem. Ammetto che e` un po' tostarello, ma da applicare e` facile.Il GFT, basato sul teorema di dissezione, dice che qualunque funzione di rete, nel nostro caso il guadagno, puo` essere scritta in questo modo:

dove
e
sono gli stessi del messaggio [17], mentre
e` il rapporto di ritorno calcolato in doppia iniezione, con l'uscita annullata. Sembra complicato. ma in realta` e` sempre piu` facile calcolare
rispetto a
. Il calcolo di
viene fatto sostituendo al generatore pilotato un generatore di test dello stesso tipo, in questo caso
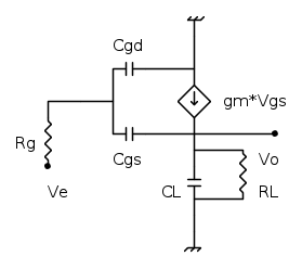
. Si mette da parte il generatore pilotato che genera una corrente di ritorno
, come in precedenza, e il rapporto di ritorno vale
con una importante differenza. In questo caso si lascia acceso il generatore di ingresso
e lo si regola in modo che, sommato a
dia uscita nulla
.La cosa utile e` che non bisogna mai calcolare il valore di
, basta sapere che con la sovrapposizione di
e di
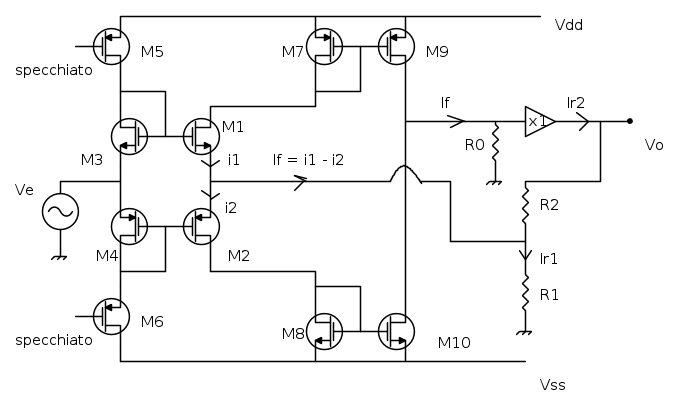
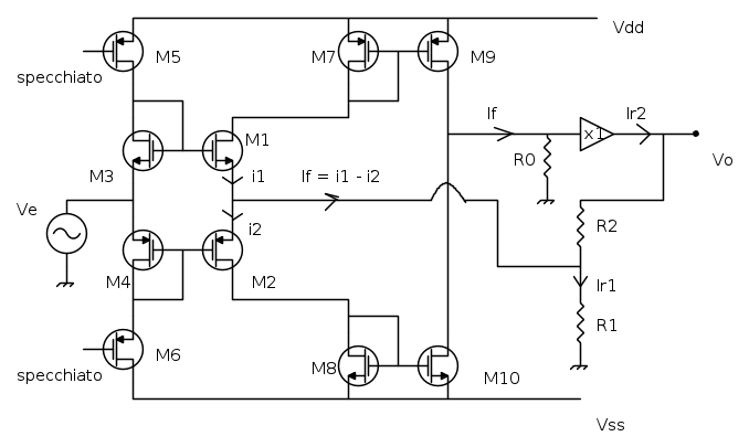
si puo` mandare a zero l'uscita. Il circuito di riferimento e` quindi questoLa corrente che circola in R2 e` IT, e dato che la tensione di uscita e` nulla la tensione Vx sara` pari a
. La corrente generata dal generatore pilotato vale quindi
. Il rapporto di ritorno in condizioni di uscita annullata vale quindi
Gli altri due valori che servono per i conti sono stati ricavati in [17] e valgono
e 
Il guadagno ad anello chiuso vale quindi
.Che noia, viene sempre lo stesso
Che esame stai preparando? Oltre al Gray Meyer, avete altri libri di testo o consigliati?

Elettrotecnica e non solo (admin)
Un gatto tra gli elettroni (IsidoroKZ)
Esperienza e simulazioni (g.schgor)
Moleskine di un idraulico (RenzoDF)
Il Blog di ElectroYou (webmaster)
Idee microcontrollate (TardoFreak)
PICcoli grandi PICMicro (Paolino)
Il blog elettrico di carloc (carloc)
DirtEYblooog (dirtydeeds)
Di tutto... un po' (jordan20)
AK47 (lillo)
Esperienze elettroniche (marco438)
Telecomunicazioni musicali (clavicordo)
Automazione ed Elettronica (gustavo)
Direttive per la sicurezza (ErnestoCappelletti)
EYnfo dall'Alaska (mir)
Apriamo il quadro! (attilio)
H7-25 (asdf)
Passione Elettrica (massimob)
Elettroni a spasso (guidob)
Bloguerra (guerra)









. 
