
Circuito passaggio gettoni
Moderatori:
carloc,
g.schgor,
BrunoValente,
IsidoroKZ
46 messaggi
• Pagina 4 di 5 • 1, 2, 3, 4, 5
0
voti

"Non farei mai parte di un club che accettasse la mia iscrizione" (G. Marx)
-

claudiocedrone
21,3k 4 7 9 - Master EY

- Messaggi: 15303
- Iscritto il: 18 gen 2012, 13:36
1
voti
Per ottenere il funzionamento che vuoi prova a collegare il led così.
Ciao,
Pietro.
Ciao,
Pietro.
-

PietroBaima
90,7k 7 12 13 - G.Master EY

- Messaggi: 12207
- Iscritto il: 12 ago 2012, 1:20
- Località: Londra
0
voti
Intanto ciao a tutti, visto che sono nuovo.
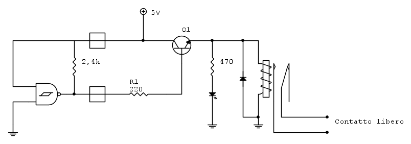
Mi permetto di suggerire una nuova idea: con i circuiti proposti il relay resta sempre eccitato TRANNE quando passa il gettone...siamo in un momento di Austerity, sarebbe meglio il contrario.
direi che un inseguitore di emetitore come questo:
risolve tutti i problemi. A uscita attiva il transistor Q1 si accende e porta l'emettitore a una tensione circa uguale a 3,9V (4,5 - 0,6 di Vbe - la caduta sulla R da 220 Ohm, ma visto che fra LED e bobina si parla di 50mA circa e visto che il transistor è in zona attiva, saranno mal che vada 50mV). 3,9V sono normalmente sufficienti per pilotare un Relay da 5V, per averne la certezza dovrei sapere la sigla esatta del relay, ma non vedo onestamente problemi di solito scendono anche fino a 3,5V.
Se invece il tuo relay non si accende, ma si accende il LED, allora significa che purtroppo quella tensione non ti basta, quindi ci vogliono 2 transistor (se vuoi ti posto il circuito).
Il contatto d'uscita l'ho messo non a massa visto che non mi pare fosse una richiesta, se invece lo preferisci verso massa allora usa le connessioni suggerite precedentemente per i contatti relay, che vanno benissimo. Certo, se hai bisogno di "un corto verso massa", un transistor BJT NPN farebbe esattamente la stessa cosa, senza problemi di rimbalzi e con numero di commutazioni praticamente infinito.
A presto e fammi sapere

Obi
Mi permetto di suggerire una nuova idea: con i circuiti proposti il relay resta sempre eccitato TRANNE quando passa il gettone...siamo in un momento di Austerity, sarebbe meglio il contrario.
direi che un inseguitore di emetitore come questo:
risolve tutti i problemi. A uscita attiva il transistor Q1 si accende e porta l'emettitore a una tensione circa uguale a 3,9V (4,5 - 0,6 di Vbe - la caduta sulla R da 220 Ohm, ma visto che fra LED e bobina si parla di 50mA circa e visto che il transistor è in zona attiva, saranno mal che vada 50mV). 3,9V sono normalmente sufficienti per pilotare un Relay da 5V, per averne la certezza dovrei sapere la sigla esatta del relay, ma non vedo onestamente problemi di solito scendono anche fino a 3,5V.
Se invece il tuo relay non si accende, ma si accende il LED, allora significa che purtroppo quella tensione non ti basta, quindi ci vogliono 2 transistor (se vuoi ti posto il circuito).
Il contatto d'uscita l'ho messo non a massa visto che non mi pare fosse una richiesta, se invece lo preferisci verso massa allora usa le connessioni suggerite precedentemente per i contatti relay, che vanno benissimo. Certo, se hai bisogno di "un corto verso massa", un transistor BJT NPN farebbe esattamente la stessa cosa, senza problemi di rimbalzi e con numero di commutazioni praticamente infinito.
A presto e fammi sapere

Obi
Ultima modifica di
obiuan il 24 set 2013, 18:22, modificato 2 volte in totale.
1
voti
Devi usare un PNP.
-

PietroBaima
90,7k 7 12 13 - G.Master EY

- Messaggi: 12207
- Iscritto il: 12 ago 2012, 1:20
- Località: Londra
1
voti
perché fai così quando un hi-side risolverebbe?
E poi a questo punto si potrebbe negare la logica... fammi dare una occhiata al data sheet...
E poi a questo punto si potrebbe negare la logica... fammi dare una occhiata al data sheet...
-

PietroBaima
90,7k 7 12 13 - G.Master EY

- Messaggi: 12207
- Iscritto il: 12 ago 2012, 1:20
- Località: Londra
1
voti
yep.
Conviene mettere un hi-side.
Ecco lo schema:
Ciao,
Pietro.
Conviene mettere un hi-side.
Ecco lo schema:
Ciao,
Pietro.
-

PietroBaima
90,7k 7 12 13 - G.Master EY

- Messaggi: 12207
- Iscritto il: 12 ago 2012, 1:20
- Località: Londra
0
voti
PietroBaima ha scritto:yep.
Conviene mettere un hi-side.
Ecco lo schema:
Ciao,
Pietro.
da quanto ho capito del componente che pilota "IN" (del quale però non ho trovato le specifiche), IN va da 4,5V a 0, quindi il circuito che hai postato non funzionerebbe perché il PNP sarebbe sempre acceso. Magari il relay si spegnerebbe, ma il LED di sicuro no, non del tutto almeno. Se invece tu hai trovato il datasheet e sai che IN raggiunge 5V, allora questo farebbe commutare il relay. Poi questo ha il relay spento per IN alto, acceso per IN basso, mi era parso di capire che volesse il contrario, e l'unico modo per avere un non-invertente a uno stadio e prelevare l'uscita dall'emettitore.
comunque...qualcuno posta le specifiche dell'optoisolatore che sta usando? è un circuito banale, basta avere i dati e si progetta in 1 minuto.
0
voti
PietroBaima ha scritto:Per ottenere il funzionamento che vuoi prova a collegare il led così.
Ciao,
Pietro.
E' lo stesso schema che ho pubblicato nel post[18]
⋮ƎlectroYou
-

stefanob70
14,1k 5 11 13 - Master EY

- Messaggi: 3190
- Iscritto il: 14 lug 2012, 13:14
- Località: Roma
1
voti
stefanob70 ha scritto:E' lo stesso schema che ho pubblicato nel post[18]
Infatti (grazie
Purtroppo non ho considerato che la corrente di mantenimento per un relè è più bassa di quella di eccitazione.
In quel modo il relè, una volta scattato, potrebbe rimanere tale.
Sorry per l'errore.
Pietro.
-

PietroBaima
90,7k 7 12 13 - G.Master EY

- Messaggi: 12207
- Iscritto il: 12 ago 2012, 1:20
- Località: Londra
46 messaggi
• Pagina 4 di 5 • 1, 2, 3, 4, 5
Chi c’è in linea
Visitano il forum: Nessuno e 172 ospiti

Elettrotecnica e non solo (admin)
Un gatto tra gli elettroni (IsidoroKZ)
Esperienza e simulazioni (g.schgor)
Moleskine di un idraulico (RenzoDF)
Il Blog di ElectroYou (webmaster)
Idee microcontrollate (TardoFreak)
PICcoli grandi PICMicro (Paolino)
Il blog elettrico di carloc (carloc)
DirtEYblooog (dirtydeeds)
Di tutto... un po' (jordan20)
AK47 (lillo)
Esperienze elettroniche (marco438)
Telecomunicazioni musicali (clavicordo)
Automazione ed Elettronica (gustavo)
Direttive per la sicurezza (ErnestoCappelletti)
EYnfo dall'Alaska (mir)
Apriamo il quadro! (attilio)
H7-25 (asdf)
Passione Elettrica (massimob)
Elettroni a spasso (guidob)
Bloguerra (guerra)
pigreco]=π


