Cos'è ElectroYou | Login Iscriviti

ElectroYou - la comunità dei professionisti del mondo elettrico

Transistor PNP per correnti elevate

Elettronica lineare e digitale: didattica ed applicazioni

Moderatori: Foto Utentecarloc, Foto Utenteg.schgor, Foto UtenteBrunoValente, Foto UtenteIsidoroKZ

3
voti

[31] Re: Transistor PNP per correnti elevate

Messaggioda Foto Utenteobiuan » 18 nov 2013, 16:57

rusty ha scritto:Non sono d'accordo.

Se parliamo di MOS, dispositivi appunto pilotati in tensione con gate isolato (per costruzione) e quindi gia' di per se' in alta impedenza, non c'è bisogno di un pull-down esterno.
Il micro all'accensione (la stragrande maggioranza) ha il buffer tristate in stato di alta impedenza, e questo non puo' in alcun modo accendere il MOS, essendo pilotato in tensione e necessitando di almeno un paio di volt per andare in conduzione; dopo lo startup il micro setta le porte come output se necessario, altrimenti le lascia di default (input), successivamente se l'utente ha scelto appositamente il pull interno questo viene abilitato.

L'alta impedenza non accendera' mai il MOS (essendo gia' lui per costruzione in alta impedenza), il micro sta' in alta impedenza sulle uscite a meno di altre istruzioni.

Il discorso cambia per un BJT, ad esempio, essendo pilotato in corrente, ma questa è un'altra storia. ;-)



eheh...non sono d'accordo nemmeno io :)

per due ragioni:

- i pin dei microcontrollori hanno una corrente di leakage, spesso specificata come < di 1uA. I MOS hanno una capacità di ingresso che può essere facilmente caricata dal leakage della porta del micro, portando il MOS in conduzione. Esempio: considera 100nA di leakage e 500pF di capacità di ingresso, bastano 20ms per portare il gate a 2V.
- un pin in altaimpedenza può facilmente captare rumore dall'esterno o condotto attraverso il PCB, e tale rumore può portare il MOS in conduzione senza una resistenza di pull down.

E' chiaro che se il MOS è usato per accendere dei LED, non è un grosso problema. ed è anche chiaro, sono d'accordo, che non succederà quasi mai, ma se l'applicazione è più critica è buona norma metterlo. Pensa per esempio all'attivazione degli impianti di estinguimento...un accensione farlocca e ti ritrovi le stanze piene d'acqua (se ti va bene).
_______________________________________________________
Gli oscillatori non oscillano mai, gli amplificatori invece sempre

Io HO i poteri della supermucca, e ne vado fiero!
Avatar utente
Foto Utenteobiuan
5.894 3 10 13
Master
Master
 
Messaggi: 980
Iscritto il: 23 set 2013, 23:45

0
voti

[32] Re: Transistor PNP per correnti elevate

Messaggioda Foto Utentelelerelele » 18 nov 2013, 17:01

rusty ha scritto:Se parliamo di MOS, dispositivi appunto pilotati in tensione con gate isolato (per costruzione) e quindi gia' di per se' in alta impedenza, non c'è bisogno di un pull-down esterno.


se posso dire la mia.....da semplice hobbista, sarei d'accordo con Foto Utenteobiuan,

se per esempio dovessi inserire questo circuito in auto, dove posso facilmente trovarmi con una massa molto sporca, qualche spike negativo si riperquote come segnale positivo in gate tra il micro in accensione (tristate) ed il mosfet, (attraverso accoppiamento capacitivo parassita), causando una saturazione fuori controllo.

Oppure se fosse il carico collegato al drain che potesse avere per qualche ragione picchi di tensione, attraverso la capacità parassita drain-gate, causerebbe correnti di drain improprie.

saluti.
Avatar utente
Foto Utentelelerelele
4.899 3 7 9
Master
Master
 
Messaggi: 5505
Iscritto il: 8 giu 2011, 8:57
Località: Reggio Emilia

1
voti

[33] Re: Transistor PNP per correnti elevate

Messaggioda Foto Utenterusty » 18 nov 2013, 17:14

obiuan ha scritto:...ma se l'applicazione è più critica è buona norma metterlo. Pensa per esempio all'attivazione degli impianti di estinguimento...un accensione farlocca e ti ritrovi le stanze piene d'acqua (se ti va bene).


Ecco, per applicazioni particolari, come quelle descritte, sono d'accordo nel mettere il pull-down.

Parlavo solamente riferendomi al caso dei led in PWM, ma per ambienti piu' "critici" dove abbiamo bisogno di maggior robustezza, sicuramente non possiamo essere cosi' avidi, d'altronde un resistore in piu' o in meno non cambia di molto il costo finale ;-)
Avatar utente
Foto Utenterusty
4.075 2 9 11
Utente disattivato per decisione dell'amministrazione proprietaria del sito
 
Messaggi: 1578
Iscritto il: 25 gen 2009, 13:10

7
voti

[34] Re: Transistor PNP per correnti elevate

Messaggioda Foto UtentePietroBaima » 18 nov 2013, 19:45

Stavolta invece, secondo me, ha ragione Foto Utenteobiuan.
I MOS non sono pilotati in tensione, i BJT non sono pilotati in corrente: ENTRAMBI sono pilotati in Carica!
Nel BJT le cariche vengono immediatamente travolte, nel MOS invece no, per cui nel BJT c'è bisogno di reintegrarle di continuo, nel MOS no.

Quando si pilota un MOS con un microcontrollore converrebbe sempre mettere una resistenza di pull down (o di pull up, a seconda del tipo di MOS) per tenerlo spento perché durante i RESET, gli interventi del WATCHDOG, durante gli SLEEP o più in generale quando le uscite vanno in HiZ sarebbe opportuno evitare che il MOS abbia un comportamento imprevedibile dato da chissà cosa viene captato dal suo GATE.
Sarebbe inoltre opportuno mettere anche una resistenza in serie al gate, sia per evitare le commutazioni troppo rapide (i pin del micro possono fornire buone correnti se non le si assorbe per tanto tempo e possono tranquillamente mandare in ringing il MOS. Povero carico sul MOS, e povero MOS...) sia per evitare di avere un pin con una capacità piazzata direttamente alla sua uscita. Se il pin viene utilizzato anche per altro, con una frequenza alta, potrebbe non funzionare niente.

Poi, se vogliamo discutere a proposito del fatto che talvolta non lo si faccia per risparmiare, possiamo farlo, ma non è una soluzione molto professionale.

Due esempi che (purtroppo) mi sono successi davvero:
  1. Circuito stupidissimo:

    Succedeva che il microcontrollore non usciva mai dallo stato di reset. Solo con l'oscilloscopio mi sono reso conto che, durante il boot, a GPIO in HiZ il MOS oscillava e il pin del reset risultava molto sporco e così il micro continuava a resettarsi, continuando a lasciare il GPIO in HiZ... #-o
    E' stato sufficiente inserire una resistenza di pull down sul pin per eliminare qualunque problema.
  2. Altro circuito, stavolta non avevo più I/O disponibile, così decido di utilizzare un pin per la programmazione (il MOSI) come uscita. In fondo, pensavo, durante l'uso normale resta scollegato e il data sheet dice che è possibile, se non lo si carica, utilizzarlo come I/O. Ottimo, uso un MOS così non lo carico per nulla...
    Schema:

    Risultato: non riuscivo a programmare il micro tramite l'ISP a meno di non scendere a velocità di programmazione tali da poter vedere i bit col tester...
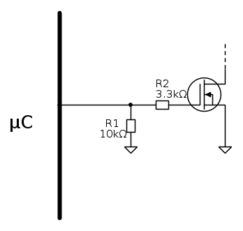
    Purtroppo non avevo ancora ben chiaro ( :oops: ) che l'uscita non andava caricata nemmeno capacitivamente.
    E' stato sufficiente inserire una resistenza da 3.3k\Omega in serie al gate per eliminare qualunque problema.
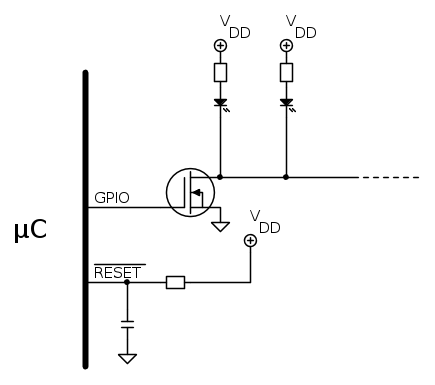
Oggi quando devo pilotare dei MOS utilizzo sempre questo circuito:



Ho riportato i valori di R_1 e R_2 che uso più spesso. Tuttavia prima di inserirli nello
schema specifico li controllo, in funzione di cosa altro ho collegato al pin e in funzione del tipo di MOS.

Ciao,
Pietro.
Generatore codice per articoli:
nomi
Sul forum:
[pigreco]=π
[ohm]=Ω
[quadrato]=²
[cubo]=³
Avatar utente
Foto UtentePietroBaima
90,7k 7 12 13
G.Master EY
G.Master EY
 
Messaggi: 12207
Iscritto il: 12 ago 2012, 1:20
Località: Londra

0
voti

[35] Re: Transistor PNP per correnti elevate

Messaggioda Foto Utentesimo85 » 18 nov 2013, 19:49

PietroBaima ha scritto:ENTRAMBI sono pilotati in Carica!

Finalmente qualcuno che lo sottolinea.

O_/
Avatar utente
Foto Utentesimo85
30,9k 7 12 13
Disattivato su sua richiesta
 
Messaggi: 9927
Iscritto il: 30 ago 2010, 4:59

0
voti

[36] Re: Transistor PNP per correnti elevate

Messaggioda Foto Utenterusty » 18 nov 2013, 21:21

Eppure ci sono tonnellate di MOS che funzionano egregiamente senza resistore di pulldown, in questo stesso forum se trovano decine e decine di thread nei quali nemmeno si menziona e nessuno (pure quelli che hanno scoperto ora la carica, tra un po' diremo che sono pilotati in quark) si è mai degnato di sottolinearlo...

viewtopic.php?f=1&t=43023
viewtopic.php?f=1&t=45984
viewtopic.php?t=32811
viewtopic.php?t=42876
viewtopic.php?f=1&t=41005&hilit=+74hc164#p365184
viewtopic.php?f=1&t=22464&start=30

Isidoro stesso, ricordo, mi "cazzio' " dicendomi che era perfettamente inutile all'atto pratico, in una applicazione di flash con 555 + NMOS.

Foto UtentePietroBaima la pratica conta piu' della grammatica, e i tuoi esempi sul campo lo dimostrano, ma almeno cerchiamo di mantenere una linea, non facciamo che ci schieriamo tutti come bandierine a seconda di chi sta soffiando al momento; della serie che se tu ora tiri fuori che i BJT vanno a carbone hai comunque ragione, perché bruciando carbone qualcuno ha prodotto l'energia necessaria a farlo funzionare... sicuramente capisci cosa sto cercando di dire ;-)

BTW, grazie per la tua disquisizione =D>

P.S. mi fa' piacere che vi date tutti da fare quando c'è da rispondere a qualcosa che ho scritto, e produco un sacco di reputation ai miei compari... good, very good.
Avatar utente
Foto Utenterusty
4.075 2 9 11
Utente disattivato per decisione dell'amministrazione proprietaria del sito
 
Messaggi: 1578
Iscritto il: 25 gen 2009, 13:10

2
voti

[37] Re: Transistor PNP per correnti elevate

Messaggioda Foto UtentePietroBaima » 18 nov 2013, 21:41

Vedi Foto Utenterusty (e questo vale anche per Foto Utenteobiuan) io non mi diverto a dare ragione un po' a turno alla gente, né mi diverto a schierarmi con Tizio, Caio o Sempronio.
Semplicemente io scrivo quello che so, di cui ho esperienza e, se non so, mi informo, ci penso, estrapolo dei risultati e solo dopo scrivo.

Quando posso contribuire scrivo cercando di far restare il post tecnico, cercando (per quello che posso) di rendere l'onor del vero.
E' ovvio che possa sbagliare, ma non lo faccio apposta.
Ringrazio chi trova i miei errori e me ne scuso.

Certamente non metterei mai il pull down ad un MOS pilotato da un 555, semplicemente perché il 555 non ha mai uno stato di HiZ all'uscita ed è quindi perfettamente inutile.
Lo metterei solo dove ci fosse una uscita che possa andare in HiZ in qualche caso.

Inoltre la R in serie al gate si può togliere se il fronte di salita dell'uscita non è così ripido da creare problemi.

Nel mio ultimo post dicevo che le soluzioni proposte vanno pensate e controllate per ogni circuito.
Certamente con i microcontrollori farei molta attenzione.

Ciao,
Pietro.
Generatore codice per articoli:
nomi
Sul forum:
[pigreco]=π
[ohm]=Ω
[quadrato]=²
[cubo]=³
Avatar utente
Foto UtentePietroBaima
90,7k 7 12 13
G.Master EY
G.Master EY
 
Messaggi: 12207
Iscritto il: 12 ago 2012, 1:20
Località: Londra

1
voti

[38] Re: Transistor PNP per correnti elevate

Messaggioda Foto Utenterusty » 18 nov 2013, 21:59

Aprendo e chiudendo velocemente l'OT, perché è tempo sprecato, dico solo che ultimamente andate a pescare tutto cio' che dico facendo paginate di google e letture approfondite solo per il gusto di mettere i puntini sulle i (io purtroppo non ho il tempo di farlo), e da quando non ho i "gradi" di fianco al nome spuntano come funghi ad obiettare qualsiasi cosa prendendomi per uno str**zo qualunque, come se dicessi solo ed essenzialmente fesserie senza fondamento.
La cosa ancora piu' triste è la schiera di piccoli folletti che spuntano dietro la tua eminente figura a chinarsi annuendo incondizionatamente; questa è l'impressione che ne traggo e personalmente mi fa' un po' pena.

Ora puoi, visto che ormai sei un amministratore, bannarmi, colorarmi di nero, stamparmi la A scarlatta sulla schiena, non preoccuparti qualsiasi cosa faccia sara' ben accetta da quelli succitati, e io me ne faro' una ragione, ma almeno ho espresso quella che è la mia impressione.

Chiuso OT, cancella pure questo pezzo se vuoi.

P.S. BTW, a parte tutto, ho apprezzato il tuo post (e l'ho votato), per quanto riguarda il resto della plebe condiscendente alle tue spalle lasciamo perdere che è meglio. Di nuovo grazie.
Avatar utente
Foto Utenterusty
4.075 2 9 11
Utente disattivato per decisione dell'amministrazione proprietaria del sito
 
Messaggi: 1578
Iscritto il: 25 gen 2009, 13:10

1
voti

[39] Re: Transistor PNP per correnti elevate

Messaggioda Foto UtenteEnChamade » 18 nov 2013, 22:06

PietroBaima ha scritto:Certamente non metterei mai il pull down ad un MOS pilotato da un 555, semplicemente perché il 555 non ha mai uno stato di HiZ all'uscita ed è quindi perfettamente inutile.


Io, evidentemente, avrò ereditato la parte peggiore del mio maestro che fu, ma mi fu insegnato che è più elegante mettere una pull-down, almeno quando non devi far risparmiare il tuo datore di lavoro. Poi, io solitamente, considero questi dettagli più correnti di pensiero: quella che mi è stata tramandata è di metterla comunque se si può.
Avatar utente
Foto UtenteEnChamade
6.498 2 8 12
G.Master EY
G.Master EY
 
Messaggi: 588
Iscritto il: 18 giu 2009, 12:00
Località: Padova - Feltre

1
voti

[40] Re: Transistor PNP per correnti elevate

Messaggioda Foto UtentePietroBaima » 18 nov 2013, 22:17

rusty ha scritto:Aprendo e chiudendo velocemente l'OT, perché è tempo sprecato, dico solo che ultimamente andate a pescare tutto cio' che dico facendo paginate di google e letture approfondite solo per il gusto di mettere i puntini sulle i

Non ho tutto questo buon tempo, credimi.
Quando dico che il BJT e il MOS sono controllati in carica non mi invento niente.
Faccio solo riferimento al modello a controllo di carica, che ho cercato solo adesso su google per metterti un riferimento bibliografico...

rusty ha scritto: e da quando non ho i "gradi" di fianco al nome

scusa se sembrerò cattivo (ma in realtà non lo sono) ma questa te la sei proprio cercata.

rusty ha scritto:La cosa ancora piu' triste è la schiera di piccoli folletti che spuntano dietro la tua eminente figura a chinarsi annuendo incondizionatamente; questa è l'impressione che ne traggo e personalmente mi fa' un po' pena.

rusty ha scritto:il resto della plebe condiscendente alle tue spalle lasciamo perdere che è meglio. Di nuovo grazie.

queste cose non le commento nemmeno.
Se fossi al tuo posto rifletterei meglio prima di dire certe cose.

rusty ha scritto:Ora puoi, visto che ormai sei un amministratore bannarmi,

potevo farlo anche prima. Se ti ricordi ancora, c'è stato un tempo in cui revocai un tuo ban, difendendoti da una cosa che reputavo ingiusta e ce ne è stato un altro che in cui ti ho bannato per non permetterti di fare una cosa ingiusta.
Non ho intenzione di farlo adesso e spero che nessun altro lo farà.
Lo spero perché ti reputo ancora un po' scosso per quanto è successo. Riprenditi presto, però...

rusty ha scritto: ma almeno ho espresso quella che è la mia impressione.

Non mi pare che nessuno ti abbia mai impedito di esprimere la tua opinione.
Attenzione però, un conto è esprimersi, un conto è uscire dalle righe.

rusty ha scritto:P.S. BTW, a parte tutto, ho apprezzato il tuo post (è l'ho votato),

ti ringrazio per l'apprezzamento e per il voto.

Ciao,
Pietro.
Generatore codice per articoli:
nomi
Sul forum:
[pigreco]=π
[ohm]=Ω
[quadrato]=²
[cubo]=³
Avatar utente
Foto UtentePietroBaima
90,7k 7 12 13
G.Master EY
G.Master EY
 
Messaggi: 12207
Iscritto il: 12 ago 2012, 1:20
Località: Londra

PrecedenteProssimo

Torna a Elettronica generale

Chi c’è in linea

Visitano il forum: Majestic-12 [Bot] e 121 ospiti