Cos'è ElectroYou | Login Iscriviti

ElectroYou - la comunità dei professionisti del mondo elettrico

Pilotare in PWM un piccolo carico resistivo

Elettronica lineare e digitale: didattica ed applicazioni

Moderatori: Foto Utentecarloc, Foto Utenteg.schgor, Foto UtenteBrunoValente, Foto UtenteIsidoroKZ

0
voti

[31] Re: Pilotare in PWM un piccolo carico resistivo

Messaggioda Foto UtenteTricka90 » 22 dic 2013, 21:36

Fantastico ti ringrazio, lo farò!!! :D :D

PietroBaima ha scritto:Quando il pin 7 "si apre" il LED vede una resistenza pari a 10k\Omega+1k\Omega, troppo alta perché possa accendersi ad una luminosità soddisfacente (e poi la luminosità è anche soggetta al PWM)

Non ci credo, che stupido #-o
E' chiaro, quando hai detto transistor io pensavo ti riferissi ancora al Mosfet e non al transistor interno! Pardon :mrgreen: e grazie ancora :-)
Avatar utente
Foto UtenteTricka90
662 1 6 10
Expert
Expert
 
Messaggi: 627
Iscritto il: 1 lug 2013, 15:53

1
voti

[32] Re: Pilotare in PWM un piccolo carico resistivo

Messaggioda Foto UtenteTricka90 » 22 dic 2013, 22:05

Vorrei chiedervi un'altra cosa.
Poniamo che il carico, in condizioni di massima potenza, assorba 19V e 1,62A cioè circa 31W (per semplicità trascuriamo i componenti che generano la PWM).
Lo sto alimentando con un alimentatore (per PC portatili) da 19V e 3,42A quindi capace di erogare 65W.
Questo alimentatore può quindi sostenere tranquillamente il carico anche in condizioni di massima potenza.

Ma cosa succederebbe se provassi ad alimentarlo con un alimentatore da 19V ma da soli 1,55A (29W totali)?
I Watt in eccesso richiesti dal carico, per quanto pochi, rischierebbero di danneggiare l'alimentatore?
Se si, potrei evitare che si danneggi semplicemente regolando il carico su una potenza inferiore?
Il dubbio mi viene perché, se è vero che la potenza media richiesta dal carico diminuirebbe, quella negli istanti di ON della PWM rimarrebbe invariata. Perciò il carico, anche se per piccoli istanti, chiederebbe comunque la corrente di 1,62A e sovraccaricherebbe l'alimentatore che può erogarne solo 1,55A.
Che ne dite? (ovviamente il discorso vale per tutti gli alimentatori, anche di potenza inferiore)
Avatar utente
Foto UtenteTricka90
662 1 6 10
Expert
Expert
 
Messaggi: 627
Iscritto il: 1 lug 2013, 15:53

2
voti

[33] Re: Pilotare in PWM un piccolo carico resistivo

Messaggioda Foto UtentePietroBaima » 22 dic 2013, 22:49

No, se tu tenessi un duty cycle più basso del 100% non danneggeresti nulla, perhè l'alimentatore "sente" la corrente media.
Chiaramente non potresti arrivare al massimo, quindi, se vuoi un controllo completo, ti conviene alimentarlo con l'alimentatore più generoso.

Ciao,
Pietro.
Generatore codice per articoli:
nomi
Sul forum:
[pigreco]=π
[ohm]=Ω
[quadrato]=²
[cubo]=³
Avatar utente
Foto UtentePietroBaima
90,7k 7 12 13
G.Master EY
G.Master EY
 
Messaggi: 12207
Iscritto il: 12 ago 2012, 1:20
Località: Londra

0
voti

[34] Re: Pilotare in PWM un piccolo carico resistivo

Messaggioda Foto UtenteTricka90 » 22 dic 2013, 22:55

Perfetto, grazie mille! :ok:
Avatar utente
Foto UtenteTricka90
662 1 6 10
Expert
Expert
 
Messaggi: 627
Iscritto il: 1 lug 2013, 15:53

1
voti

[35] Re: Pilotare in PWM un piccolo carico resistivo

Messaggioda Foto UtentePietroBaima » 23 dic 2013, 3:32



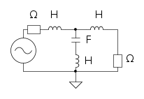
Vedo, dallo schema, che hai il problema della codifica UTF-8.
(I caratteri \Omega dei valori delle resistenze ti vengono visualizzati come coppia di caratteri ad 8 bit)
Su Mozilla Firefox si può abilitare la codifica UTF-8 cliccando sul menu View (oppure premendo ALT-V), selezionando Character Encoding e infine su Unicode (UTF-8).
Se però non usi Firefox non so :oops:

Ciao,
Pietro.
Generatore codice per articoli:
nomi
Sul forum:
[pigreco]=π
[ohm]=Ω
[quadrato]=²
[cubo]=³
Avatar utente
Foto UtentePietroBaima
90,7k 7 12 13
G.Master EY
G.Master EY
 
Messaggi: 12207
Iscritto il: 12 ago 2012, 1:20
Località: Londra

1
voti

[36] Re: Pilotare in PWM un piccolo carico resistivo

Messaggioda Foto Utentesimo85 » 23 dic 2013, 12:36

Ciao Foto UtentePietroBaima!

La volpe di fuoco sul mio laptop ha già abilitata la codifica UTF-8.

Ricordo di non averli visualizzati correttamente in alcuni schemi, però non ci ho mai dato troppa importanza anche perché pensavo fosse un problema di aggiornamenti del Cad installato su EY.. Se non ricordo male se ne era parlato tempo fa.

Inoltre ora le lettere greche λ μ ν ξ ο π ω ψ χ φ υ τ σ ρ Ω me le visualizza correttamente.



Anche in FCDJ qui su EY.



Che sia stato fatto un lavoro dietro le quinte, da parte di Foto Utenteadmin e Foto Utentewebmaster ?

:-M

Anyway, thank you for advising. :D
Avatar utente
Foto Utentesimo85
30,9k 7 12 13
Disattivato su sua richiesta
 
Messaggi: 9927
Iscritto il: 30 ago 2010, 4:59

1
voti

[37] Re: Pilotare in PWM un piccolo carico resistivo

Messaggioda Foto UtentePietroBaima » 23 dic 2013, 12:42

Prego! :D

Facciamo solo una prova.
Prova a copiare il codice fidocadj dell'ultimo tuo messaggio e ad incollarlo su un nuovo messaggio.
Se la codifica UTF-8 non funziona non dovrebbe essere incollato correttamente.

Ciao,
Pietro.
Generatore codice per articoli:
nomi
Sul forum:
[pigreco]=π
[ohm]=Ω
[quadrato]=²
[cubo]=³
Avatar utente
Foto UtentePietroBaima
90,7k 7 12 13
G.Master EY
G.Master EY
 
Messaggi: 12207
Iscritto il: 12 ago 2012, 1:20
Località: Londra

0
voti

[38] Re: Pilotare in PWM un piccolo carico resistivo

Messaggioda Foto Utentesimo85 » 23 dic 2013, 13:17

Ecco adesso funziona. :D



bug_fixed_how_to.jpg
bug_fixed_how_to.jpg (69.75 KiB) Osservato 5280 volte


:mrgreen:
Avatar utente
Foto Utentesimo85
30,9k 7 12 13
Disattivato su sua richiesta
 
Messaggi: 9927
Iscritto il: 30 ago 2010, 4:59

1
voti

[39] Re: Pilotare in PWM un piccolo carico resistivo

Messaggioda Foto UtenteIsidoroKZ » 23 dic 2013, 13:40

No che non va! O se funziona e` marginale. Lo schema giusto e` nel messaggio [27], anche se non so se il led si accende quando anche il MOS, in quello schema, e` acceso.

La ragione per cui lo schema non va bene e` la tensione di gate del MOS, che vale circa 1.6V del led piu` la partizione delle resistenze R2 ed R3 e in totale fa circa 2.5V. Va bene che il MOS e` di tipo logic level, ma 2.5V sul gate sono un po' pochini!

Lasciate perdere l'uscita DSCHG, piedino 7, e collegate sia il comando del MOS che il led all'uscita OUT, piedino 3, che potendo erogare o assorbire una corrente elevata (mi pare 200mA) non ha problemi a pilotare il MOS, il led e la rete dell'oscillatore.



Edit: su suggerimento di Foto UtentePietroBaima ho aggiunto una resistenza R2 sul gate del MOS per togliere possibili risonanze e rallentare le commutazioni, tanto il circuito non lavora ad alta frequenza e cosi` genera meno rumore elettromagnetico.
Per usare proficuamente un simulatore, bisogna sapere molta più elettronica di lui
Plug it in - it works better!
Il 555 sta all'elettronica come Arduino all'informatica! (entrambi loro malgrado)
Se volete risposte rispondete a tutte le mie domande
Avatar utente
Foto UtenteIsidoroKZ
121,2k 1 3 8
G.Master EY
G.Master EY
 
Messaggi: 21059
Iscritto il: 17 ott 2009, 0:00

0
voti

[40] Re: Pilotare in PWM un piccolo carico resistivo

Messaggioda Foto Utentesimo85 » 23 dic 2013, 13:42

IsidoroKZ ha scritto:No che non va!

Foto UtenteIsidoroKZ io mi riferivo solo alla codifica dei caratteri con FidoCad. :D

Ciao!
Avatar utente
Foto Utentesimo85
30,9k 7 12 13
Disattivato su sua richiesta
 
Messaggi: 9927
Iscritto il: 30 ago 2010, 4:59

Precedente

Torna a Elettronica generale

Chi c’è in linea

Visitano il forum: Majestic-12 [Bot] e 123 ospiti