No, non ci siamo capiti, tu stai parlando già del ricevitore, mentre io sto parlando ancora del trasmettitore... siamo ancora a monte del canale, in cui devi immettere (dall'uscita del multiplexer) un segnale con frequenza 10 kHz o 5 kHz...
Andiamo per ordine.
Il discorso trasmettitore ti è chiaro? Se si passiamo al ricevitore...
ciao
PSQ
Convertitore tensione/frequenza a due livelli per canale TX
Moderatori:
carloc,
g.schgor,
BrunoValente,
IsidoroKZ
0
voti
10khz=10000h/s=10ms a impulso quindi cotno per 10 per 100ms
5khz=5000h/s=5ms a impulso quindi cotno per 10 per 50ms
uso un unico contatore.
Non siamo arrivati qui?
1
voti
Ciao.
Di principio ci stiamo arrivando.
Solamente alcune cose non mi sono chiare del tuo schema:
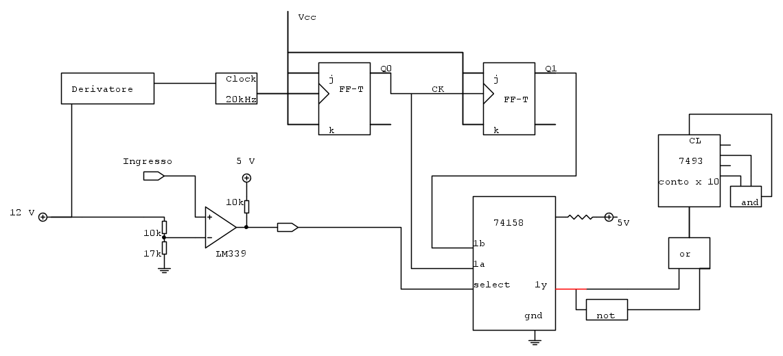
1) Cosa sarebbe il "Derivatore"?
2) Immagino che il canale trasmissivo sia rappresentato dal collegamento tra il multiplexer e il flip-flop di tipo D. Me lo confermi? In tal caso evidenzialo per chiarezza.
3) Non mi è chiaro il circuito ricevente. Siccome mi sembra che più o meno il trasmettitore sia a posto, concentriamoci ora solo sul ricevitore.
Una precisazione, prendila come un consiglio e non come una pignoleria:
1) l'unità di misura della frequenza è "Hz" (con la maiuscola) e non "h";
2) i kilohertz si abbireviano "kHz" con la H maiuscola
Scusa la puntualizzazione, ma le unità di misura sono spesso maltrattate...
ciao
PSQ
Di principio ci stiamo arrivando.
Solamente alcune cose non mi sono chiare del tuo schema:
1) Cosa sarebbe il "Derivatore"?
2) Immagino che il canale trasmissivo sia rappresentato dal collegamento tra il multiplexer e il flip-flop di tipo D. Me lo confermi? In tal caso evidenzialo per chiarezza.
3) Non mi è chiaro il circuito ricevente. Siccome mi sembra che più o meno il trasmettitore sia a posto, concentriamoci ora solo sul ricevitore.
Una precisazione, prendila come un consiglio e non come una pignoleria:
1) l'unità di misura della frequenza è "Hz" (con la maiuscola) e non "h";
2) i kilohertz si abbireviano "kHz" con la H maiuscola
Scusa la puntualizzazione, ma le unità di misura sono spesso maltrattate...
ciao
PSQ
_-^-_-^-_-^-_-^-_-^-_-^-_-^-_-^-_-^-_-^-_-^-_-^-_-^-_-^-_
Pepito Sbazzeguti
"gratta il Pepito e troverai il Pepone"
Pepito Sbazzeguti
"gratta il Pepito e troverai il Pepone"
0
voti
Pepito ha scritto:Ciao.
Una precisazione, prendila come un consiglio e non come una pignoleria:
1) l'unità di misura della frequenza è "Hz" (con la maiuscola) e non "h";
2) i kilohertz si abbireviano "kHz" con la H maiuscola
Scusa la puntualizzazione, ma le unità di misura sono spesso maltrattate...![]()
Nel trovare una persona pignola non potevo sperare di meglio
Quel che è giusto è giusto e ti ringrazio quando mi fai notare anche questo tipo di cose.
Di principio ci stiamo arrivando.
Solamente alcune cose non mi sono chiare del tuo schema:
1) Cosa sarebbe il "Derivatore"?
- La domanda che fa sorgere i dubbi. L'ho utilizzato per prelevare la quantità di segnale necessaria per far funzionare l'integrato. (uccidimi pure... risorgerò)
2) Immagino che il canale trasmissivo sia rappresentato dal collegamento tra il multiplexer e il flip-flop di tipo D. Me lo confermi? In tal caso evidenzialo per chiarezza.
Esatto.
3) Non mi è chiaro il circuito ricevente. Siccome mi sembra che più o meno il trasmettitore sia a posto, concentriamoci ora solo sul ricevitore.
Visto che il mux non ha memoria ho collegato il ff-D per mantenere lo stato. Quando il mux da 1 parte il conteggio, viceversa quando mux da 0 l'uscita negata parte il conteggio tramie la porta or visto che avremo solo o 01 o 10. La and dopo il contatore prende i bit per il 10. 1010 quindi collego in una and e dopo aver verificato che sono passati i ms che volevo svuoto il ff-d
1
voti
Linrush ha scritto:Visto che il mux non ha memoria ho collegato il ff-D per mantenere lo stato. Quando il mux da 1 parte il conteggio, viceversa quando mux da 0 l'uscita negata parte il conteggio tramie la porta or visto che avremo solo o 01 o 10. La and dopo il contatore prende i bit per il 10. 1010 quindi collego in una and e dopo aver verificato che sono passati i ms che volevo svuoto il ff-d
Dunque, forse fraintendi un po' il ruolo del mux. Il mux non deve avere memoria, deve commutare (idealmente in tempo zero) tra un ingresso e l'altro al variare del segnale di select...
In ricezione, per generare l'impulso di durata esatta devi semplicemente contare 10 impulsi sul canale, secondo il corretto ragionamento che hai fatto su frequenza/periodo.
Attenzione però che non puoi semplicemente mettere in AND i bit "giusti", altrimenti considereresti corrette tutte le sequenze
1010 (esatta)
1111 (errata)
1110 (errata)
1011 (errata)
Per fare quello che hai in testa tu ti serve un comparatore digitale, tipo il 74HC688. Questi oggetti prendono in ingresso due byte, quindi hanno 16 piedini di ingresso, 8 per il dato che vuoi controllare e 8 per l'impostazione del dato ritenuto corretto (in questo caso 00001010). Una volta (ora onestamente non so) erano usati anche sulle schede ISA per la decodifica degli indirizzi di bus (li ho personalmente usati su un bus PC-104, che è poi un ISA).
Prova a pensarci su.
Ciao
PSQ
_-^-_-^-_-^-_-^-_-^-_-^-_-^-_-^-_-^-_-^-_-^-_-^-_-^-_-^-_
Pepito Sbazzeguti
"gratta il Pepito e troverai il Pepone"
Pepito Sbazzeguti
"gratta il Pepito e troverai il Pepone"
0
voti
Ma attualmente commuta in base al select infatti.
Quel FF lo avevo messo prima di accorgermi che bastava un solo contatore per entrambi (dopo aver fatto i conti), quindi mi ero preoccupato di distinguere i due segnali di uscita per un eventuale collegamento a 2 contatori, ma visto che ne ho utilizzato solo uno posso benissimo collegare l'uscita + una sua negata alla porta or e spararla al contatore senza il FF. Giusto?
Se ci fai caso quelle sequenze sono maggiori di 10, io appena raggiungo 10 azzero il contatore
Quel FF lo avevo messo prima di accorgermi che bastava un solo contatore per entrambi (dopo aver fatto i conti), quindi mi ero preoccupato di distinguere i due segnali di uscita per un eventuale collegamento a 2 contatori, ma visto che ne ho utilizzato solo uno posso benissimo collegare l'uscita + una sua negata alla porta or e spararla al contatore senza il FF. Giusto?
Se ci fai caso quelle sequenze sono maggiori di 10, io appena raggiungo 10 azzero il contatore
0
voti
Linrush ha scritto:Ma attualmente commuta in base al select infatti.
E questo infatti è giusto.
Linrush ha scritto:Quel FF lo avevo messo prima di accorgermi che bastava un solo contatore per entrambi (dopo aver fatto i conti), quindi mi ero preoccupato di distinguere i due segnali di uscita per un eventuale collegamento a 2 contatori, ma visto che ne ho utilizzato solo uno posso benissimo collegare l'uscita + una sua negata alla porta or e spararla al contatore senza il FF. Giusto?
No. Se colleghi il segnale del canale e la sua negata tramite un OR, avrai un segnale sempre alto in uscita dall'OR, fatto salvo, nella realtà, un glitch durante la transizione, che tuttavia non è minimamente utilizzabile in quanto non prevedibile in modo ragionevole.
Devi collegare il canale al contatore, e basta
Linrush ha scritto:Se ci fai caso quelle sequenze sono maggiori di 10, io appena raggiungo 10 azzero il contatore
In questo invece hai ragione. Ti ho detto io una cavolata, mi era sfuggito. Dobbiamo ripensare ciò che sta dopo il contatore, anche perché da dove preleveresti il tuo segnale "temporizzato" d'uscita del ricevitore? Sono stanco e vado a dormire, domani ne riparliamo...
ciao
PSQ
_-^-_-^-_-^-_-^-_-^-_-^-_-^-_-^-_-^-_-^-_-^-_-^-_-^-_-^-_
Pepito Sbazzeguti
"gratta il Pepito e troverai il Pepone"
Pepito Sbazzeguti
"gratta il Pepito e troverai il Pepone"
0
voti
Per abilitare il contatore non serve un livello alto?
L'uscita del segnale è un'onda digitalizzata quindi sequenze di 0 e 1, quando arriva 0 il contatore non conta ecco perché ho messo quella or, in questo modo conta sempre qualsiasi sia l'uscita.
Grazie ancora per la disponibiità
buona notte.
L'uscita del segnale è un'onda digitalizzata quindi sequenze di 0 e 1, quando arriva 0 il contatore non conta ecco perché ho messo quella or, in questo modo conta sempre qualsiasi sia l'uscita.
Grazie ancora per la disponibiità
0
voti
Linrush ha scritto:Per abilitare il contatore non serve un livello alto?
Non so per quel particolare integrato se l'enable sia attivo alto o basso. In ogni caso io intendevo il segnale sul canale usato come clock per il contatore, altrimenti anche se lo abiliti cosa starebbe contando?
ciao
PSQ
_-^-_-^-_-^-_-^-_-^-_-^-_-^-_-^-_-^-_-^-_-^-_-^-_-^-_-^-_
Pepito Sbazzeguti
"gratta il Pepito e troverai il Pepone"
Pepito Sbazzeguti
"gratta il Pepito e troverai il Pepone"
0
voti
l'intenzione era quella di mantenere il segnale per 50ms o 100ms per poi prendere un altro impulso dal mux e mantenerlo a sua volta per altri 50 ms o 100ms... 

Chi c’è in linea
Visitano il forum: Nessuno e 47 ospiti

Elettrotecnica e non solo (admin)
Un gatto tra gli elettroni (IsidoroKZ)
Esperienza e simulazioni (g.schgor)
Moleskine di un idraulico (RenzoDF)
Il Blog di ElectroYou (webmaster)
Idee microcontrollate (TardoFreak)
PICcoli grandi PICMicro (Paolino)
Il blog elettrico di carloc (carloc)
DirtEYblooog (dirtydeeds)
Di tutto... un po' (jordan20)
AK47 (lillo)
Esperienze elettroniche (marco438)
Telecomunicazioni musicali (clavicordo)
Automazione ed Elettronica (gustavo)
Direttive per la sicurezza (ErnestoCappelletti)
EYnfo dall'Alaska (mir)
Apriamo il quadro! (attilio)
H7-25 (asdf)
Passione Elettrica (massimob)
Elettroni a spasso (guidob)
Bloguerra (guerra)





