Il condensatore ce l'ho, devo verificare lo zener.
Se ho tutto stanotte ci provo, altrimenti dovrò aspettare almeno una settimana prima di aver l'opportunità di andare in negozio.
Purtroppo ce ne sono sempre meno.
Condensatore che scalda
Moderatori:
carloc,
g.schgor,
BrunoValente,
IsidoroKZ
37 messaggi
• Pagina 4 di 4 • 1, 2, 3, 4
0
voti
http://millefori.altervista.org
Tool gratuito per chi sviluppa su millefori.
Tutti sanno che una cosa è impossibile da realizzare, finché arriva uno sprovveduto che non lo sa e la inventa. (A. Einstein)
Se non c'e` un 555 non e` un buon progetto (IsidoroKZ)
Strumento per formule
Tool gratuito per chi sviluppa su millefori.
Tutti sanno che una cosa è impossibile da realizzare, finché arriva uno sprovveduto che non lo sa e la inventa. (A. Einstein)
Se non c'e` un 555 non e` un buon progetto (IsidoroKZ)
Strumento per formule
-

posta10100
5.550 4 10 13 - Master EY

- Messaggi: 4832
- Iscritto il: 5 nov 2006, 0:09
0
voti
posta10100 ha scritto:Purtroppo ce ne sono sempre meno.
Di opportunità o di negozi?
-

PietroBaima
90,7k 7 12 13 - G.Master EY

- Messaggi: 12207
- Iscritto il: 12 ago 2012, 1:20
- Località: Londra
4
voti
ALLTT!!
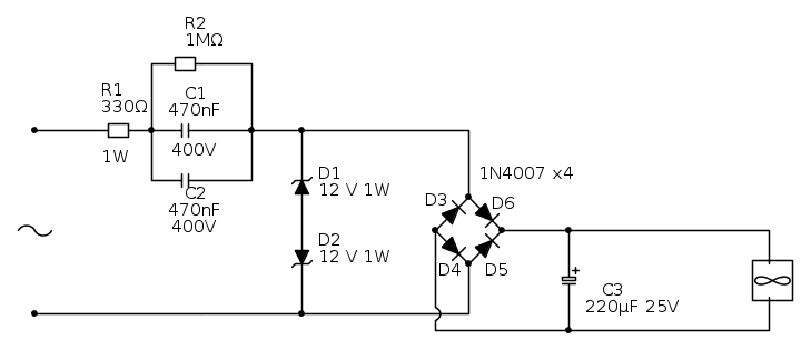
Fermi tutti!
Ho fatto un errore! Chissà perché ho letto che servivano 5mA e non 50mA !!!

Se bisogna disporre di questa corrente bisogna raddoppiare la capacità e anche la semionda da raddrizzare, così:
Chiedo ancora scusa per la svista.
Pietro.
Fermi tutti!
Ho fatto un errore! Chissà perché ho letto che servivano 5mA e non 50mA !!!

Se bisogna disporre di questa corrente bisogna raddoppiare la capacità e anche la semionda da raddrizzare, così:
Chiedo ancora scusa per la svista.
Pietro.
-

PietroBaima
90,7k 7 12 13 - G.Master EY

- Messaggi: 12207
- Iscritto il: 12 ago 2012, 1:20
- Località: Londra
1
voti
Del ponte dici?
Beh, in parte è compensata dal diodo zener che conduce in diretta, che fa alzare la tensione ai capi del ponte di mezzo volt abbondante. C'è la caduta di due 1N4007 del ponte, però la ventola girerebbe comunque anche se ci fossero soltanto 10V, per esempio.
Inoltre la precisione degli zener è molto dubbia, uno zener da 12V può avere una Vz da 10V a 14V, a seconda della corrente.
Tenderei a vederlo come un non problema.
Ciao,
Pietro.
Beh, in parte è compensata dal diodo zener che conduce in diretta, che fa alzare la tensione ai capi del ponte di mezzo volt abbondante. C'è la caduta di due 1N4007 del ponte, però la ventola girerebbe comunque anche se ci fossero soltanto 10V, per esempio.
Inoltre la precisione degli zener è molto dubbia, uno zener da 12V può avere una Vz da 10V a 14V, a seconda della corrente.
Tenderei a vederlo come un non problema.
Ciao,
Pietro.
-

PietroBaima
90,7k 7 12 13 - G.Master EY

- Messaggi: 12207
- Iscritto il: 12 ago 2012, 1:20
- Località: Londra
0
voti
PietroBaima ha scritto:ho letto che servivano 5mA e non 50mA !!!
Ah ecco, mi sembrava un po piccolino quel condensatore, così ci avviciniamo al valore equivalente dei condensatori in serie che ho messo io. La doppia semionda compensa il resto.
PietroBaima ha scritto:Chiedo ancora scusa per la svista.
Nessunissimo problema, capita anche ai migliori
PietroBaima ha scritto:Di opportunità o di negozi?
Negozi, fino a qualche anno fa ne conoscevo diversi, poi uno alla volta sono spariti in favore di agenzie immobiliari...
Però sto pensando che se devo mettere tutta quella roba, metà della quale devo comprarla, è meglio se ci metto un trasformatorino che ho recuperato chissà dove e che dorme da anni nel cassetto, un diodo e un condensatore.
Insomma, tutta roba che ho e che sarebbe rimasta li per chissà quanto altro tempo.
Interessantissima però la tua soluzione!
Grazie!
http://millefori.altervista.org
Tool gratuito per chi sviluppa su millefori.
Tutti sanno che una cosa è impossibile da realizzare, finché arriva uno sprovveduto che non lo sa e la inventa. (A. Einstein)
Se non c'e` un 555 non e` un buon progetto (IsidoroKZ)
Strumento per formule
Tool gratuito per chi sviluppa su millefori.
Tutti sanno che una cosa è impossibile da realizzare, finché arriva uno sprovveduto che non lo sa e la inventa. (A. Einstein)
Se non c'e` un 555 non e` un buon progetto (IsidoroKZ)
Strumento per formule
-

posta10100
5.550 4 10 13 - Master EY

- Messaggi: 4832
- Iscritto il: 5 nov 2006, 0:09
37 messaggi
• Pagina 4 di 4 • 1, 2, 3, 4
Chi c’è in linea
Visitano il forum: Nessuno e 116 ospiti

Elettrotecnica e non solo (admin)
Un gatto tra gli elettroni (IsidoroKZ)
Esperienza e simulazioni (g.schgor)
Moleskine di un idraulico (RenzoDF)
Il Blog di ElectroYou (webmaster)
Idee microcontrollate (TardoFreak)
PICcoli grandi PICMicro (Paolino)
Il blog elettrico di carloc (carloc)
DirtEYblooog (dirtydeeds)
Di tutto... un po' (jordan20)
AK47 (lillo)
Esperienze elettroniche (marco438)
Telecomunicazioni musicali (clavicordo)
Automazione ed Elettronica (gustavo)
Direttive per la sicurezza (ErnestoCappelletti)
EYnfo dall'Alaska (mir)
Apriamo il quadro! (attilio)
H7-25 (asdf)
Passione Elettrica (massimob)
Elettroni a spasso (guidob)
Bloguerra (guerra)
pigreco]=π



