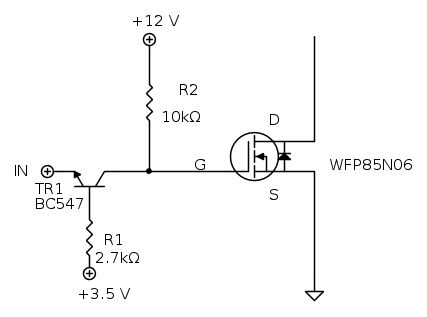
petre86 ha scritto:va bene questo semplice schema giusto per capirci?
Sbagliato. La R sul gate deve essere un pullup in modo da tenerlo normalmente chiuso.
Resistance box alla mano per determinare i valori delle R
Moderatori:
carloc,
g.schgor,
BrunoValente,
IsidoroKZ
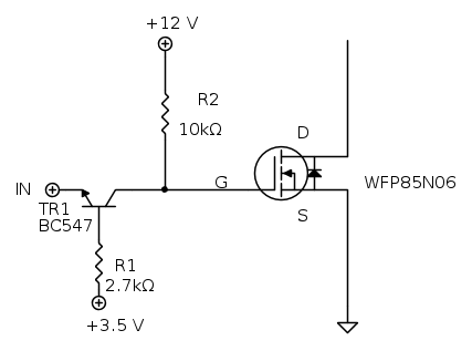
petre86 ha scritto:va bene questo semplice schema giusto per capirci?
PietroBaima ha scritto:evitate schemi... "strani"![]()
aldofad ha scritto:Sbagliato. La R sul gate deve essere un pullup in modo da tenerlo normalmente chiuso.
aldofad ha scritto:Resistance box alla mano per determinare i valori delle R
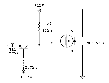
aldofad ha scritto:petre86 ha scritto:va bene questo semplice schema giusto per capirci?
Sbagliato. La R sul gate deve essere un pullup in modo da tenerlo normalmente chiuso.
Resistance box alla mano per determinare i valori delle R


PietroBaima ha scritto:No, quello schema non ha nulla che vada bene.


PietroBaima ha scritto:Usate un relé REED, che é meglio.

PietroBaima ha scritto:


Visitano il forum: Nessuno e 55 ospiti