da uscita DAC a cassa audio 1W
Moderatori:
carloc,
g.schgor,
BrunoValente,
IsidoroKZ
50 messaggi
• Pagina 4 di 5 • 1, 2, 3, 4, 5
0
voti
Filtri con operazionali? E quando mai se ne è parlato? l'OP vole fare delle prove con degli altoparlanti di piccole dimensioni per provare una catena audio ADC-DAC. Non serve filtrare nulla che non faccia già l'amplificatore con la sua banda passante.
0
voti
Effettivamente neanch'io avevo pensato al filtro per eliminare la frequenza di campionamento.
Pensavo di usare un segnale a 5Vpp sia per il rumore, sia per usare il circuito di fig.3 del datasheet (alimentato a 5V e con guadagno unitario) per avere un alto fattore di retroazione e lasciavo che l'altoparlante si beccasse 1,2W invece che 1W.
Questo era il mio ragionamento, ma effettivamente il filtro ci vuole.
Pensavo di usare un segnale a 5Vpp sia per il rumore, sia per usare il circuito di fig.3 del datasheet (alimentato a 5V e con guadagno unitario) per avere un alto fattore di retroazione e lasciavo che l'altoparlante si beccasse 1,2W invece che 1W.
Questo era il mio ragionamento, ma effettivamente il filtro ci vuole.
-

SediciAmpere
4.187 5 5 8 - Master

- Messaggi: 4848
- Iscritto il: 31 ott 2013, 15:00
0
voti
SediciAmpere ha scritto:ma effettivamente il filtro ci vuole.
Ma anche no. Se proprio vuoi, metti una capacità in parallelo alla resistenza di retroazione dell'amplificatore, ma è comunque overkilling.
0
voti
angel99 ha scritto:.
In ingresso devi avere un partitore che in assenza di segnale ti faccia avere Vref/2 all'ingresso del ADC. Il segnale che proviene dal microfono, opportunamente condizionato, deve darti un'ampiezza di Vref (picco-picco) e deve essere applicato con un condensatore di disaccoppiamento al partitore di cui ti ho detto sopra. In questo modo, all'ingresso avrai segnali che se deboli si muoveranno poco attorno a Vref/2, se di grande ampiezza sfrutteranno tutta la dinamica tra 0 V e Vref.
Il DAC deve fare la stessa cosa: in assenza di segnale deve darti un'uscita Vref/2 e i segnali in uscita devono muoversi nell'intorno di questo livello. Poco o tanto, ma il valore medio deve restare sempre Vref/2.
Questo dovrebbe farti capire che un controllo di volume non può essere fatto moltiplicando banalmente il valore binario di ingresso per un coefficiente e poi buttandolo al DAC di uscita, ma bisogna considerare quel valore medio che non deve essere modificato.
I calcoli da fare non sono assolutamente complessi, ma solo se si comprende la motivazione per cui è necessario farli.
ecco, era qui che mi incartavo, come pensavo, sul microfono. Ma quindi il mirofono nativamente da un uscita intorno allo zero, che può anche scendere, e Vref/2 glielo devo dare io?
Io finora pensavo che il microfono desse solo tensioni positive, ovvero supponendo che all'ingresso del microfono ci sia un onda acustica sinusoidale, immaginavo un escursione tra Vref e 0, quindi necessariamente con un valore medio pari a Vref/0. Quindi non ho capito nel tuo discorso se è cosi oppure se la devo aggiungere io. Per esempio nel link che ho postato il microfono da un uscita da 1,7 a 10V ma non riesco a capire sinceramente se quella sia l'escursione di tensione.
Comunque sto leggendo con molto interesse le vostre considerazioni sul range del segnale e sulla presenza di un filtro prima dell'amplificatore

1
voti
deltax ha scritto:[Ma quindi il mirofono nativamente da un uscita intorno allo zero, che può anche scendere, e Vref/2 glielo devo dare io?
Esatto!
deltax ha scritto:Io finora pensavo che il microfono desse solo tensioni positive
No.
Il condizionamento di ingresso del microfono deve essere fatto per ottenere due risultati
- condizionamento di ampiezza
- valore di zero
Il primo risultato lo ottieni con un partitore resistivo che porti la massima escursione del microfono (picco-picco) entro il range del convertitore ADC.
Il secondo risultato lo ottieni con un altro partitore che tenga a Vref/2 l'ingresso dell'ADC in assenza di segnale.
Poi devi portare il segnale di ingresso all'ADC con un condensatore di disaccoppiamento che renda ininfluente la componente continua eventualmente presente all'uscita del microfono.
Disegna uno schema del circuito di ingresso, così ne discutiamo.
1
voti
deltax ha scritto: il microfono da un uscita da 1,7 a 10V
1,7÷10V non è il segnale in uscita, ma è la tensione con cui può essere alimentato il microfono
La resistenza deve essere scelta in modo che sul nodo ci siano circa 2÷3V (valore non critico), prova cominciando con 3,3kΩ e poi aggiustala a tentativi.
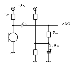
Dopo il condensatore ci vuole una resistenza "Ri" (il cui valore determina l'impedenza d'ingresso vista dal microfono e costituisce il filtro passa alto insieme al condensatore "Ci") che va ad una tensione di riferimento (pari a Vcc/2 = 2,5V e questa deve essere precisa) ottenuta con un partitore
Il segnale alternato che esce dal condensatore "Ci" oscillerà intorno a questa componente continua di 2,5V e così potrà essere convertito in digitale
(Non avevo visto l'ultima risposta di Angel99)
-

SediciAmpere
4.187 5 5 8 - Master

- Messaggi: 4848
- Iscritto il: 31 ott 2013, 15:00
0
voti
grazie
SediciAmpere! Sei stato chiarissimo! Ho un solo dubbio: come faccio a garantire che l'uscita del microfono abbia un escursione massima +/- Vref, per poter appunto sfruttare tutto il range di tensione che ho a disposizione e renderlo robusto al rumore?
Visto che tu hai detto che 1,7-10V è il range di alimentazione, io non ho alcuna informazione su come varia il segnale di ingresso in uscita al microfono...
Visto che tu hai detto che 1,7-10V è il range di alimentazione, io non ho alcuna informazione su come varia il segnale di ingresso in uscita al microfono...
0
voti
deltax ha scritto:come faccio a garantire che l'uscita del microfono abbia un escursione massima +/- Vref
Questo è il problema di acquistare su ebay, non sai cosa acquisti perché praticamente nessuno ti fornisce i datasheet (se ne guardano bene).
Hai due possibilità: o acquisti il microfono e fai le misure con un oscilloscopio, oppure acquisti da un fornitore che ti fornisca il datasheet prima dell'acquisto.
Attenzione: escursione +/- Vref/2, non +/- Vref!
0
voti
angel99 ha scritto:
Attenzione: escursione +/- Vref/2, non +/- Vref!
giusto, ho sbagliato ma nella mia testa visualizzavo correttamente.
comunque ok, l'importante è che nei datasheet c'è scritto, pensavo ci fosse qualche modo per doverlo calcolare che ignoravo. Quel microfono che ho linkato non sarà quello definitivo del mio progetto, l'ho comprato perché ho comprato i "ferri base del mestiere" resistenze, condensatori led ecc.
Grazie per la pazienza e per le spiegazioni esaurienti
Nel frattempo continuo a leggere con interesse la vostra discussione sull'ampiezza del segnale.
50 messaggi
• Pagina 4 di 5 • 1, 2, 3, 4, 5
Chi c’è in linea
Visitano il forum: Nessuno e 135 ospiti

Elettrotecnica e non solo (admin)
Un gatto tra gli elettroni (IsidoroKZ)
Esperienza e simulazioni (g.schgor)
Moleskine di un idraulico (RenzoDF)
Il Blog di ElectroYou (webmaster)
Idee microcontrollate (TardoFreak)
PICcoli grandi PICMicro (Paolino)
Il blog elettrico di carloc (carloc)
DirtEYblooog (dirtydeeds)
Di tutto... un po' (jordan20)
AK47 (lillo)
Esperienze elettroniche (marco438)
Telecomunicazioni musicali (clavicordo)
Automazione ed Elettronica (gustavo)
Direttive per la sicurezza (ErnestoCappelletti)
EYnfo dall'Alaska (mir)
Apriamo il quadro! (attilio)
H7-25 (asdf)
Passione Elettrica (massimob)
Elettroni a spasso (guidob)
Bloguerra (guerra)



