Cos'è ElectroYou | Login Iscriviti

ElectroYou - la comunità dei professionisti del mondo elettrico

Da 6Vac a 12Vdc

Elettronica lineare e digitale: didattica ed applicazioni

Moderatori: Foto Utentecarloc, Foto Utenteg.schgor, Foto UtenteBrunoValente, Foto UtenteIsidoroKZ

0
voti

[31] Re: Da 6Vac a 12Vdc

Messaggioda Foto Utentesetteali » 13 giu 2017, 12:12

non so per quale motivo ogni lampada abbia un diodo incorporato, però se è collegato così, la tensione positiva scorre dall'anodo verso il catodo e quindi porta i 3V a massa.
Controlla bene come è montato.
O_/
Alex
https://www.facebook.com/Elettronicaeelettrotecnica

<< vedi di pigliare arditamente in mano, il dizionario che ti suona in bocca,
se non altro è schietto e paesano.
(Giuseppe Giusti) <<
Avatar utente
Foto Utentesetteali
11,9k 5 5 9
Master
Master
 
Messaggi: 5921
Iscritto il: 15 dic 2013, 21:09

0
voti

[32] Re: Da 6Vac a 12Vdc

Messaggioda Foto Utentesidro007 » 13 giu 2017, 14:02



Ho controllato negli schemi, ora dovremmo esserci. In questi flipper tutto ha diodi, lampade, bobine e microinterrutori.
Avatar utente
Foto Utentesidro007
55 6
Frequentatore
Frequentatore
 
Messaggi: 141
Iscritto il: 22 mag 2011, 17:40

0
voti

[33] Re: Da 6Vac a 12Vdc

Messaggioda Foto UtenteKagliostro » 13 giu 2017, 14:18

Scusate la domanda da ignorante ...

ma tra positivo e LED non andrebbe messa una resistenza per limitare la corrente ?

K
Avatar utente
Foto UtenteKagliostro
6.396 4 5 7
Master
Master
 
Messaggi: 4832
Iscritto il: 19 set 2012, 11:32

0
voti

[34] Re: Da 6Vac a 12Vdc

Messaggioda Foto Utentesetteali » 13 giu 2017, 14:50

sidro007 ha scritto:.. con un transistor che piloti l'accensione della striscia led a 12 V .....

Si hai ragione Foto UtenteKagliostro, ma non sta usando un singolo led, ma una striscia, che dovrebbe avere già la sua resistenza....almeno credo
O_/
Alex
https://www.facebook.com/Elettronicaeelettrotecnica

<< vedi di pigliare arditamente in mano, il dizionario che ti suona in bocca,
se non altro è schietto e paesano.
(Giuseppe Giusti) <<
Avatar utente
Foto Utentesetteali
11,9k 5 5 9
Master
Master
 
Messaggi: 5921
Iscritto il: 15 dic 2013, 21:09

0
voti

[35] Re: Da 6Vac a 12Vdc

Messaggioda Foto Utentesidro007 » 13 giu 2017, 15:06

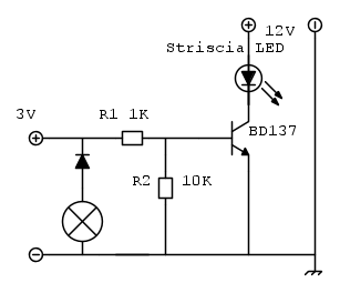
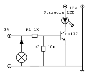
Si. la strip led ha 3 resistenze ogni 3 led, una per ogni colore.
Credo che lo schema sia più o meno questo:
Immagine
Avatar utente
Foto Utentesidro007
55 6
Frequentatore
Frequentatore
 
Messaggi: 141
Iscritto il: 22 mag 2011, 17:40

0
voti

[36] Re: Da 6Vac a 12Vdc

Messaggioda Foto Utenteclaudiocedrone » 13 giu 2017, 15:39

:-) Che confusione... ma se le lampadine sono davvero alimentate a 3 V in continua, con quel diodo in serie messo così non si accenderebbero mai... e se fosse girato risulterebbero sottoalimentate di brutto se davvero sono da 6,3 V :roll: ... occorre sapere esattamente cosa butta fuori l'alimentazione delle lampadine, finora hai dato tre versioni diverse :mrgreen: O_/

P.s. E se fossero ca. 3 o 4 V in continua personalmente opterei per un mosfet logic-level al posto del BJT
"Non farei mai parte di un club che accettasse la mia iscrizione" (G. Marx)
Avatar utente
Foto Utenteclaudiocedrone
21,3k 4 7 9
Master EY
Master EY
 
Messaggi: 15303
Iscritto il: 18 gen 2012, 13:36

0
voti

[37] Re: Da 6Vac a 12Vdc

Messaggioda Foto Utentesidro007 » 13 giu 2017, 22:22

Allora, confusione si, c'è n'è tanta, ma ho poco tempo e tante cose da fare :?
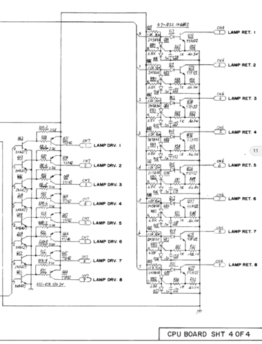
Le lampadine sono da 6,3V attacco a baionetta visto che stiamo parlando di un apparecchio del 1992. L'alimentazione della general illumination (G.I.) cioè le luci sempre accese è a 6Vac, mentre le luci di movimento sono controllate dalla CPU e sono in corrente continua, all'incirca 3/4V. Di questo ne sono sicuro in quanto recentemente ho montato un accessorio che aveva un led 3mm rosso e l'ho collegato con una resistenza direttamente al posto di una lampadina.
Come si nota nello schema della griglia tutte le lampadine sono accompagnate dal diodo.
Allegati
20170613_220326.png
20170613_220227.png
Avatar utente
Foto Utentesidro007
55 6
Frequentatore
Frequentatore
 
Messaggi: 141
Iscritto il: 22 mag 2011, 17:40

0
voti

[38] Re: Da 6Vac a 12Vdc

Messaggioda Foto Utentesetteali » 14 giu 2017, 0:03

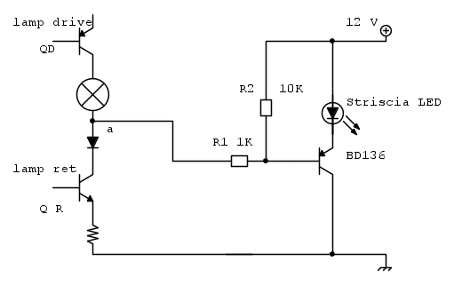
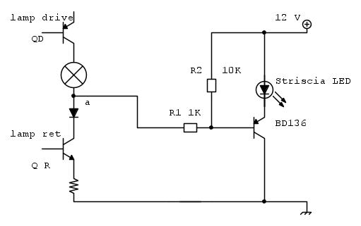
certamente se tu avessi messo subito lo schema spiegando cosa volevi fare, avresti già avuto la soluzione.

Lo schema che metto, non so se è perfettamente funzionante, quello che avrei voluto fare è:
QD = livello alto, anche nel punto " a " c'è livello alto, ma il BD136 è ancora aperto e lampada spenta perché QR non è ancora chiuso.
Quando anche QR è chiuso (assieme a QD da combinazione della matrice), nel punto " a " si trova un livello basso e a questo punto il BD136 si chiude, alimentando la striscia a led.

Devo dire che forse il ragionamento funziona, ma non sono sicuro se il circuito disegnato è funzionante, quindi va corretto o........
Poi al posto del BD si può anche usare un mosfet, che forse è più adatto. O_/
Alex
https://www.facebook.com/Elettronicaeelettrotecnica

<< vedi di pigliare arditamente in mano, il dizionario che ti suona in bocca,
se non altro è schietto e paesano.
(Giuseppe Giusti) <<
Avatar utente
Foto Utentesetteali
11,9k 5 5 9
Master
Master
 
Messaggi: 5921
Iscritto il: 15 dic 2013, 21:09

0
voti

[39] Re: Da 6Vac a 12Vdc

Messaggioda Foto Utenteclaudiocedrone » 14 giu 2017, 0:04

:-) Allora il diodo nel tuo disegno è a rovescio ;-) e le lampadine sono volutamente sottoalimentate... però la CPU dorebbe richiedere una alimentazione stabilizzata :roll: se non lo risulta (non riesci a misurarne il valore esatto :? ) forse c'è qualcosa che non va nella sezione di alimentazione... magari qualche elettrolitico invecchiato male, la hai controllata ? O_/

P. s. Riquoto il mosfet logic-level...
"Non farei mai parte di un club che accettasse la mia iscrizione" (G. Marx)
Avatar utente
Foto Utenteclaudiocedrone
21,3k 4 7 9
Master EY
Master EY
 
Messaggi: 15303
Iscritto il: 18 gen 2012, 13:36

0
voti

[40] Re: Da 6Vac a 12Vdc

Messaggioda Foto Utenteclaudiocedrone » 14 giu 2017, 0:06

:-) Ops... scusa la sovrapposizione O_/
"Non farei mai parte di un club che accettasse la mia iscrizione" (G. Marx)
Avatar utente
Foto Utenteclaudiocedrone
21,3k 4 7 9
Master EY
Master EY
 
Messaggi: 15303
Iscritto il: 18 gen 2012, 13:36

PrecedenteProssimo

Torna a Elettronica generale

Chi c’è in linea

Visitano il forum: Nessuno e 484 ospiti