milvus ha scritto:P.S. Spero di aver quotato bene questa volta!
Fai una bella cosa, dimentica il tasto CITA ed usa solo quello RISPONDI; cosi' non sbagli. Tanto si capisce lo stesso.
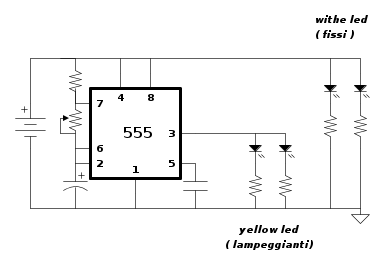
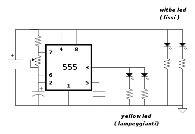
Per quanto riguarda il circuito, supponendo che l'oscillatore con NE555 sia il solito astabile, dovrai collegare i led come da schema:
Non ho potuto mettere i valori dei componenti perche' non me li hai detti.
Naturalmente mettendo il 555, aumenta anche il consumo e si riduce ancora l'autonomia.

Elettrotecnica e non solo (admin)
Un gatto tra gli elettroni (IsidoroKZ)
Esperienza e simulazioni (g.schgor)
Moleskine di un idraulico (RenzoDF)
Il Blog di ElectroYou (webmaster)
Idee microcontrollate (TardoFreak)
PICcoli grandi PICMicro (Paolino)
Il blog elettrico di carloc (carloc)
DirtEYblooog (dirtydeeds)
Di tutto... un po' (jordan20)
AK47 (lillo)
Esperienze elettroniche (marco438)
Telecomunicazioni musicali (clavicordo)
Automazione ed Elettronica (gustavo)
Direttive per la sicurezza (ErnestoCappelletti)
EYnfo dall'Alaska (mir)
Apriamo il quadro! (attilio)
H7-25 (asdf)
Passione Elettrica (massimob)
Elettroni a spasso (guidob)
Bloguerra (guerra)



