Salve,
mi allaccio a questa discussione per non aprire un ulteriore pagina,piu o meno largomento è dello stesso tipo.
Comunque vedo di spiegarmi.
Ho trovato un circuito con arduino far funzionare un piccolo motore con marcia avanti e indietro, fatto il circuito con tanto di "programmino" il tutto non funziona, secondo mè è colpa dei transistor, comunque me lo sapreste spiegare meglio voi.
Vi allego la pagina dell progettino poi vediamo.
http://icexduino.blogspot.it/2011/06/projeto-manipulando-um-motor-dc-no.html
inversione di marcia con regolazione giri
Moderatori:
carloc,
g.schgor,
BrunoValente,
IsidoroKZ
39 messaggi
• Pagina 4 di 4 • 1, 2, 3, 4
0
voti
illuminor ha scritto:il tutto non funziona
forse dovresti spiegare in dettaglio perche' "non funziona"
il motorino gira solo da un lato?
non gira affatto?
hai fatto delle misure?
ecc..
0
voti
Ed anche magari qualche notizia sul motorino. Può essere che la corrente richiesta sia troppo elevata per i transistors usati e questi ultimi siano passati a miglior vita.
Mi pare anche che manchino dei diodi di protezione.
Mi pare anche che manchino dei diodi di protezione.
-

FedericoSibona
5.022 3 5 8 - Master

- Messaggi: 3951
- Iscritto il: 19 mar 2013, 11:43
0
voti
Salve,
l'unica cosa che posso dire è che fatto il circuito il motorino gira solo in senso orario.
il motorino è un piccolo motore che funziona a 3 - 3,5V
No non ho fatto misure, come posso al limite verificare i transistor?
l'unica cosa che posso dire è che fatto il circuito il motorino gira solo in senso orario.
il motorino è un piccolo motore che funziona a 3 - 3,5V
No non ho fatto misure, come posso al limite verificare i transistor?
0
voti
Prima di verificare i transistor, dovresti accertare il consumo del motorino, specie in fase di spunto.
Quei transistor supportano una corrente di 100mA che sono veramente pochi.
Quei transistor supportano una corrente di 100mA che sono veramente pochi.
marco
0
voti
non ho letto il resto del thread... ma il motorino gira al contrario se si alimenta con i poli invertiti?
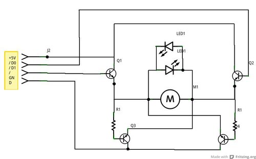
inoltre per capire se il circuito del link funziona correttamente vedo che sono inseriti 2 LED in parallelo al motore, che si accendono quando dovrebbe mettersi in movimento il motorino (uno per ciascuna direzione). ... Beh, dallo studio del comportamento di questi dovresti almeno dedurre se hai messo i vari collegamenti bene (che è sempre una delle prime cose da controllare quando si copia un circuito)
inoltre per capire se il circuito del link funziona correttamente vedo che sono inseriti 2 LED in parallelo al motore, che si accendono quando dovrebbe mettersi in movimento il motorino (uno per ciascuna direzione). ... Beh, dallo studio del comportamento di questi dovresti almeno dedurre se hai messo i vari collegamenti bene (che è sempre una delle prime cose da controllare quando si copia un circuito)
0
voti
Salve,
ho provato più volte cercando di assegnare Q1 Q2 Q3 Q4 ai transistor dello schema con i componenti ma comparando i 2 schemi non mi coincidono i collegamenti, ora probabilmente sarò io che non sono in grado ma c'è qualcuno che potrebbe provarci giusto per vedere se gli schemi coincidono?
attachment=0]ponteH_teste_bb[1].png[/attachment]
ho provato più volte cercando di assegnare Q1 Q2 Q3 Q4 ai transistor dello schema con i componenti ma comparando i 2 schemi non mi coincidono i collegamenti, ora probabilmente sarò io che non sono in grado ma c'è qualcuno che potrebbe provarci giusto per vedere se gli schemi coincidono?
attachment=0]ponteH_teste_bb[1].png[/attachment]
- Allegati
-
- ponteH_teste_bb[1].png (29.36 KiB) Osservato 3770 volte
0
voti
ho controllato grossolanamente qua e la, e sembra a posto
EDIT:
avevo qualche minuto e ho verificato altri collegamenti... in effetti credo ci siano degli errori... meglio se ti componi lo schema su basetta da solo
EDIT:
avevo qualche minuto e ho verificato altri collegamenti... in effetti credo ci siano degli errori... meglio se ti componi lo schema su basetta da solo
39 messaggi
• Pagina 4 di 4 • 1, 2, 3, 4
Chi c’è in linea
Visitano il forum: Nessuno e 79 ospiti

Elettrotecnica e non solo (admin)
Un gatto tra gli elettroni (IsidoroKZ)
Esperienza e simulazioni (g.schgor)
Moleskine di un idraulico (RenzoDF)
Il Blog di ElectroYou (webmaster)
Idee microcontrollate (TardoFreak)
PICcoli grandi PICMicro (Paolino)
Il blog elettrico di carloc (carloc)
DirtEYblooog (dirtydeeds)
Di tutto... un po' (jordan20)
AK47 (lillo)
Esperienze elettroniche (marco438)
Telecomunicazioni musicali (clavicordo)
Automazione ed Elettronica (gustavo)
Direttive per la sicurezza (ErnestoCappelletti)
EYnfo dall'Alaska (mir)
Apriamo il quadro! (attilio)
H7-25 (asdf)
Passione Elettrica (massimob)
Elettroni a spasso (guidob)
Bloguerra (guerra)



