Quando vuoi.
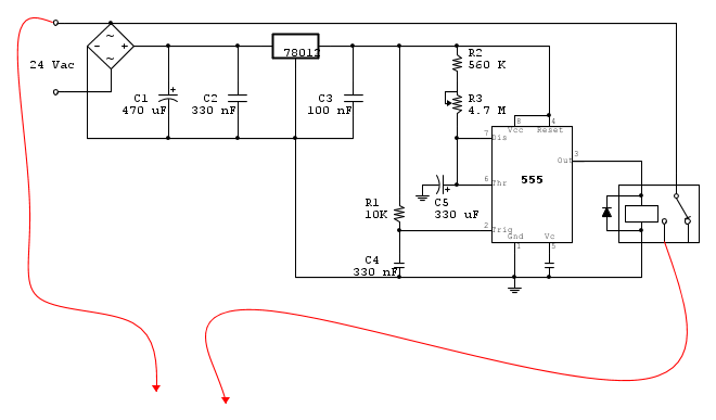
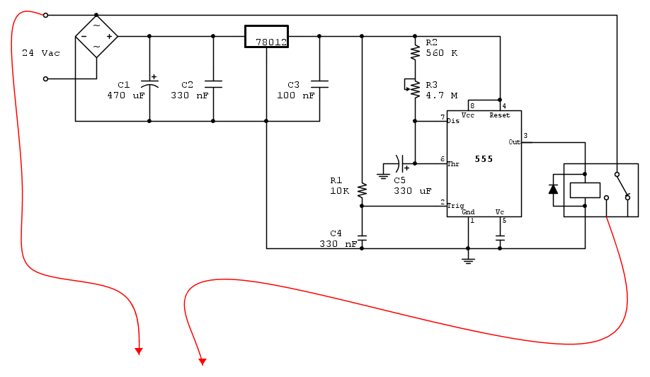
Pero' il circuito mostrato in schema non e' completo se vuoi alimentare alternativamente due rami di irrigatori; servira' un rele' che distribuisca la tensione.
Se credi, quindi, posta lo schema completo specificando che tipo di rele' intendi usare.
Timer consiglio.
Moderatori:
carloc,
g.schgor,
BrunoValente,
IsidoroKZ
0
voti
[32] Re: Timer consiglio.
In realta il circuito dovrebbe venire qualcosa di simile e vorrei che funzionasse come un jumper temporizzato da poter collegare a seconda delle esigenze tra due delle 12 zone che ho, in modo da farle funzionare insieme.
ES: il programmatore da corrente sul rele della zona 1 per un tempo X e il jumper porta corrente anche alla zona 5 e trascorso il tempo impostato apre il circuito lasciando funzionare solo la zona 1 per il restante dell' X tempo.
Il circuito andrebbe al posto del filo rosso nel post [1]

Elettrotecnica e non solo (admin)
Un gatto tra gli elettroni (IsidoroKZ)
Esperienza e simulazioni (g.schgor)
Moleskine di un idraulico (RenzoDF)
Il Blog di ElectroYou (webmaster)
Idee microcontrollate (TardoFreak)
PICcoli grandi PICMicro (Paolino)
Il blog elettrico di carloc (carloc)
DirtEYblooog (dirtydeeds)
Di tutto... un po' (jordan20)
AK47 (lillo)
Esperienze elettroniche (marco438)
Telecomunicazioni musicali (clavicordo)
Automazione ed Elettronica (gustavo)
Direttive per la sicurezza (ErnestoCappelletti)
EYnfo dall'Alaska (mir)
Apriamo il quadro! (attilio)
H7-25 (asdf)
Passione Elettrica (massimob)
Elettroni a spasso (guidob)
Bloguerra (guerra)



