Domande su circuito buffer
Moderatori:
carloc,
g.schgor,
BrunoValente,
IsidoroKZ
39 messaggi
• Pagina 4 di 4 • 1, 2, 3, 4
0
voti
Ho l'impressione che tutti questi problemi (disturbi tra "suoni", perdite di qualità del suono) possano essere eliminati/ridotti solo rivedendo tutta la catena del suono, da ogni singolo strumento fino al mixer 
2
voti
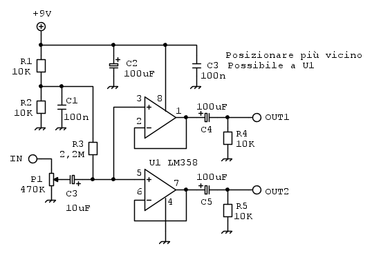
Io farei una cosa del genere
Un solo integrato, due uscite a bassa impedenza.
R4 e R5 le puoi anche mettere di valore più basso.
Per la chitarra la vedo dura. Se perde brillantezza non è per colpa delle impedenze di ingresso o uscita ma della catena di effetti.
Un solo integrato, due uscite a bassa impedenza.
R4 e R5 le puoi anche mettere di valore più basso.
Per la chitarra la vedo dura. Se perde brillantezza non è per colpa delle impedenze di ingresso o uscita ma della catena di effetti.
"La follia sta nel fare sempre la stessa cosa aspettandosi risultati diversi".
"Parla soltanto quando sei sicuro che quello che dirai è più bello del silenzio".
Rispondere è cortesia, ma lasciare l'ultima parola ai cretini è arte.
"Parla soltanto quando sei sicuro che quello che dirai è più bello del silenzio".
Rispondere è cortesia, ma lasciare l'ultima parola ai cretini è arte.
-

TardoFreak
73,9k 8 12 13 - -EY Legend-

- Messaggi: 15754
- Iscritto il: 16 dic 2009, 11:10
- Località: Torino - 3° pianeta del Sistema Solare
0
voti
Ti ringrazio! A scopo didattico, posso chiederti il perché di alcune scelte?
-Il pot in entrata è logaritmico e servirebbe a regolare il volume giusto?
-A cosa serve C3? perché da 10uF?
-Perchè R3 da 2,2M?
-Sull'uscita perché mettere un elettrolitico cosi grande da 100uF?
-Mi spiegheresti la funzione di R4/R5?
Grazie e perdonatemi ma sono davvero un novizio ed è difficile muoversi, soprattutto nel campo musica dove per un condensatore di farebbero pagare 10 euro con motivazioni astruse.
-Il pot in entrata è logaritmico e servirebbe a regolare il volume giusto?
-A cosa serve C3? perché da 10uF?
-Perchè R3 da 2,2M?
-Sull'uscita perché mettere un elettrolitico cosi grande da 100uF?
-Mi spiegheresti la funzione di R4/R5?
Grazie e perdonatemi ma sono davvero un novizio ed è difficile muoversi, soprattutto nel campo musica dove per un condensatore di farebbero pagare 10 euro con motivazioni astruse.
4
voti
alev ha scritto:Ho l'impressione che tutti questi problemi (disturbi tra "suoni", perdite di qualità del suono) possano essere eliminati/ridotti solo rivedendo tutta la catena del suono, da ogni singolo strumento fino al mixer
Infatti, sono d'accordo con
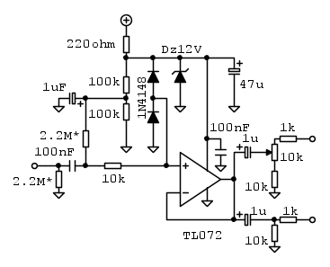
Comunque ho buttato giù uno schemino che dovrebbe fare al caso tuo e che dovrebbe risolvere i problemi che un buffer può risolvere ma solo quelli... ad esempio non elimina i problemi dovuti ai contatti incerti, ai circuiti sbagliati, a quelli collegati male, ai ritorni di massa ecc... e non fa nemmeno il caffè.
Per filtrare l'alimentazione non basta un condensatore in parallelo, occorre anche una resistenza in serie, quella da 220 ohm, infatti l'azione filtrante del condensatore dipende dalla costante di tempo che, senza resistenza, dipenderebbe dall'impedenza di uscita dell'alimentatore che non è nota e che potrebbe essere bassissima mandando a pallino il filtraggio; con la resistenza in serie invece si ha un valore minimo su cui contare.
Il parallelo tra le due resistenze con l'asterisco determina l'impedenza di ingresso che quindi è di circa 1Mohm ma secondo me non serve che sia così alta e porta solo gran casino quando si infila o si sfila il jack.
Un valore di 100k, che si ottiene sostituendo le due R asteriscate con altre da 220k è più che sufficiente perché è sicuramente almeno 10 volte l'impedenza di qualsiasi sorgente.
Il partitore è fatto con due resistenze da 100k invece che da 10k, va bene lo stesso e consuma meno la batteria.
Il condensatore da 100nf in parallelo all'alimentazione dell'operazionale deve essere ceramico e va montato vicinissimo all'operazionale con i collegamenti cortissimi che arrivano direttamente sui pin 8 e 4.
I due diodi non partecipano al funzionamento normale perché sono polarizzati al contrario ma proteggono l'ingresso non invertente che è ad impedenza altissima da eventuali tensioni alte che possono arrivare dall'ingresso, ad esempio se si inserisce il jack e fa contatto solo il polo centrale anche solo per un attimo, questo vale soprattutto se le due R asteriscate non vengono sostituite con altre di valore più basso.
La resistenza da 10k in serie all'ingresso non partecipa al normale funzionamento perché a causa dell'alta impedenza dell'operazionale non vi scorre corrente di segnale e non cade tensione di segnale ai suoi capi ma in caso di sovratensione in ingresso, quando intervengono i due diodi, limita la corrente che li attraversa evitando che possano danneggiarsi.
Lo zener contribuisce a proteggere l'ingresso da sovratensioni e l'intero operazionale da sovratensione di alimentazione...non si sa mai cosa può capitare, soprattutto quando un circuito viene utilizzato da gente inesperta.
In uscita ho lasciato la configurazione originale nella quale non credo, ma se piace a te...
La resistenza da 10k tra il potenziometro e il riferimento, così pure l'altra da 10k servono a polarizzare le uscite a 0V in continua, significa che impongono un valore medio di 0V in uscita e che il segnale si muove intorno a quel valore.
Nella maggior parte dei casi non serve a nulla ma in qualche caso può servire, dipende da quanto fa schifo il circuito che verrà collegato in uscita e siccome al peggio non c'è mai fine è meglio mettere una resistenza verso il riferimento di valore più basso possibile; 10k è un valore sufficientemente basso ma ancora sufficientemente alto da non sovraccaricare l'uscita dell'operazionale.
Devi tener conto che un valore minimo per il carico sotto il quale è bene non scendere per non mandare in crisi l'operazionale è di circa 2k, quindi sarebbe bene fare una stima dell'impedenza complessiva del carico che il buffer dovrà vedere...e qui ti voglio!
-

BrunoValente
39,6k 7 11 13 - G.Master EY

- Messaggi: 7796
- Iscritto il: 8 mag 2007, 14:48
0
voti
Ops, non mi ero accorto che
TardoFreak aveva già provveduto.
-

BrunoValente
39,6k 7 11 13 - G.Master EY

- Messaggi: 7796
- Iscritto il: 8 mag 2007, 14:48
0
voti
Mi spiegheresti però la discrepanza cosi grande tra il tuo condensatore di uscita (1uF elettrolitico) rispetto a quella di
Mentre invece il condensatore da 47uF con la resistenza da 220ohm costituisce un passa basso e la scelta del valore della capacità dipende dalla quantità di ripple che si accetta, corretto?
2
voti
Diciamo che abbiamo esagerato entrambi, uno da una parte l'altro dall'altra
Se nel mio circuito consideriamo un carico dell'ordine di 3k, che è il valore minimo sotto il quale non conviene andare (con una carico di 3k su ognuna dell uscite l'operazionale vede 2k come carico complessivo) con 1uF otteniamo un taglio inferiore intorno a 50Hz che in effetti è un valore un po' altino, conviene quindi mettere 2.2uF e si scende intorno a 25Hz, scendere ulteriormente sarebbe inutile se non controproducente.
Ovviamente con carichi più alti, diciamo sopra 5k, va benissimo anche 1uF.
Nel circuito di
TardoFreak il carico minimo raccomandabile, sotto il quale non conviene scendere, è di 2k per parte che con 100uF danno un taglio intorno a 0.8Hz... Mi sa che a esagerazione ha vinto
TardoFreak 
Se nel mio circuito consideriamo un carico dell'ordine di 3k, che è il valore minimo sotto il quale non conviene andare (con una carico di 3k su ognuna dell uscite l'operazionale vede 2k come carico complessivo) con 1uF otteniamo un taglio inferiore intorno a 50Hz che in effetti è un valore un po' altino, conviene quindi mettere 2.2uF e si scende intorno a 25Hz, scendere ulteriormente sarebbe inutile se non controproducente.
Ovviamente con carichi più alti, diciamo sopra 5k, va benissimo anche 1uF.
Nel circuito di
-

BrunoValente
39,6k 7 11 13 - G.Master EY

- Messaggi: 7796
- Iscritto il: 8 mag 2007, 14:48
1
voti
Lo scopo è eliminare la continua e tenere una risposta più piatta possibile?
Non c'è problema! Con 100uF sei nelle frequenze subsoniche, con 100uF lavi più bianco!

Ehm ... si nota che utilizzo sempre un approccio molto ... conservativo?
Non c'è problema! Con 100uF sei nelle frequenze subsoniche, con 100uF lavi più bianco!
Ehm ... si nota che utilizzo sempre un approccio molto ... conservativo?
"La follia sta nel fare sempre la stessa cosa aspettandosi risultati diversi".
"Parla soltanto quando sei sicuro che quello che dirai è più bello del silenzio".
Rispondere è cortesia, ma lasciare l'ultima parola ai cretini è arte.
"Parla soltanto quando sei sicuro che quello che dirai è più bello del silenzio".
Rispondere è cortesia, ma lasciare l'ultima parola ai cretini è arte.
-

TardoFreak
73,9k 8 12 13 - -EY Legend-

- Messaggi: 15754
- Iscritto il: 16 dic 2009, 11:10
- Località: Torino - 3° pianeta del Sistema Solare
2
voti
diaretto ha scritto:...Mentre invece il condensatore da 47uF con la resistenza da 220ohm costituisce un passa basso e la scelta del valore della capacità dipende dalla quantità di ripple che si accetta, corretto?
Sì, ma qui c'è da dire che solo una piccolissima parte dell'eventuale ripple sull'alimentazione si trasferisce sul segnale audio, questo perché l'operazionale, soprattutto quando viene utilizzato con basso guadagno, offre un'elevata reiezione, il dato che identifica questa proprietà si trova nei datasheet, nel caso del TL072 è chiamato SVR (Supply Voltage Rejection Ratio) e ha un valore di circa 80 dB, vuol dire che solo un decimillesimo del ripple che sta sulla tensione di alimentazione viene trasferito in uscita e miscelato con il segnalo audio.
E' importante filtrare bene dal ripple la tensione intermedia fornita dal partitore: se lì fosse presente una tensione di ripple finirebbe pari pari in uscita e nel nostro caso c'è il condensatore da 1uF che insieme alle due R da 100k forma un ulteriore passa basso che taglia intorno a 3Hz, forse anche qui conviene aumentare il valore e portarlo a 10uF.
-

BrunoValente
39,6k 7 11 13 - G.Master EY

- Messaggi: 7796
- Iscritto il: 8 mag 2007, 14:48
39 messaggi
• Pagina 4 di 4 • 1, 2, 3, 4
Chi c’è in linea
Visitano il forum: Nessuno e 50 ospiti

Elettrotecnica e non solo (admin)
Un gatto tra gli elettroni (IsidoroKZ)
Esperienza e simulazioni (g.schgor)
Moleskine di un idraulico (RenzoDF)
Il Blog di ElectroYou (webmaster)
Idee microcontrollate (TardoFreak)
PICcoli grandi PICMicro (Paolino)
Il blog elettrico di carloc (carloc)
DirtEYblooog (dirtydeeds)
Di tutto... un po' (jordan20)
AK47 (lillo)
Esperienze elettroniche (marco438)
Telecomunicazioni musicali (clavicordo)
Automazione ed Elettronica (gustavo)
Direttive per la sicurezza (ErnestoCappelletti)
EYnfo dall'Alaska (mir)
Apriamo il quadro! (attilio)
H7-25 (asdf)
Passione Elettrica (massimob)
Elettroni a spasso (guidob)
Bloguerra (guerra)



