Cos'è ElectroYou | Login Iscriviti

ElectroYou - la comunità dei professionisti del mondo elettrico

Alimentatore fai da te / Alimentatore da banco

Elettronica lineare e digitale: didattica ed applicazioni

Moderatori: Foto Utentecarloc, Foto Utenteg.schgor, Foto UtenteBrunoValente, Foto UtenteIsidoroKZ

0
voti

[31] Re: Alimentatore fai da te / Alimentatore da banco

Messaggioda Foto Utentesetteali » 3 feb 2018, 19:08

Stavo anch'io guardando il tuo schema e l'errore che dice @EcoTan va corretto, inoltre perché usare due ponti di diodi?

Questo è lo schema, dovresti metterci i valori dei componenti.


O_/
Alex
https://www.facebook.com/Elettronicaeelettrotecnica

<< vedi di pigliare arditamente in mano, il dizionario che ti suona in bocca,
se non altro è schietto e paesano.
(Giuseppe Giusti) <<
Avatar utente
Foto Utentesetteali
11,9k 5 5 9
Master
Master
 
Messaggi: 5921
Iscritto il: 15 dic 2013, 21:09

0
voti

[32] Re: Alimentatore fai da te / Alimentatore da banco

Messaggioda Foto UtenteMaranza » 3 feb 2018, 20:03

si l'avevo pensato così, come se fosse in pratica 2 alimentatori indipendenti in serie non considerando il riferimento in comune in mezzo al trasformatore.
Avatar utente
Foto UtenteMaranza
63 1 1 6
New entry
New entry
 
Messaggi: 97
Iscritto il: 26 set 2017, 8:38

0
voti

[33] Re: Alimentatore fai da te / Alimentatore da banco

Messaggioda Foto UtenteBrunoValente » 3 feb 2018, 20:14

Metti una resistenza da 50-100 ohm in serie a ciascuna base dei darlington: se il circuito dovesse oscillare aumentano le probabilità che non si rompano.

Ti consiglio inoltre di non acquistare gli LM317 in Cina: quelli economici che si trovano su Ebay sono scarti di produzione e tra i vari difetti possono averne anche di molto subdoli, come ad esempio non essere stabili in certe condizioni, quindi tendenti ad oscillare, a me è capitato.
Avatar utente
Foto UtenteBrunoValente
39,6k 7 11 13
G.Master EY
G.Master EY
 
Messaggi: 7796
Iscritto il: 8 mag 2007, 14:48

0
voti

[34] Re: Alimentatore fai da te / Alimentatore da banco

Messaggioda Foto UtenteMaranza » 3 feb 2018, 21:27

Grazie per i consigli Foto UtenteBrunoValente!
a proposito dove li compri tu?

Per la limitazione in corrente cosa consigliate invece? Non ho proprio idee a riguardo :(
Avatar utente
Foto UtenteMaranza
63 1 1 6
New entry
New entry
 
Messaggi: 97
Iscritto il: 26 set 2017, 8:38

0
voti

[35] Re: Alimentatore fai da te / Alimentatore da banco

Messaggioda Foto UtenteBrunoValente » 4 feb 2018, 11:43

Li ho acquistati da TME, sembra siano molto efficienti e rapidi, sicuramente meno farraginosi di RS, mi sono arrivati in meno di 24 ore.
Avatar utente
Foto UtenteBrunoValente
39,6k 7 11 13
G.Master EY
G.Master EY
 
Messaggi: 7796
Iscritto il: 8 mag 2007, 14:48

0
voti

[36] Re: Alimentatore fai da te / Alimentatore da banco

Messaggioda Foto UtenteBrunoValente » 4 feb 2018, 11:47

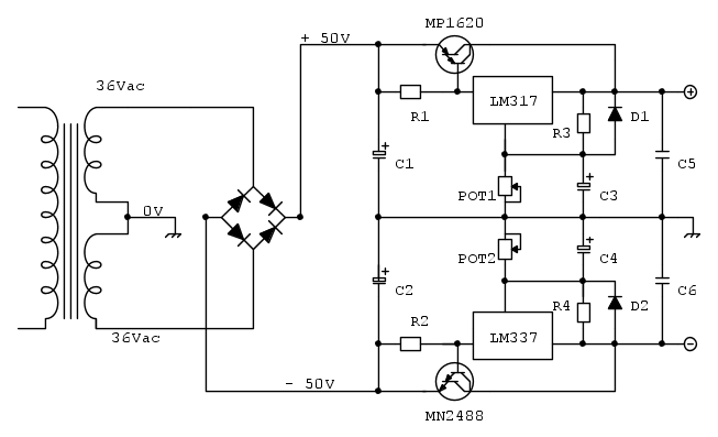
Mi accorgo ora che nel tuo schema la tensione in ingresso è troppo alta: con gli LM317 non puoi superare 35-40V
Avatar utente
Foto UtenteBrunoValente
39,6k 7 11 13
G.Master EY
G.Master EY
 
Messaggi: 7796
Iscritto il: 8 mag 2007, 14:48

0
voti

[37] Re: Alimentatore fai da te / Alimentatore da banco

Messaggioda Foto UtenteBrunoValente » 4 feb 2018, 12:49

Maranza ha scritto:Per la limitazione in corrente cosa consigliate invece? Non ho proprio idee a riguardo

Se intendi una vera regolazione della corrente massima la vedo difficile, soprattutto perché, essendo duale, non si può mettere una resistenza di sense sul riferimento che è in comune tra le due sezioni.

Oppure, se il secondario del trasformatore fosse costituito da due sezioni isolate e non da una con presa centrale, si potrebbero tenere isolate le due sezioni dell'alimentatore, come fossero due alimentatori indipendenti, e collegare il negativo dell'una sezione con il positivo dell'altra solo in uscita: questo consentirebbe di interporre sul riferimento di ognuna delle due sezioni una resistenza di sense per la corrente... ma la vedo comunque difficile, il circuito si complicherebbe non poco.

Se invece intendi più semplicemente una protezione per evitare di superare un valore massimo di corrente in caso di sovraccarico allora si potrebbe tentare di fare qualcosa a monte dei regolatori, dove sono i transistor.
Avatar utente
Foto UtenteBrunoValente
39,6k 7 11 13
G.Master EY
G.Master EY
 
Messaggi: 7796
Iscritto il: 8 mag 2007, 14:48

1
voti

[38] Re: Alimentatore fai da te / Alimentatore da banco

Messaggioda Foto UtenteBrunoValente » 4 feb 2018, 12:58

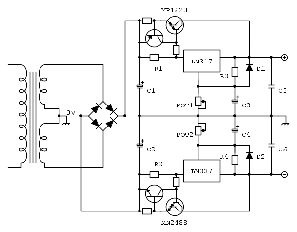
...ad esempio così



considerando che gli LM.. sono già protetti, le parti aggiunte servirebbero a proteggere i darlington
Avatar utente
Foto UtenteBrunoValente
39,6k 7 11 13
G.Master EY
G.Master EY
 
Messaggi: 7796
Iscritto il: 8 mag 2007, 14:48

0
voti

[39] Re: Alimentatore fai da te / Alimentatore da banco

Messaggioda Foto UtenteMaranza » 4 feb 2018, 13:11

Grazie Foto UtenteBrunoValente!

Per quanto riguarda la tensione troppo elevata sugli integrati ci avevo pensato anch'io, infatti penso di usare le due uscite da +-25V del trasformatore in modo da avere circa 35V che non superano i 40V max ma che mi dovrebbero bastare per i 30V desiderati.

Per la presa centrale del trasformatore non saprei perché l'ho recuperato da un amplificatore di un dolby sorround della Sony. Penso che però non siano due bobine isolate perché sul secondario ho un unico filo per il riferimento quindi non riesco a tenerli indipendenti fino all'uscita.
Avatar utente
Foto UtenteMaranza
63 1 1 6
New entry
New entry
 
Messaggi: 97
Iscritto il: 26 set 2017, 8:38

0
voti

[40] Re: Alimentatore fai da te / Alimentatore da banco

Messaggioda Foto Utentene555it » 6 feb 2018, 13:19

Se proprio ti serve un alimentatore da banco ti serve una cosa del genere:
https://www.ne555.it/alimentatore-duale ... egolabile/

in questo modo hai anche una protezione regolabile, poi dipende sempre cosa devi farci
Avatar utente
Foto Utentene555it
11 3
New entry
New entry
 
Messaggi: 65
Iscritto il: 28 gen 2018, 16:22

PrecedenteProssimo

Torna a Elettronica generale

Chi c’è in linea

Visitano il forum: Nessuno e 102 ospiti