Se c'è anche un Arduino, vai tranquillo che si può fare tutto.
Per chi invece vuole restare con i piedi per terra, dovresti specificare un po' meglio cosa significa 'accendere' e 'spegnere'. Da un punto di vista dinamico, le condizioni di acceso e spento non hanno senso. Devi specificare:
- corrente massima per condizione 'spento'
- corrente minima per condizione 'acceso'
- tempo massimo di transizione off-on
- tempo massimo di transizione on-off.
Questo giusto per cominciare. Poi...
Questo circuito è corretto?
Moderatori:
carloc,
g.schgor,
BrunoValente,
IsidoroKZ
32 messaggi
• Pagina 4 di 4 • 1, 2, 3, 4
1
voti
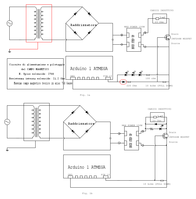
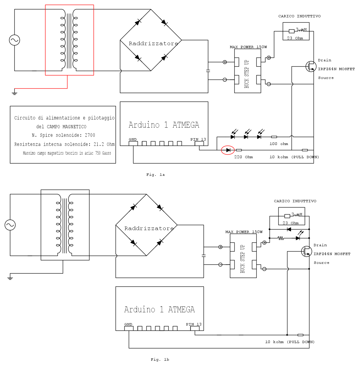
Visti tutti I vincoli di difficolta' di acquisto, di disponibilita' di materiali e di strumenti (e molto altro)realizzerei - in quantita' di un pezzo - il prototipo di Fig. 1b.
Domande:
1) Nel circuito di Fig 1a:
1a) cosa rappresenta il rettangolo rosso collegato a terra?
1b) qual e' la funzione del diodo nel circoletto rosso?
2) Hai a disposizione 3 trasformatori:
2a) da quanti VA ciascuno?
2b) devi pilotare 10 carichi induttivi: 3 >= 10???
3) qual e' la ratio - da dove derivano "infiniti buck booster (anche qualche step down)"
4) un osciloscopio per uso generale che non sfigura in un lab universitario costa < 500 euro (ivato) e lo compri "agevolmente" sul MEPA (Mercato Elettronico Pubblica Amministrazione)
5) Le domande possono bastare (per ora
)
P.S. Se pensi di realizzare il prototipo fai un fischio: il circuito va dimensionato e ridisegnato in modo "cristiano"
P.P.S. Quando dal prototipo si sollevera' un "inaspettato filo di fumo"
pensi di poter contare sulla collaborazione dei tecnici del Dipartimento accanto?
Domande:
1) Nel circuito di Fig 1a:
1a) cosa rappresenta il rettangolo rosso collegato a terra?
1b) qual e' la funzione del diodo nel circoletto rosso?
2) Hai a disposizione 3 trasformatori:
2a) da quanti VA ciascuno?
2b) devi pilotare 10 carichi induttivi: 3 >= 10???
3) qual e' la ratio - da dove derivano "infiniti buck booster (anche qualche step down)"
4) un osciloscopio per uso generale che non sfigura in un lab universitario costa < 500 euro (ivato) e lo compri "agevolmente" sul MEPA (Mercato Elettronico Pubblica Amministrazione)
5) Le domande possono bastare (per ora
P.S. Se pensi di realizzare il prototipo fai un fischio: il circuito va dimensionato e ridisegnato in modo "cristiano"
P.P.S. Quando dal prototipo si sollevera' un "inaspettato filo di fumo"
32 messaggi
• Pagina 4 di 4 • 1, 2, 3, 4
Chi c’è in linea
Visitano il forum: Nessuno e 276 ospiti

Elettrotecnica e non solo (admin)
Un gatto tra gli elettroni (IsidoroKZ)
Esperienza e simulazioni (g.schgor)
Moleskine di un idraulico (RenzoDF)
Il Blog di ElectroYou (webmaster)
Idee microcontrollate (TardoFreak)
PICcoli grandi PICMicro (Paolino)
Il blog elettrico di carloc (carloc)
DirtEYblooog (dirtydeeds)
Di tutto... un po' (jordan20)
AK47 (lillo)
Esperienze elettroniche (marco438)
Telecomunicazioni musicali (clavicordo)
Automazione ed Elettronica (gustavo)
Direttive per la sicurezza (ErnestoCappelletti)
EYnfo dall'Alaska (mir)
Apriamo il quadro! (attilio)
H7-25 (asdf)
Passione Elettrica (massimob)
Elettroni a spasso (guidob)
Bloguerra (guerra)



